时间:2023-06-25 17:28
人气:
作者:admin
三相两电平逆变器的数学模型
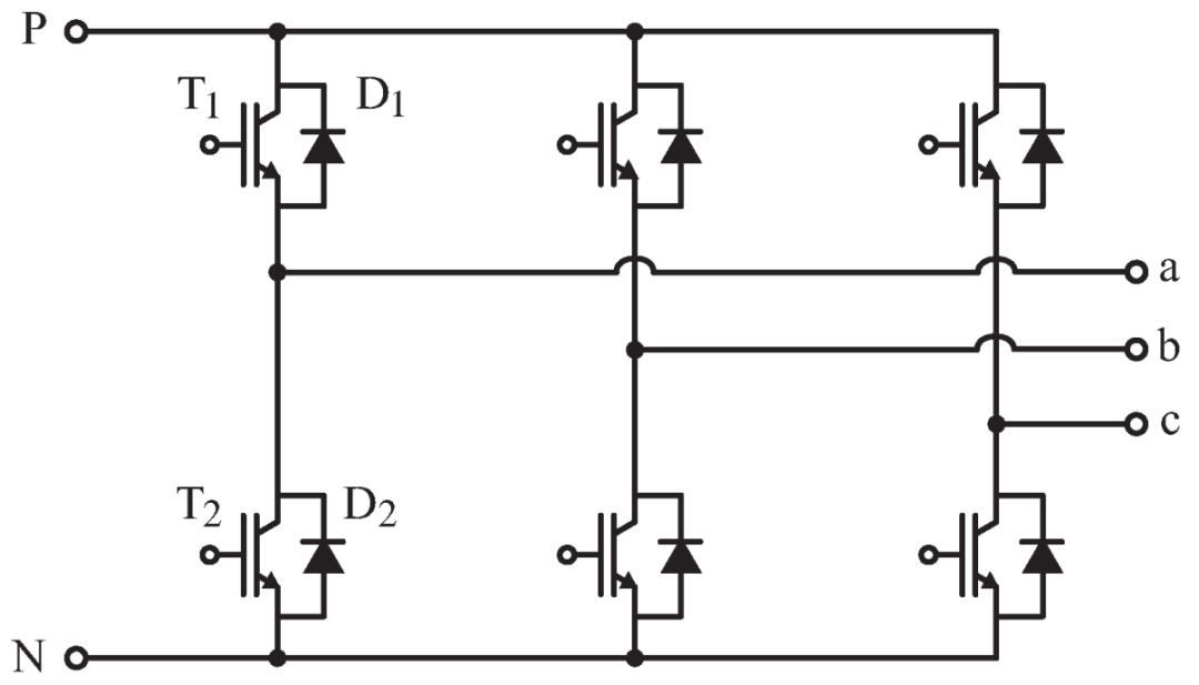
三相两电平逆变器拓扑结构如下图所示,由3个H半桥组成,因此直流侧正母线电流i_p为三个H半桥的正母线电流之和,直流负母线电流i_n为三个H半桥的负母线电流之和。

三相二电平逆变器拓扑(以IGBT示意)
定义三相逆变器的输入输出和参数:
表1 In ports

表2 Out ports

表3 Parameters for Two Levels Inverter

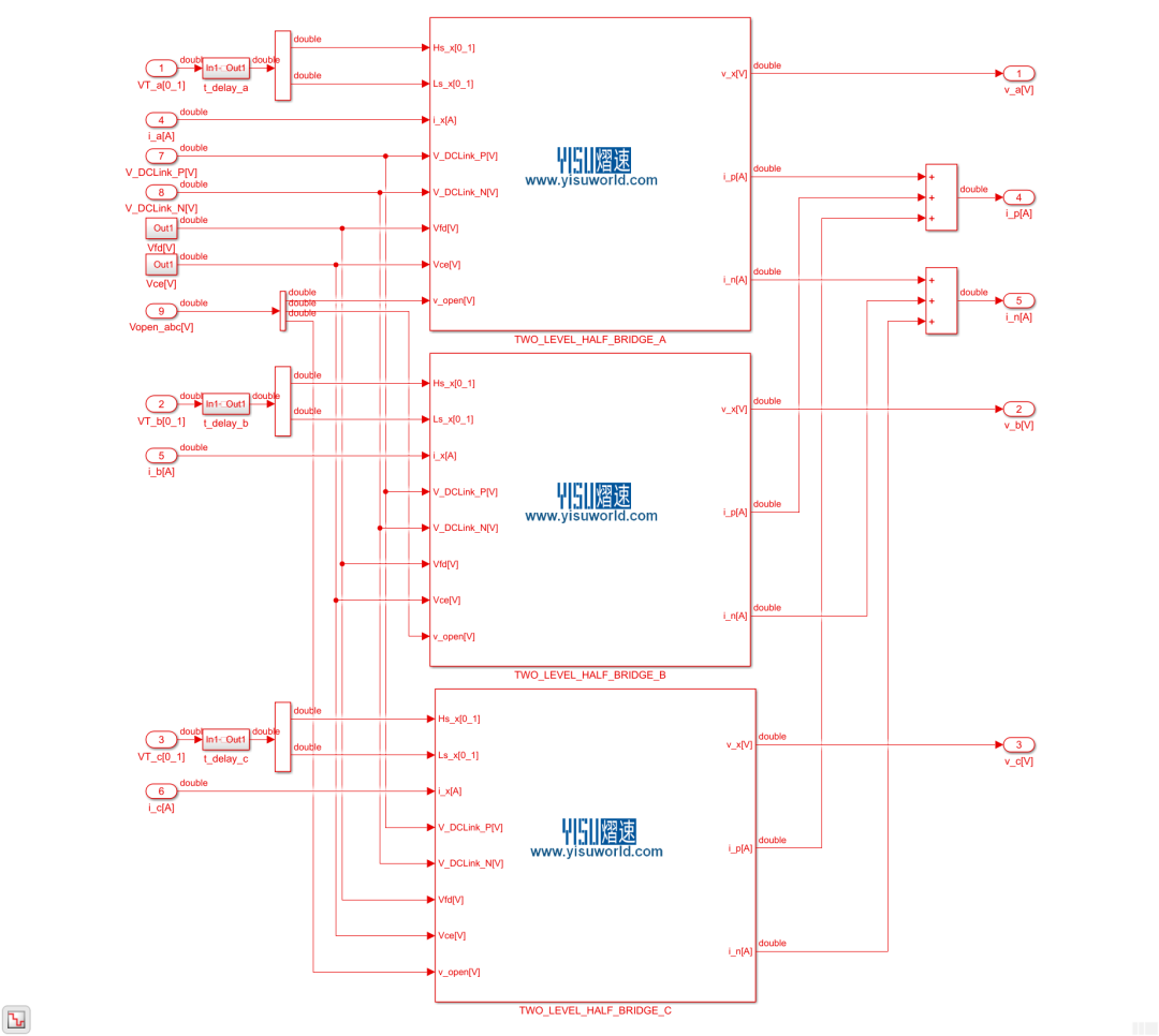
三相两电平逆变器的Simulink实现
根据数学模型,搭建Simulink模型如下:

三相二电平逆变器的Simulink模型(点击查看大图)
三相两电平逆变器的对比验证
搭建仿真模型,与Specialized Power System(原产品名称SimPowerSystem)中的Universal Bridge模块进行对比。仿真模型如下,利用PWM Generator (2-Level)模块生成三相非同步的PWM信号,驱动三相逆变器,逆变器输出三相交流电供给Three-Phase Series RLC Load模块。

点击查看大图
表4 仿真参数

最后0.02s和0.002s的仿真波形如下,依次为Universal Bridge的b相电压,Simulink基本模块搭建的三相逆变器的b相电压,Universal Bridge的直流侧正母线电流,Simulink基本模块搭建的三相逆变器的直流侧正母线电流,三相交流电流。
可以看出采用Simulink基本模块搭建的三相逆变器的波形与Specialized Power System(原产品名称SimPowerSystem)中的Universal Bridge模块的输出电压、直流电流的波形是一致的。

最后0.02s的仿真波形

最后0.002s的仿真波形
下一篇:变频器故障的显示与诊断逻辑