时间:2022-06-19 17:34
人气:
作者:admin
近期,微信改版打乱推送方式,文字发布不再按时间顺序进行推送,为避免读者朋友错过文字更新,希望您将“迪文科技DWIN”设为星标,与我们多点互动点赞、留言,随手点击「在看」,保持联系。感谢!
——来自迪文开发者论坛
迪文T5L系列双核芯片具有主频高,图像处理能力强的特点,可用于搭建微型 PLC 、处理人机界面应用。本PLC方案基于T5L1芯片设计,基本介绍如下:

1.1 背板实物图
基本功能
14路数字开关量输入,带光耦隔离;
8路0~10V(0~20mA)模拟量输入;
6路继电器输出;
2路PWM模拟输出(可外加DAC输出);
支持485通讯、CAN通讯、TTL通讯;
支持高速脉冲输入和输出,24V工业供电。

1.2 效果实物图
原理图设计

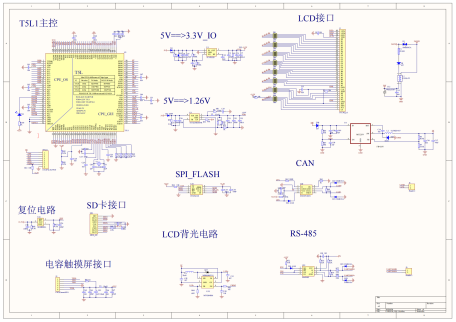
1.3 主控原理图

1.4 IO原理图
自己做背光电路图,显示屏背光控制需注意背光的开启,可以用OS核的PWM程序控制。其次,xdata的变量初始化必须在系统初始化之后重新赋值。
DGUS工程界面设计

1.5主界面
工程文件下载:
DWIN_SET.zip
代码程序设计
代码下载:
code3.zip