时间:2023-06-13 17:20
人气:
作者:admin
最先进的电机驱动器使用基于 3 相绝缘栅双极晶体管 (IGBT) 的逆变器,该逆变器由直流母线电压供电,通常在 400 V 直流至 800 V 直流范围内。该高压轨可以直接来自三相整流桥式滤波器组合或功率因数校正升压整流器,后者从三相交流输入产生高压轨(见图3)。

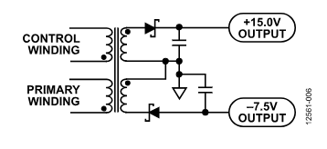
图1.典型工业电机驱动器的框图。
IGBT是主要的电源开关,为三个电机相位中的每一个提供(通常为10 kHz)脉宽调制(PWM)输出。感应电机和永磁电机通常具有高绕组电感,它将该PWM电压集成到近似正弦形状的低频绕组电流波形中。小型驱动器中的某些IGBT可很好地与ADuM0等驱动器提供的单极性(例如15 V至4223 V)栅极驱动配合使用,而大型系统中的通常要求是由ADuM7等合适驱动器驱动的双极性栅极驱动电平(如−5.15 V和+4135 V)。负关断电平有助于避免IGBT的杂散导通,而杂散导通可能由集电极至发射极电压(V那).这种高dV/dt通常是由其他器件的正常开启引起的。(上部设备的开启可能会导致下部设备的意外开启,反之亦然。六个栅极驱动器需要一个电源来提供+15 V和−7.5 V偏置电压。
在图1所示的示例中,三个电机相位中的两个具有与电机绕组串联的分流电阻,分流电阻两端连接AD7403隔离式Σ-Δ调制器,用于测量电机相电流。(电流仅分两相测量,因为可以推断出第三相。这两个Σ-Δ调制器通常由5 V供电。
三个高端(HS)IGBT的驱动器偏置电压分别以各自的电机相位为参考,这意味着三个高端驱动器(连接到三个电机相位)都有自己的隔离偏置电源域(HS-U、HS-V和HS-W)。此外,三个低边(LS)驱动器均以负直流链路为基准,因此共享一个偏置电源域(LS)。表1列出了对偏置电源域的总要求,并在典型电机驱动器中包括偏置轨。
| 逆变电路 | 域 | 电压 (V) | 电压轨 |
| 三个低侧IGBT | LS | +15, −7.5 | 2 |
| 三个高边IGBT | HS-U, HS-V, HS-W | +15, −7.5 | 6 |
| 两个高边 Σ-Δ 调制器 | HS-V, HS-W | +5 | 2 |
| 总 | 4 | 10 |
虽然表1中的计算总共给出了10个电源轨,但确切的总数可能因电机驱动器的设计而异,在本应用笔记中并不重要。确切的数字不会影响提供这些导轨的技术。技术是本应用笔记的主题。
偏置电压的基本约束
提供这些偏置轨的任何方法都必须考虑一些基本要求。
隔离
在中高端电机驱动器中,处理器通常在安全超低电压 (SELV) 电源域中运行,以优化性能。与提供给普通音频设备或PC端口的电源类似,这些电压和电流水平足够低,因此不会被视为危险。不需要防止意外与人接触的预防措施。通过这种方式,无需安全隔离即可轻松访问处理器人机界面。然而,IGBT和电机相位通常在几百伏或更高的电压下工作,无论是相对于彼此还是相对于SELV功率域。因此,IGBT栅极、驱动器输出以及为其供电的偏置电压都是危险的。IGBT栅极电压域和供电的SELV电源域之间需要安全隔离,并且需要域本身之间的功能隔离。偏置电源变压器需要一个隔离式输出绕组,每个隔离电源域至少需要两个连接引脚。
除了电压的绝对幅度外,还必须考虑电机相位的共模压摆率(电压变化率或dV/dt)。图2是演示板IGBT驱动电机相位切换的观察结果。该测量显示压摆率为11 V/ns。偏置电压必须取决于此共模电压压摆,并且不得受到其干扰。

图2.电机相位电压波形。
在图2中,通道1是发射极,通道2是高端IGBT上的栅极,IGBT在正负载电流从发射极流出时导通。根据通道 1 光标测量,dV/dt 为 11 V/ns。
住
根据电机驱动算法,电机相位可能需要在某种状态(例如高压输出或低压输出)中停留相对较长的时间。特别是,某些空间矢量调制方案可能导致电机相位在几毫秒或更长时间内切换为高电平。偏置驱动器的某些方法(如自举)与这些调制方案不兼容。
电压调节
电压调节是隔离式电压转换器要求较低的性能标准之一。在大约 3:5 的负载电流范围内,栅极驱动器的输出电压必须保持在 ±10% 至 ±1% 以内,而该范围精度相对较低。Σ-Δ调制器的5 V输出需要±1%的电压调节,可通过低压差(LDO)稳压器(如ADP7118、ADP7102或ADP7104)提供。
产生偏置电压的方法
电阻源电荷泵是产生以电机相位为基准的偏置电压的较便宜的方法之一。在图3的示例中,电荷泵产生单个正电源轨。这在基本电机驱动器中可能就足够了;然而,它的耗散操作使其效率非常低。在需要更多电源轨或更高电流的情况下,损耗变得不可接受。

图3.电阻源电荷泵。
通常使用电阻源电荷泵,尽管效率低下。
电阻源电荷泵的优点是
来自两个变压器引脚的多个输出
组件成本低
良好的负载调整率
灵活的电压设定点
避免了自举的占空比限制
电阻源电荷泵的缺点是
效率极低
低输出电流能力
底部IGBT开启时无功率传输
当只需要15 V电压时,为低侧IGBT提供电压不是问题,而且这些低端IGBT永远不会长时间关闭,自举(如图4所示)可能是为高端驱动器供电的最佳方式,使用低端驱动器的偏置电源。

图4.启动。
自举程序被广泛使用,特别是在降压DC-DC电压转换中。强烈建议使用它们用于引导程序可以令人满意地工作的应用程序。
引导程序的优点是
避免多个变压器输出绕组
低成本
有效
引导的缺点是
低侧IGBT必须频繁导通才能为自举电容充电,这可能与空间矢量调制不兼容
产生负偏置电源轨更加困难
电荷泵宽高范围限制输出电流
基于变压器的技术是避免电荷泵和自举方法局限性的主要候选者。
应用反激式转换器产生电机驱动偏置
对于变压器具有低漏感的低功耗隔离转换器,反激式拓扑是最常见和最经济的选择。
然而,许多商用现成的反激式电源使用光耦合器将次级侧误差放大器的反馈提供给初级侧PWM控制器。这种方法有两个问题。
第一个问题是次级侧电压检测通常与转换器的一个主输出一起使用。次级侧电压检测可以为该主检测输出提供出色的电压调节(例如 1%)。但是,典型的电机驱动示例在 10 个隔离域中有 4 个输出。当负载电流变化施加到主检测输出时,另一个从属输出的电压调节通常会受到不利影响。这种效应通常称为交叉调节。
次级侧电压检测可以调节多个输出的加权组合;但是,这些输出通常必须全部位于一个隔离域中。这些检测输出的组合负载变化同样会对从属输出(例如其他隔离域中的输出)产生不利影响。在一个域中检测多个输出似乎并不能改善从属域或未感测域中的交叉调节。
第二个问题是,由于光电晶体管基极的电容和高增益,光耦合器往往会受到高共模dV/dt的不利影响。图2显示了驱动电机相位的IGBT发射极处的实际dV/dt;11 V/ns可能会干扰许多光耦合器的正常工作。光耦合器可以用更好的器件代替,例如ADuM3190。ADuM3190取代了通常用于隔离电源的光耦合器和次级侧基准电压源。它使用集成的微电子变压器来耦合隔离栅。它不受11 V/ns共模压摆率的干扰。
由于电机驱动栅极偏置电源转换器中有许多隔离输出,因此次级侧电压检测并不有利。
检测初级侧的反激式转换器输出
另一种选择是从初级侧的绕组检测变压器输出电压。初级检测反激式转换器可提供简单性和良好的输出电压调节。在次级侧检测转换器中,主输出受到严格调节,但从属(未检测)输出随检测输出上的负载而变化。在初级侧检测转换器中,检测输出负载是固定的,可能非常低;因此,从属输出不会因检测输出上的负载而发生变化。因此,使用初级侧电压检测时,所有输出的最差情况电压调节可能更好。在相当宽的负载电流范围内,±3%(近似)的负载调整率足以满足多种用途,包括典型的电机控制栅极驱动偏置功率要求。
通过改变变压器绕组的匝数来改变各个输出电压。也可以通过改变反馈网络或改变控制绕组的匝数来按比例改变所有输出电压。
初级侧电压检测还消除了次级侧基准和隔离反馈。它通常是一种更简单、更便宜的设计,具有更少的组件和更小的印刷电路板 (PCB) 尺寸。该技术已证明对跨越隔离栅的共模dV/dt具有良好的抗扰度。
图5显示了隔离式初级检测反激式电压转换器的拓扑结构。

图5.具有初级侧电压检测的多输出、隔离式反激式转换器的简化原理图。
当 Q主要关断时,控制绕组每圈提供与隔离输出相同的电压(在图 5 中变压器的右侧)。
RFF(100 Ω 至 500 Ω) 和 CF1(50 pF至300 pF)形成一个低通滤波器,可抑制来自D阳极交流输入波形的前沿电压尖峰F1.此峰值与 Q 一致主要关断是变压器漏感复数的函数。输出为 DF1尽可能轻地加载,该尖峰由 D 校正F1如果不抑制,会导致转换器电压调节显著下降。D的整流输出F1由 C 进行直流滤波F2.
C中的循环电荷F1是一个损失项;因此,C 的值F1必须最小化。使用最小 CF1,获得必要的低通滤波时间常数需要最大化R的值FF.(该时间常数的最佳值取决于变压器,但通常在10 ns至100 ns范围内。但是,R的目的FF是与 C 一起工作FF仅形成交流低通滤波器;R中的直流压降FF是一个错误术语,必须将其最小化。最小化这种直流压降需要选择 R是和 R佛罗里达州具有与ADP1621 PWM控制器IC的FB引脚输入偏置电流一致的最高实际阻抗。R是和 R佛罗里达州形成反馈分压器,与控制绕组配合使用以设置输出电压。
DF1必须是具有足够额定电压的小信号(10 mA 至 200 mA 额定电流)肖特基二极管。
另一个考虑因素是 C 的值F2,用于直流滤波。制作 CF2太大会使额外的极点进入反馈环路通带,并可能导致不稳定。为避免对反馈环路相位裕量产生负面影响,CF2必须尽可能小,与其直流滤波任务一致;10 nF 是典型值。
图 5 设计还包括偏见和 C偏见(这些是可选的)为控制器IC提供工作偏置电流,以便在采用12 V至48 V输入供电时获得最佳效率,并且没有高效的5 V初级侧偏置轨。请注意,尽管反馈可以从 D 得出偏见以便它执行双重功能,分离 D偏见和 DF1(DF1 上的最小负载)提供最佳电压调节。
结合反激式、SEPIC 和 Ćuk 拓扑
以下各节重点介绍反激式转换器的输出拓扑结构,并逐步介绍SEPIC和Ćuk输出电路,这是本应用笔记的主题。
图6显示了从反激式变压器产生两个输出的最常用方法。它简单高效,并根据每个绕组中的匝数提供独立的输出电压设定点。

图6.从反激式变压器产生多个输出电压的简单方法。
这种方法要求每个输出都有一个变压器引脚,公共连接需要一个变压器引脚。此要求对于产生大量输出是一个缺点。
这种方法的优点是
效率好
组件成本/数量低
良好的负载调整率
灵活的电压设定点
轻松产生负电压或正电压
这种方法的缺点是每个输出电压需要一个变压器引脚,公共点需要一个额外的引脚。
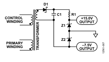
图 7 显示了一种具有不同权衡的方法。它仅使用两个变压器引脚作为隔离输出域。它使用线性或耗散手段来完成钢轨分割。它可以很好地调节;但是,其应用空间仅限于低输出电流。它是本应用笔记中讨论的反激输出电路架构中效率最低的,但从一个反激输出绕组产生多个电机驱动偏置电压。

图7.耗散轨分离。
所需的最大输出电流和最小齐纳偏置电流必须始终流过D1和R1。
耗散轨分离法的优点是
来自两个变压器引脚的多个输出
组件成本低
良好的负载调整率
灵活的电压设定点
耗散轨分离法的缺点是
效率低
低输出电流能力
在输出绕组之间增加一个耦合电容(如图8所示)可以改善具有相同匝数并产生相同电压幅度的两个直流输出之间的电压跟踪。耦合电容可有效中和变压器漏感对输出的影响,从而改善交叉调节。为了说明增加的耦合如何使反激输出调节受益,图9显示了使用PQ36内核变压器的3230 W离线反激式转换器的实验测试结果。

图8.SEPIC和Ćuk飞返改装。
图 8 的修改基于图 6。两个绕组的两端都连接到变压器引脚,负整流器移至绕组的另一端,并在输出绕组之间增加一个耦合电容。两个输出绕组必须具有相同的匝数。
图 8 修改的优点是
效率好
组件成本低
域内最佳交叉监管
图 8 修改的缺点是
每个域的每个输出需要两个变压器引脚
输出电压幅度必须相互匹配
| 荷载组合 | +12 V 输出 (A) | −12 V 输出 (A) |
| 1 | 0.01 | 0.50 |
| 2 | 0.01 | 0.02 |
| 3 | 0.10 | 0.02 |
| 4 | 0.10 | 0.01 |
| 5 | 0.20 | 0.01 |
| 6 | 0.50 | 0.02 |
| 7 | 0.50 | 0.01 |
| 8 | 1.00 | 0.01 |
| 9 | 2.00 | 0.02 |
| 10 | 2.00 | 0.01 |
| 11 | 3.00 | 0.02 |
| 12 | 3.00 | 0.01 |
图9显示了使用36 W±12 V输出反激式离线电源获得的测试数据。输出整流电路架构与图6类似;因此,它的工作原理类似,在证明耦合电容器的效果方面具有定性价值。输出整流器为SS2PH10(500 mA、−12 V输出)和SS5P10(3 A、+12 V输出)。使用相同的负载电流组合测量输出,无论是否连接耦合电容。在表2和图9中,结果根据不使用耦合电容时负输出的增加进行排序。反馈环路严格调节+12 V输出;因此,它在测试期间的变化可以忽略不计。

图9.双输出反激式电源的测试数据,输出绕组之间有和没有耦合电容。
省略电容后,测得的−12 V调节带为−12.8 V±13.7%。
连接电容后,−12 V调节带为−12.2 V±3.6%。
设计进程的下一步是使用一个或多个外部(分立或耦合)电感来代替一个或多个变压器输出绕组,如图10所示。

图 10.采用单个变压器绕组的双输出反激式电源。
图10所示的修改基于图8,用分立电感代替一个变压器绕组。−15 V输出为Ćuk输出。
图 10 修改的优点是
Good efficiency
组件成本低
提高负载调整率
一个变压器绕组提供多个输出,只有两个引脚
图 10 修改的缺点是
需要额外的分立电感器
输出必须产生相同的电压幅度
这种修改提供了与图6所示电路相似的性能,但减少了在一个隔离域中产生两个输出所需的变压器引脚数量(总共两个)。
图11显示了变压器绕组输出7.5 V的电机驱动应用。共同点连接为最负的;因此,整流变压器输出为7.5 V和15 V。 7.5 V为LDO稳压器供电以产生5 V电源轨,而15 V为单极性栅极驱动器供电。

图 11.双输出电源,隔离式门控驱动支持15 V,隔离调制器支持5 V。
两个输出不是限制。图12所示电路使用双绕组耦合电感(线艺LPD6235-473),串联连接三个相等整流输出,产生−7.5 V、+7.5 V和+15 V。这是图18所示的完整多输出反激式转换器设计中使用的架构。

图 12.三路输出电源,隔离式门控驱动支持15 V和7.5 V,隔离调制器电路支持7.5 V。
图11设计与图9类似,但在演示板中产生7.5 V和15 V电压。7.5 V为5 V输出LDO稳压器供电,以运行模数转换器(ADC)。
图12的设计与图10类似,但使用耦合电感从一个变压器绕组产生三个输出轨。+15 V电源轨用于栅极导通驱动;+7.5 V电源轨为+5 V LDO稳压器供电;−7.5 V电源轨用于栅极关断驱动。
图12所示偏置转换器的负载和交叉调节是在15 mA至7 mA负载范围内针对+5 V和−5.200 V输出测量的。图13和图14显示了计算结果和图形结果,表明该拓扑能够在至少40:1的负载电流范围内保持良好的输出电压容差。

图 13.测得的−7.5 V输出电压调节与−7.5 V和+15 V负载电流变化的关系(电路如图12所示)。

图 14.测得的+15 V输出输出电压调节与−7.5 V和+15 V负载电流变化的关系(电路如图12所示)。
| 输出 (V) | 测试电流范围 (mA) | 中心点 (V) | 公差 (%) |
| +15 | 5 到 200 | 14.64 | ±3.0 |
| −7.5 | 5 到 200 | 7.326 | ±3.6 |
电路理论与拓扑比较说明
反激式、SEPIC和Ćuk转换器都是降压或升压转换器。它们通过在输入电压上切换绕组以将能量存储在磁芯中,然后在输出端切换相同或其他绕组以提供能量来转换功率。(降压、升压和其他拓扑在重要方面有所不同,通常不适合多个输出。由于它们都具有相同的基本工作模式,因此电压和占空比均基于电感器上的伏秒平衡和通过电容器的电荷平衡。一旦考虑了任何匝数比,操作公式就是相同的。各种降压或升压拓扑的基本模块可以以多种方式组合,能够产生在宽电流范围内良好跟踪的比例输出电压。
以下是控制降压-升压转换器连续导通模式(CCM)和非连续导通模式(DCM)操作的一些相关方程式。
CCM电压转换的公式为:

其中 D 是占空比。
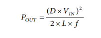
DCM 总输出功率(瓦特)的公式为

其中:
f 是频率。
L是总并联电感,单位为亨利。
DCM电压转换为阻性负载的公式为:

其中 R 是负载电阻,以欧姆为单位。
关于电感,在这些SEPIC和Ćuk相关设计中,耦合电容器充当开关频率交流电流的短路。对于前面的公式,请考虑变压器和输出电感是并联的。对于耦合电感器(一个磁芯上匝数相同的两个或多个绕组),绕组或两个(或全部)并联(同相连接)的电感相同。这通常是耦合电感的公开电感值。
如图10、图11或图12所示,并联多个独立的电感器或变压器(直流或交流耦合)时,多个并联电感的有效电感值由以下公式确定:

在反激式变压器中,铁芯磁通连接所有绕组,并在任何时候在所有绕组中每圈产生相同的伏特。这方面允许通过监视其中一个输出产生的电压来调节多个输出。漏感是与一个绕组串联作用且不与其他绕组共享的电感。它使绕组去耦,通常在反激式变压器的设计中最小化。相比之下,耦合电感可以设计为最小漏感,也可以设计为具有特定的漏感。一些专为最小漏感而设计的耦合电感器可以很好地用作反激式变压器;但是,其他不是为最小漏感而设计的则不能很好地工作。
绕组的总电感L是互感L之和M,以及漏感,Ls:

绕组的互感,LM,是总电感 L 与耦合系数 k 的乘积:

变压器通常在初级和次级绕组之间具有安全隔离,而耦合电感器通常没有;但是,两者都有例外。
SEPIC和Ćuk转换器可以使用磁耦合良好或很少的耦合电感,或没有磁耦合的分立电感。能量传输主要或完全依赖于耦合电容器。电容耦合绕组之间的电压缩放不受绕组漏感的显著影响;但是,为了正常工作,耦合电感器必须具有一定的漏感,以保持连续或准连续电流,并允许耦合电容器驱动交流电压波形。低漏感会增加获得远低于反馈环路单位增益交越的LC谐振频率所需的电容尺寸。使用耦合电感器而不是分立电感器的主要优点是元件成本和PCB面积的经济性。
在本应用笔记的示例中,反激式变压器提供隔离。匝数比为1:1(也可以使用其他比率)。初级绕组和次级绕组之间需要低漏感,因为任何反激式绕组都需要低漏感。然而,当SEPIC或Ćuk耦合在一个隔离域中连接多个输出时,域内的电流波形和电压交叉调节标准变得类似于SEPIC和Ćuk转换器。
组合反激式、SEPIC和Ćuk转换器的设计考虑因素
首先设计反激式转换器。确定绕组输出电压(例如7.5 V或15 V),然后将总输出功率参考一个输出进行总功率计算。
例如,如果电流和功率要求如表4所示,则变压器和控制装置可以设计为单输出:1.5 W/7.5 V = 200 mA。
| 输出轨 | 伏 | 安培 | 瓦 |
| V1 版 | +7.5 | +0.05 | 0.375 |
| V2 版 | +15 | +0.06 | 0.9 |
| V3 版 | −7.5 | −0.03 | 0.225 |
| 总 | 不適用 | 不適用 | 1.5 |
工作频率与变压器、电感器和陶瓷电容器的尺寸有关。虽然较高的工作频率通常与尺寸减小有关,但超过200 kHz至400 kHz的频率可能会增加损耗并降低变压器漏感引起的电压调节。
最小实际漏感不会继续与变压器设计频率成反比。泄漏电感中储存的能量,L × I2/2,通常被浪费;由于功率是频率×能量,因此通过漏感的功率损耗与频率成比例。
除了功率电平和频率外,变压器引脚排列和安全间距是通常决定最小变压器尺寸的其他因素。选择PQ2625便于手动缠绕Rubade多层特氟龙安全绝缘线。该设计的工作频率为 200 kHz。
以下是有关变压器和电源转换器设计的注意事项:
对于图13、图14和表3中的波形示例,这两个图中的占空比约为56%。在如此大的占空比(接近并超过50%)下,稳定的CCM运行需要更多的斜率补偿。斜率补偿是在电流模式PWM控制器IC使用的电流斜坡上增加一个电压斜坡。低于45%的占空比通常需要较少或不需要斜率补偿,并且易于控制。20%至45%的占空比往往是最简单的。该演示电路具有12 V输入、7.5 V输出、肖特基二极管和1:1匝数比,占空比约为40%。
在采用肖特基输出整流器的尺寸和功率优化的反激式变压器中,连续导通模式(CCM)通常可提供最佳效率。峰值变压器磁通密度必须低于0.2 T至0.22 T,峰值负载和最小输入电压,以避免变压器发热时铁芯饱和。交流峰峰值磁通密度必须尽可能高,但受到可接受的磁芯损耗的限制;因此,本应用笔记中的设计始于Ferroxcube 0F05铁氧体在0 kHz时的交流峰峰值磁通密度极限为07.200 T至3.3 T。
在本应用笔记的示例中,使用PQ2625内核时,最小尺寸不是关键要求。该变压器的设计便于手工施工,漏感低,铁芯损耗合理,爬电距离和间隙距离足够。主要的权衡是内核明显大于功率水平所需的。初级、次级和输出绕组都只有四圈。通过这几圈,无法获得CCM所需的电感;因此,核心组件用厚垫片(0.001英寸或0.025毫米)密封,该垫片由聚酯薄膜切割而成。所有绕组中产生的电感约为28 μH。转换器在负载到正常限值时以非连续导通模式 (DCM) 工作。请注意,可以通过增加匝数来实现所需的电感;然而,增加匝数会显著增加漏感,因此是一种糟糕的权衡。
在多输出反激式转换器中,如图15所示,变压器中的总安培匝数可以是连续的;但是,各个绕组中的电流必须瞬时变化,以保持波形保真度和电压调节。变压器绕组中的低漏感至关重要。本例的变压器匝数比为 1:1:1:1,理想化二极管和 12 V 直流输入。

图 15.双输出反激式转换器变压器绕组电流和电压。
在正常的反激式中,所有绕组共享一个磁芯,磁芯磁通量与总安培×匝积成正比,按磁路磁阻的倒数缩放。当使用单独的电感时,结果是一个单独的(非共享)磁芯。耦合电容器阻断变压器绕组和电感器之间的任何直流电流,因此只有交流电流在两个磁性元件之间通过。电容值足够大,交流电流仅在电容两端产生很小的纹波电压。电容器充当交流短路,在电路操作的简单分析中可以忽略其纹波电压。
在图15所示的普通反激式示例中,当晶体管导通时,变压器输出绕组不传导电流。反激式和 Ćuk 组合式转换器(或任何组合拓扑结构)中的变压器并非如此,因为输出绕组需要通过耦合电容器驱动 L1 和任何其他电感器。结果是变压器输出绕组波形包括输出二极管电流和电感磁化电流的分量。初级绕组电流波形类似于普通反激式波形,电感是所有磁性结构并联组合的电感。在图12示例中,变压器电感的测量值约为28 μH。线艺 LPD6235 耦合电感同样具有 47 μH;因此,转换器的行为类似于反激式,变压器电感等于并联等效值17.5 μH。
在这种组合式反激式Ćuk转换器(如图16所示)中,低变压器漏感对于高效能量传输仍然至关重要,但它对一个电压域中输出之间的交叉调节的影响很小。二极管D2电流的关键交流分量通过电容器C3而不是电感L1。临界杂散电感是通过D1和C1的路径以及C3和D2的路径测量的。仔细的PCB布局必须使这种杂散电感远低于最小漏感,这可以在正常反激式使用的良好变压器中获得。

图 16.双输出反激式转换器变压器绕组电流和电压,适用于单次级拓扑。
根据电感、磁芯损耗、直流电阻和饱和电流选择外部电感。通常,如果电感中的峰峰值纹波电流在50 kHz至100 kHz的频率范围内接近饱和电流额定值,则磁芯损耗过大。如果可能,请使用线艺等电感器制造商提供的磁芯损耗计算器。在给定尺寸下,匝数越小的导线提供更高的电感,可以降低纹波电流和磁芯损耗,但会降低直流饱和电流并增加直流电阻。
在图10中,L1中的直流电流为−15 V输出电流。在图11中,直流电感电流为+15 V输出电流。
在图12中,耦合电感的一侧传导+15 V输出电流,另一侧传导−7.5 V输出电流。为了确定直流磁芯激励,将这两个幅度相加。它不是共模扼流圈。
线艺和库珀提供一些小尺寸耦合电感器(如线艺LPD6235),这些电感器往往是单源的。12 mm 方形耦合电感器由 Pulse、Wurth、Cooper 和 Coilcraft 等制造商制成,采用可互换封装。
必须首先选择耦合电容值,以使平均电荷相对于循环电荷较大(等于I外/开关频率)。然后,计算电荷/电容以找到纹波电压,纹波电压不得超过直流伏特的一小部分;5% 是一个很好的最大值。请注意,陶瓷电容器在焊接后会随着施加的电压和时间而损失大量电容;因此,陶瓷电容额定值要非常保守。(村田制作所提供了绘制这些系数的在线工具。对于采用小型封装的高 C × V 额定值的器件,这种随施加电压而损失的电容尤其如此。输出电容和耦合电容使用相同的电容额定值通常很方便。
图17显示了使用带线轴扩展器的PQ2625 3F3的变压器,爬电距离为10 mm。这是图18所示转换器中使用的变压器。

图 18.完整转换器的原理图。
| 项目 | 参考标志 | 价值 | 描述 |
| 1 | C1 | 100 微氟 | 尼吉康UCL1C101MCL6GS |
| 2 | C2 | 1.00E-05 | 16 V, X5R, 1206 |
| 3 | C3 | 10 nF | 50 V, X7R, 0603 |
| 4 | C4 | 100 pF | 50 V, NP0, 0603 |
| 5 | C5 | 2.2 微法 | 0805, X5R, 25 V |
| 6 | C6 | 1.0 微法 | 16 V, X5R, 0603 |
| 7 | C7 | 1.0 微法 | 16 V, X5R, 0603 |
| 8 | C8 | 10 nF | 50 V, X7R, 0603 |
| 9 | C9 | 100 pF | 50 V, NP0, 0603 |
| 10 | C10 | 不要放置 | 不要放置 |
| 11 | C11 | 100 pF | 50 V, NP0, 0603 |
| 12 | C12 | 2.2 微法 | 0805, X5R, 25 V |
| 13 | C13 | 100 nF | 50 V, X7R, 0603 |
| 14 | C14 | 2.2 微法 | 0805, X5R, 25 V |
| 15 | C15 | 2.2 微法 | 0805, X5R, 25 V |
| 16 | C16 | 2.2 微法 | 0805, X5R, 25 V |
| 17 | C17 | 2.2 微法 | 0805, X5R, 25 V |
| 18 | C18 | 2.2 微法 | 0805, X5R, 25 V |
| 19 | C19 | 2.2 微法 | 0805, X5R, 25 V |
| 20 | C20 | 2.2 微法 | 0805, X5R, 25 V |
| 21 | C21 | 2.2 微法 | 0805, X5R, 25 V |
| 22 | C22 | 100 pF | 50 V, NP0, 0603 |
| 23 | C23 | 2.2 微法 | 0805, X5R, 25 V |
| 24 | C24 | 2.2 微法 | 0805, X5R, 25 V |
| 25 | C25 | 2.2 微法 | 0805, X5R, 25 V |
| 26 | C26 | 2.2 微法 | 0805, X5R, 25 V |
| 27 | C27 | 100 pF | 50 V, NP0, 0603 |
| 28 | C28 | 2.2 微法 | 0805, X5R, 25 V |
| 29 | C29 | 2.2 微法 | 0805, X5R, 25 V |
| 30 | C30 | 2.2 微法 | 0805, X5R, 25 V |
| 31 | C31 | 2.2 微法 | 0805, X5R, 25 V |
| 32 | C32 | 2.2 微法 | 0805, X5R, 25 V |
| 33 | C33 | 2.2 微法 | 0805, X5R, 25 V |
| 34 | C34 | 2.2 微法 | 0805, X5R, 25 V |
| 35 | C37 | 2.2 微法 | 0805, X5R, 25 V |
| 36 | D2 | MBR0560 | 微商业 |
| 37 | D3 | MBR0560 | 微商业 |
| 38 | D4 | MBR0560 | 微商业 |
| 39 | D5 | MBR0560 | 微商业 |
| 40 | D6 | MBR0560 | 微商业 |
| 41 | D7 | MBR0560 | 微商业 |
| 42 | D8 | MBR0560 | 微商业 |
| 43 | D9 | LL101A | 维沙伊 |
| 44 | D12 | MBR0560 | 微商业 |
| 45 | D13 | MBR0560 | 微商业 |
| 46 | D15 | MBR0560 | 微商业 |
| 47 | D16 | LL103A | 维沙伊 |
| 48 | D17 | MBR0560 | 微商业 |
| 49 | D20 | MBR0560 | 微商业 |
| 50 | L2 | LPD6235-473 | 线艺 |
| 51 | L3 | LPD6235-473 | 线艺 |
| 52 | L4 | LPD6235-473 | 线艺 |
| 53 | L5 | LPD6235-473 | 线艺 |
| 54 | 第一季度 | IRLML0060 | 国际整流器 |
| 55 | R1 | 不要放置 | 不要放置 |
| 56 | R2 | 0.033 Ω, 5% | 0805, 苏苏木 |
| 57 | R3 | 499 kΩ, 1% | 0603 |
| 58 | R4 | 100 kΩ, 1% | 0603 |
| 59 | R5 | 100 kΩ, 1% | 0603 |
| 60 | R6 | 10欧姆,1% | 0603 |
| 61 | R7 | 10欧姆,1% | 0603 |
| 62 | R8 | 357欧姆,1% | 1206 |
| 63 | R9 | 619欧姆,1% | 1206 |
| 64 | R10 | 2.00E+04 | 1206 |
| 65 | R11 | 8.2 Ω, 5% | 1206 |
| 66 | R12 | 200欧姆,1% | 0603 |
| 67 | R13 | 不要放置 | 1206 |
| 68 | R14 | 不要放置 | 1206 |
| 69 | R15 | 不要放置 | 1206 |
| 70 | R16 | 不要放置 | 1206 |
| 71 | R17 | 4.99 kΩ, 1% | 0603 |
| 72 | R18 | 35.7 kΩ, 1% | 0603 |
| 73 | R19 | 10 kΩ, 1% | 0603 |
| 74 | R20 | 35.7 kΩ, 1% | 0603 |
| 75 | R21 | 10 kΩ, 1% | 0603 |
| 76 | T1 | 变换 | 在文本中描述 |
| 77 | U1 | ADP1621ARMZ | 10 引脚 MSOP |
| 78 | U2 | ADP7118AUJZ-5.0 | 5 针 TSOT |
| 79 | U3 | ADP7118AUJZ-5.0 | 5 针 TSOT |
结论
本应用笔记概述了为工业电机驱动器中的高边和低侧栅极驱动以及隔离电流检测IC生成隔离偏置电源的不同方法。本文讨论了电荷泵和自举电源等方法的优点和局限性,结论是变压器隔离拓扑在效率、灵活性和安全屏障方面具有明显的优势。反激式拓扑非常适合这些偏置电源的多输出特性;然而,用于具有多路输出或耗散轨分离的栅极驱动器偏置电源的标准反激式转换器解决方案分别存在变压器引脚使用率高和效率低的限制。此外,典型的次级检测调节方法存在较差的交叉调节问题。提出了有助于减轻这些限制的解决方案:初级侧检测,这极大地改善了整体交叉调节;在绕组之间增加次级侧耦合电容,以进一步改善调节;以及用分立或耦合电感器替换变压器绕组,以减少变压器引脚排列要求。演示了交叉调节的结果,并提供了耦合电感输出版本的完整原理图和物料清单。分立电感器版本也在全三相逆变器平台上实现,该平台以高达 3 V 的直流总线运行。
审核编辑:郭婷
上一篇:PLC故障常见原因分析