时间:2023-06-06 12:38
人气:
作者:admin
一、三相异步电动机的降压启动控制
1、三相异步电动机的Y-△降压启动控制
将三相异步电动机的Y-△降压启动的继电接触器控制改造为PLC控制系统.
(1)确定I/O信号、画PLC的外部接线图
(a)主电路


(b)PLC的I/O接线图
(2)设计三相异步电动机的Y-△降压启动梯形图

电动机的Y-△降压启动控制的梯形图
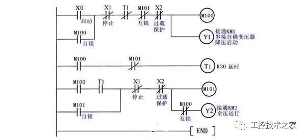
2.三相异步电动机的串自耦变压器降压启动控制
将串自耦变压器降压启动的继电接触器控制改造为PLC控制系统 :
(1)确定I/O信号、画PLC的外部接线图
PLC的输入信号:启动按钮SB1,停止按钮SB2,热继电器常开触点FR。
PLC的输出信号:运行接触器KM2、串接自耦变压器接触器KM1。


(a)主电路(b)PLC的I/O接线图
(2)设计三相异步电动机的串自耦变压器降压启动梯形图

三相异步电动机的串自耦变压器降压启动控制梯形图
二、三相绕线式异步电动机的控制
1.三相绕线式异步电动机串电阻启动控制
将绕线式异步电动机串电阻启动的继电接触器控制线路改造为PLC控制系统 :
(1)确定I/O信号、画PLC的外部接线图
PLC的输入信号:启动按钮SB1,停止按钮SB2,热继电器常开触点FR。
PLC的输出信号:电源接触器KM、短接R1接触器KM1、短接R2接触器KM


(a)主电路(b) PLC的I/O接线图
2.三相绕线式异步电动机串频敏变阻器启动电路
将绕线式异步电动机串频敏变阻器启动的继电接触器控制线路改造为PLC控制系统 :
(1)确定I/O信号、画PLC的外部接线图
PLC的输入信号:启动按钮SB1,停止按钮SB2,热继电器常开触点FR。
PLC的输出信号:运行接触器KM1、短接频敏变阻器接触器KM2、接入热继电器的中间继电器KA。


(a)主电路(b) PLC的I/O接线图
(2)设计三相绕线式异步电动机串频敏变阻器启动梯形图

三相绕线式异步电动机串频敏变阻器启动梯形图
三、自动往返控制
将自动往返控制的继电接触器控制线路改造为PLC控制系统 :
(1)确定I/O信号、画PLC的外部接线图
PLC的输入信号:正转启动按钮SB1,反转启动按钮SB2,停止按钮SB3,热继电器常开触点FR、正向前进限位开关SQ1、反向后退限位开关SQ2、前进极限限位开关SQ3、后退极限限位开关SQ4。
PLC的输出信号:正向运行接触器KM1、反向运行接触器KM2。
自动往返控制的示意图


(a)主电路(b) PLC的I/O接线图
(2)设计梯形图

自动往返控制的梯形图
四、梯形图经验设计法
(一)PLC控制系统梯形图的特点
(1)PLC控制系统的输入信号和输出负载:继电器电路图中的交流接触器和电磁阀等执行机构用PLC的输出继电器来控制,它们的线圈接在PLC的输出端。按钮、控制开关、限位开关、接近开关等用来给PLC提供控制命令和反馈信号,它们的触点接在PLC的输入端。
(2)继电器电路图中的中间继电器和时间继电器的功能用PLC内部的辅助继电器和定时器来完成,它们与PLC的输入继电器和输出继电器无关。
(3)设置中间单元:在梯形图中,若多个线圈都受某一触点串并联电路的控制,为了简化电路,在梯形图中可设置用该电路控制的辅助继电器,辅助继电器类似于继电器电路中的中间继电器。
(4)时间继电器瞬动触点的处理:除了延时动作的触点外,时间继电器还有在线圈得电或失电时马上动作的瞬动触点。对于有瞬动触点的时间继电器,可以在梯形图中对应的定时器的线圈两端并联辅助继电器,后者的触点相当于时间继电器的瞬动触点。
(5)断电延时的时间继电器的处理。FX系列PLC没有相同功能的定时器,但是可以用线圈通电后延时的定时器来实现断电延时功能。
(6)外部联锁电路的设立。为了防止控制正反转的两个接触器同时动作,造成三相电源短路,除了在梯形图中设置与它们对应的输出继电器的线圈串联的常闭触点组成的软互锁电路外,还应在PLC外部设置硬互锁电路。
(7)热继电器过载信号的处理:如果热继电器属于自动复位型,则过载信号必须通过输入电路提供给PLC,用梯形图实现过载保护。如果属于手动复位型热继电器,则其常闭触点可以接在PLC的输出电路中与控制电动机的交流接触器的线圈串联。
(8)外部负载的额定电压:PLC的继电器输出模块和双向晶闸管输出模块,一般只能驱动额定电压AC 220V的负载,如果系统原来的交流接触器的线圈电压为380V时,应将线圈换成220V的,或在PLC外部设置中间继电器。
(二)经验设计法
以上实例编程使用的方法为“经验设计法”。顾名思义,“经验法”是依倨设计者的经验进行设计的方法。
1.经验设计法的要点
(1)PLC的编程,从梯形图来看,其根本点是找出符合控制要求的系统各个输出的工作条件,这些条件又总是用机内各种器件按一定的逻辑关系组合实现的。
(2)梯形图的基本模式为启-保-停电路。每个启-保-停电路一般只针对一个输出,这个输出可以是系统的实际输出,也可以是中间变量。
(3)梯形图编程中有一些约定俗成的基本环节,它们都有一定的功能,可以像摆积木一样在许多地方应用。
2.“经验法”编程步骤
(1)在准确了解控制要求后,合理地为控制系统中的事件分配输入输出口。选择必要的机内器件,如定时器、计数器、辅助继电器。
(2)对于一些控制要求较简单的输出,可直接写出它们的工作条件,依据启-保-停电路模式完成相关的梯形图支路。工作条件稍复杂的可借助辅助继电器。
(3)对于较复杂的控制要求,为了能用启-保-停电路模式绘出各输出口的梯形图,要正确分析控制要求,并确定组成总的控制要求的关键点。
(4)将关键点用梯形图表达出来。关键点总是用机内器件来表达的,在安排机内器件时需要合理安排。绘关键点的梯形图时,可以使用常见的基本环节,如定时器计时环节、振荡环节等。
(5)在完成关键点梯形图的基础上,针对系统最终的输出进行梯形图的编绘。使用关键点综合出最终输出的控制要求。
(6)审查以上草绘图纸,在此基础上,补充遗漏的功能,更正错误,进行最后的完善。
审核编辑:汤梓红
下一篇:plc输入输出的运行原理