时间:2023-05-17 12:22
人气:
作者:admin
基于温度的风扇控制在越来越多的系统中是必要的,既可以降低系统噪音,又可以提高风扇可靠性。当风扇控制通过风扇速度监控增强时,可以实现独立于制造差异和风扇磨损的速度控制回路。此外,可以识别即将发生故障的风扇,以便在发生故障之前对其进行更换。本文讨论MAX6650和MAX6651这两款具有线性闭环风扇速度控制的风扇控制器的工作原理。
介绍
随着IC设计人员努力将更多以更高速度运行的晶体管放入更小的封装中,结果只有一个:热量!再加上这些高功率IC被设计成不断缩小的盒子,你最终会遇到一个真正的热管理问题。对于许多应用,这意味着使用风扇。不幸的是,随着风扇的使用,机械故障、功耗增加和噪音增加等常见的风扇头痛。风扇速度控制和监控可以缓解其中一些头痛,从而产生更安静、更可靠的风扇,使用更少的功率。
无刷直流风扇
在我们进入监管和监控风扇的主题之前,我们首先需要了解风扇本身。无刷直流风扇往往是大多数电子外壳的首选解决方案。这些风扇将高可靠性与易用性相结合。基本的直流无刷风扇是一个 2 线设备,在其上施加直流电压。仅此而已。最简单的系统冷却方法是将风扇连接到直流电源并让它运行。快速浏览风扇目录会发现,可以使用标称 5V、12V、24V 或 48V 工作的风扇。目前,12V风扇似乎是使用最广泛的。随着越来越多的系统设计没有12V电源,5V风扇可能会变得更加普遍。在电信应用中,48V风扇特别受欢迎。
无刷直流风扇被称为“无刷”,因为风扇内的电动机是电子换向的。较旧的直流风扇使用机械刷,由于整个系统的机械磨损,这可能会导致电磁干扰 (EMI) 增加以及灰尘颗粒。随着时间的推移,风扇会磨损并最终失效。无刷风扇已经用电子传感器和开关取代了这些机械电刷,现在执行必要的换向。该换向电路安装在风扇本身内,对用户完全透明。最终结果是一个简单易用、可靠的2线器件。这大大提高了这些风扇的使用寿命和可靠性。
对于最终用户来说,直流无刷风扇的电气特性相当简单。随着施加到风扇的直流电压的变化,其速度和电流消耗也会变化。对于一阶,速度和电流与施加的直流电压成正比。参见图 1 和图 2。

图1.风扇电流与风扇电压的关系(12V 额定风扇)。

图2.风扇速度与风扇电压的关系(12V 额定风扇)。
风扇监控选项
尽管无刷换向在提高风扇的使用寿命和可靠性方面取得了长足的进步,但它们仍然是机械设备,容易出现机械磨损和故障。随着时间的推移,风扇速度和冷却效率会慢慢降低或完全失效。这就是为什么持续监控风扇状况很重要的原因。大多数风扇制造商都提供了多种方法来做到这一点。这些选项大致分为两类:报警传感器和速度传感器。报警传感器通常发出数字信号,指示风扇已降至某个速度阈值以下或已完全停止。例如,依必安派特公司提供了一个选项,每当风扇速度下降到其标称速度的75%至85%时,就会产生一系列低调的数字脉冲。NMB Technologies提供了一个略有不同的选项,称为“锁定转子报警信号”。每当风扇完全停止旋转时,此信号就会变高。
制造商还提供带有速度传感器的风扇,这些传感器提供数字输出,其频率与风扇速度成正比。最常见的速度传感器每转提供两个脉冲。根据制造商和提供的选件,速度和报警传感器都可以订购集电极开路或内部上拉输出。内部上拉输出可以与TTL兼容,也可以摆动风扇的全电源电压。图3显示了依必安派特公司提供的输出级。需要注意的是,报警和速度传感器与电机及其换向电子设备共享相同的电源电压。为控制风扇速度而对电源电压的任何变化也会影响换向电子设备和速度/报警传感器。

图 3a.该速度传感器输出为集电极开路,具有弱上拉电阻,不一定与TTL兼容。

图 3b.连接到该速度传感器输出的齐纳二极管可确保TTL兼容性。

图 3c.这种集电极开路速度传感器输出可实现最大的灵活性,但只需一个外部上拉电阻器。
为什么要使用速度控制?
为应用选择风扇时,必须针对最坏情况进行设计。这意味着选择能够移动足够空气的风扇,以保持系统充分冷却,即使在最坏的环境温度、功耗、风扇生产公差和风扇老化的情况下也是如此。现实情况是,该系统将在最坏的情况下花费大部分时间。在这一点上,应该很明显的是,在大多数情况下,风扇速度可以降低而不会对系统产生不利影响,并且只有在条件需要时才增加。不太明显的是为什么要打扰风扇速度控制呢?
降低可闻噪音
风扇速度控制最明显的优势之一是缓解您的耳朵。全速运行的风扇可能是一个重要的烦恼来源,特别是对于在安静的办公环境中使用的设备。大多数办公室的温度通常明显低于电子设备的设计运行温度,这意味着可以降低风扇速度而不会产生不利影响,这让听觉距离内的每个人都松了一口气。
降低功耗
笔记本电脑等应用将受益于降低的功耗。图 4 显示了三种不同风扇的典型功耗与风扇速度的关系。功耗可以近似为风扇速度的平方。以图4中的日本电产风扇为例,在69V时将风扇速度降低到标称值的12%,可将功耗降低一半。

图4.功耗与风扇速度的关系。
延长使用寿命
降低风扇速度也会减少风扇的磨损。风扇磨损是风扇绝对转数的粗略函数。减少磨损意味着更长的使用寿命,因此平均故障间隔时间 (MTBF) 更长。由于风扇是机械的,因此它们往往是系统中最常见的故障之一。任何可以改善风扇MTBF的措施也会导致终端设备中的MTBF显着增加。这在服务器和网络设备等系统中尤其重要。
减少堵塞
任何打开旧设备的人都知道,灰尘似乎被电子产品所吸引,尤其是在带有风扇的系统中。当灰尘聚集在带有风扇的系统的入口和排气口时,气流可能会减少或完全停止。当然,这会导致冷却减少和温度升高。降低风扇速度可以降低系统收集灰尘的速度,从而延长系统的使用寿命。
速度控制方法
现在我们更好地了解了直流无刷风扇、它们的可用选项以及速度控制的好处,我们将研究三种控制速度的方法。每种方法在成本与性能方面都进行了权衡。
直接脉宽调制
脉宽调制 (PWM) 风扇直接涉及以固定频率打开和关闭风扇的电源。进行占空比调整以控制风扇的速度。占空比越大,风扇旋转得越快。为此方法选择合适的频率可能有些棘手。如果PWM信号的频率太慢,风扇的速度将在PWM周期内明显振荡。为了说明这一点,请采用50%占空比,0.01Hz驱动信号的荒谬极端。风扇将在前 50 秒内全速旋转,然后在接下来的 50 秒内停止。频率也可能太高,因为换向是使用关闭风扇正负端子的电路以电子方式完成的。将PWM与风扇一起使用,因此内部换向电子设备过快会导致内部换向电子设备停止正常工作。请记住,这些电子设备并非设计用于使用直流电源以外的任何东西。因此,有用频率范围为20Hz至160Hz。此外,PWM上升和下降时间必须足够慢,以确保风扇的长期可靠性。
与所有事情一样,直接应用PWM有其优点和缺点。优点包括非常简单的驱动电路(见图8a和8b)、良好的启动特性以及调整管的最小散热。缺点包括风扇压力增加以及无法使用速度或警报传感器。请注意,速度和报警传感器的电源电压与电机相同。由于电源电压以20Hz至160Hz的速率上电和关闭,因此速度和报警电路也会上下电,从而有效地使速度和报警传感器失效。
在PWM控制期间,施加到风扇的电压是其额定电压(12V风扇为12V)或0V。但是,由于风扇以低于其额定速度的速度旋转(请记住,这就是整个想法),因此其反电动势会降低。这会导致在PWM周期的导通期间流过绕组的电流高于标称值。尽管风扇设计用于处理增加的电流,例如在启动期间,但在风扇的使用寿命内,每秒 30 次的电流增加可能会导致负面的可靠性问题。但即使有这些缺点,PWM控制也可能是低成本非关键应用中的合适解决方案。
线性调节
顾名思义,“线性调节”通过使用线性稳压器来调节风扇两端的直流电压。使用此方法时,请务必确保风扇指定为在很宽的电压范围内工作。与PWM相比,线性调节的一个主要优点是它允许使用速度和报警传感器。不幸的是,线性调节也有其缺点:主要是调整元件的功耗,以及启动和失速问题。
线性稳压器控制风扇两端的直流电压。他们通过以热量的形式耗散功率来做到这一点。为了冷却某些东西而产生热量似乎很愚蠢。但这并不像你想象的那么荒谬。在最大和最小冷却期间,理想情况下功耗为零。在最大冷却期间,调整元件完全开启,因此其两端的电压几乎为零。零伏意味着零功耗。在最小冷却期间,调整元件关闭(零电流流过),因此功耗再次为零。如前所述,风扇的电流消耗可以近似为所施加电压的线性函数,使其看起来是电阻性的。考虑到这一点,最坏情况下的功耗大约发生在风扇两端的电压是其最大工作电压的一半时。参见图 5。这意味着通过元件中的最坏情况功耗可以通过以下公式估算:P = 1/4(V.MAX× I.MAX),其中我.MAX和 V.MAX分别是风扇的额定电压和电流。例如,当采用1V电源以2V工作时,12.98W风扇(300V/6mA)在调整元件上的最差功耗仅为12mW。令人欣慰的是,风扇电路的最大散热发生在最低冷却要求期间。此外,即使使用功耗设备,当风扇速度降低时,总体上仍可节省功耗。参见图 6。

图5.线性稳压器调整元件的功耗与风扇电源电压的关系

图6.线性调节风扇电路的总功耗。
启动和停顿问题是相关的。风扇在启动之前需要一定的电压。这称为“启动电压”。一旦风扇已经旋转,将电压降低到失速电压以下将导致风扇停止。启动电压等于或(通常)大于失速电压。通常它们是风扇额定电压的 25% 到 50%。当使用线性调节而不进行速度监控时,无法知道风扇是否已经停止甚至启动。
此问题有几种解决方案。一种是防止风扇两端的电压低于启动电压。虽然这在软件中很容易实现,但选择正确的电压以确保所有风扇正确启动并考虑老化可能会限制速度控制的有用范围。您可能必须选择标称值为 60% 的最小最坏情况电压,以确保所有风扇都能启动。考虑到普通风扇可能很容易控制在 40% 以上,这可能是浪费。另一种解决方案是使用带转速表的风扇。转速表现在可以通过微控制器进行监控,允许软件知道风扇何时未启动或是否停止。尽管这种方法更加健壮且浪费更少,但它需要设计时间和额外的硬件/软件资源。
直流-直流调节
DC-DC调节类似于线性调节,因为它通过调节风扇两端的直流电压来控制风扇的速度。但是,与线性稳压器不同,DC-DC稳压器使用开关模式电源。由于这两种方法都通过调节直流电压来控制速度,因此它们往往具有相同的优点和缺点。然而,一个例外是DC-DC稳压器理想情况下效率为100%,并且不会产生任何热量(实际效率往往约为75%至95%)。这种效率的代价是增加了成本和复杂性(见图8e和8f)。尽管 DC-DC 稳压器往往效率更高,但在全风扇速度下,不会真正节省功耗(参见图 7)。只有当风扇速度从最大值降低时,使用 DC-DC 稳压器才能获得真正的收益。当风扇两端的电压是最大可用电压的一半时,就会产生最大的效率优势。发生这种情况的原因与线性稳压器在电源电压的一半相同时耗散其最大值的原因相同。由于 DC-DC 转换器的成本和复杂性增加以及节能有限,DC-DC 稳压器通常保留用于电池供电系统或使用大功率风扇或大量风扇的系统。与往常一样,对于所有DC-DC转换器,在布局过程中必须小心。

图7.日本电产TA225 12V风扇加驱动电路的总功耗。
高边驱动与低边驱动
上述三种方法都可以使用高边或低边驱动晶体管进行设计(见图8)。由于电平转换,高端驱动需要稍微复杂的电路,但它的优点是将风扇的负极端子保持在地上。因此,速度和报警传感器现在是以地面为参考的,并且更容易与它们连接。

图 8a. PWM 驱动器,低侧。

图 8b. PWM 驱动器,高压侧。

图 8c.线性调节,低侧。

图 8d.线性调节,高侧。

图 8e. DC-DC 模式,低侧。

图 8f. 直流-直流模式,高压侧。
相比之下,低边驱动不需要驱动晶体管的电平转换器,但需要对速度和报警传感器进行某种类型的转换。使用低侧驱动晶体管时,风扇的正极端子保持在恒定的12V(假设风扇为12V),而风扇的负极端子则上下调节以控制速度。不幸的是,速度和报警传感器共享风扇的负极端子,并随着风扇速度进行调整,导致需要电平转换。
应用信息
无转速表的速度控制
图 9 和图 10 给出了两个风扇电路示例,这些电路是为不需要报警或速度传感器的系统设计的。图9所示,MAX1669配置为在PWM模式下驱动风扇。图10所示为MAX1669配置为直流线性模式。
MAX1669既是温度传感器又是风扇控制器。

图9.MAX1669以PWM模式驱动风扇。

图 10.MAX1669配置为直流线性模式。
这两个模块彼此独立工作,旨在与微控制器一起使用。MAX1669与微控制器之间的通信通过SMBus兼容接口完成。SMB接口为2线串行接口,与I²C接口非常相似,通常向后兼容。
MAX1669使用远端安装的二极管报告外部温度。图9和图10所示为MAX1669,使用2N3906作为该二极管连接。某些IC的芯片上有时会包含类似的二极管。一个例子是Virtex系列零件。这些器件有两个引脚,分别标记为 DXN 和 DXP。将MAX1669直接连接到这些引脚,可以直接测量管芯温度。这允许风扇电路更严格地控制特定IC的管芯温度。它还消除了将温度传感器安装到IC封装、热时间常数以及必须进行热阻计算的后顾之忧。®
该电路(以及讨论的其他电路)在温度方面要么作为开环运行,要么作为闭环运行。当作为开环运行时,温度传感器通过将传感器安装在设备的入口处来测量环境温度。随着环境温度的升高,风扇速度在软件控制下增加。在这种配置中,理想情况下,增加或减少风扇速度对测量的温度没有影响。因此,该系统没有形式的热反馈,并且是开环的。因为它是开环的,所以没有稳定性问题,因此软件设计更简单。但是,没有直接的方法可以知道需要冷却的组件的实际温度。例如,如果由于部分堵塞的入口或风扇老化而导致冷却效率降低,则这种类型的控制将无法知道并因此进行补偿。这意味着系统的设计必须使风扇旋转得比所需的快,从而导致系统不理想。
将温度传感器放置在风扇设计用于冷却的位置,形成闭环系统。增加风扇的速度会导致测量温度下降。现在需要注意稳定性问题。这种关注会导致更长的开发时间和更高的软件复杂性,但可以直接、更严格地控制热源。现在,可以将风扇速度调节到所需的最低速度,以将关键组件保持在预定温度以下。此外,对于入口和出口部分堵塞等问题,将自动进行补偿。在这两种情况下,硬件设计是相同的。唯一的区别是温度传感器和软件代码的位置。
使用转速表进行速度控制
上述电路在低端系统中运行良好,我们不太关心可靠性。然而,在我们重视可靠性的系统中,这些电路可能不足。在开环温度控制的情况下,系统无法检测到任何类型的风扇故障。闭环控制中的高温可以作为指示,但仍有改进的余地。温度升高表示系统存在问题,但无法区分入口和出口堵塞、环境温度高、内部散热过多或风扇故障。此外,由于热量是问题的主要指示,由于热响应缓慢,可能需要一段时间才能注意到这些问题。一个例子是一支铅笔突然卡在风扇里。可能需要几分钟时间,温度才会升高到足以标记问题。
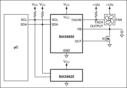
转速计输出(速度传感器)可以解决这些问题。图11所示为使用带转速计的风扇的电路。MAX6625测量温度,并通过I²C兼容的2线接口报告给微控制器。相同的2线接口向MAX6650发出命令,控制风扇的速度。MAX6650具有所有必要的电平转换和硬件,可与风扇的集电极开路转速表连接。风扇速度可以通过 SMBus 兼容接口读取为字节宽的整数。

图 11.MAX6650通过转速计输出与风扇接口,用于监测和控制风扇速度。MAX6625可以连接到同一I2C兼容总线,用于监控温度。
MAX6650可用作风扇速度控制器或风扇速度调节器。区别是微妙但重要的。风扇速度控制器控制风扇两端的电压,从而间接控制其速度。风扇速度调节器实际上使用其转速表测量和调节风扇的速度。当MAX6650用作风扇速度控制器时,微控制器通过SMBus兼容接口读取MAX6625的温度和MAX6650的风扇速度。然后微控制器向MAX6650发出DAC代码。这些DAC代码直接控制风扇两端的电压,从而间接控制其速度。然后,微控制器必须通过MAX6650不断读取风扇速度,并对DAC进行调整,以保持风扇速度在调节范围内。这在风扇的启动和失速速度方面变得尤为重要。
当MAX6650配置为风扇速度调节器时,微控制器发出速度命令。MAX6650自动监测和调整风扇速度,使其保持在调节范围内。一旦写入所需的速度,微控制器就不需要进一步参与。这大大减少了软件开销。如果MAX6650不能保持所需的速度,它可以以中断微控制器的形式发出警报。
与图9和图10中的电路类似,图11和图12中的电路可以在温度开环或闭环系统中运行。需要注意的是,在温度闭环系统中,现在有两个闭环:一个用于温度调节,另一个用于风扇速度调节。必须格外小心,防止出现稳定性问题。
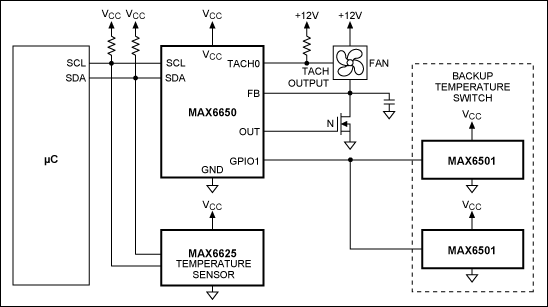
由于风扇控制通常依赖于微控制器,因此它也取决于软件。软件可以表现出许多类型的问题,包括无限种类的循环。在基于 PC 的系统中,病毒甚至可能故意引起问题。此类问题可能需要某种类型的备份以防止损坏。图 12 显示了这样的备份。

图 12.在图6501电路中增加MAX11温度开关,提供独立于软件工作的故障安全温度备份。
MAX6501是一款小尺寸、廉价、数字输出温度传感器。当温度上升到某个阈值以上时,其输出拉低。MAX6650可配置为监视其通用输入/输出(GPIO1)引脚,当其被拉低时,器件将自动全速打开风扇。这将独立于通过软件发出的命令而发生。通过将MAX6501战略性地放置在关键区域,可以避免问题。值得注意的是,这种类型的备份保护不仅可以防止软件问题,还可以防止不太可能的主要温度传感器故障和微控制器硬件故障。由于MAX6501具有集电极开路输出,可将多个器件连接在一起,安装在单元内的多个位置。这允许同时保护多个关键位置。
多个风扇作为一个组进行控制
图 13 是图 11 的变体。有时需要将多个风扇作为一个组进行控制。图13所示为MAX6651将三个风扇作为一个单元进行控制。MAX6651与MAX6650类似,但具有额外的GPIO和转速表监测输入。由于所有三个风扇并行运行,因此无法独立调节每个风扇的速度。必须选择一个风扇作为主站,围绕该风扇关闭任何调速回路。当处于稳压模式时,MAX6651闭合连接到TACH0的风扇周围的速度环路。当MAX6651用作风扇速度控制器时,微控制器可以闭合任何一个风扇周围的环路。虽然MAX6651不直接调节其余风扇的速度,但如果使用相同的风扇,它们将倾向于以相似的速度运行。为了确保未稳压风扇正常工作,MAX6651允许微控制器通过SMBus兼容接口读取每个风扇的速度。这样,如果任何一个风扇超出容差范围,就可以标记用户。MAX6651可直接连接多达<>个风扇。

图 13.MAX6651将三个风扇作为一个单元控制。
图14显示了如何使用模拟多路复用器监视四个以上的风扇。GPIO2、GPIO3 和 GPIO4 配置为输出。这些位可以通过SMBus兼容接口进行切换,以控制哪个风扇的转速表连接到TACH3输入。

图 14.此图显示了如何使用模拟多路复用器监视四个以上的风扇。
N+1 和热插拔应用
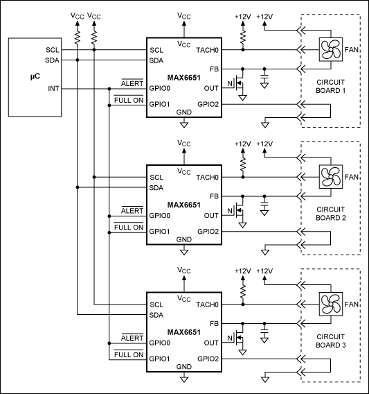
当风扇出现问题时,需要采取适当的措施。有时只需关闭系统以防止损坏即可。但是,在需要最大限度地减少停机时间的系统中,这不是一个很有吸引力的选择。图 15 显示了一个应用程序,即使在风扇故障期间,系统也能继续运行。该电路使用一种通常称为N+1的技术。N+1 是在最坏情况下使用比实际需要的多一个风扇的做法。这允许在任何一个风扇发生故障时进行足够的冷却。此外,所有风扇应放置在单独的卡上,并设计为可以热插拔。这允许在设备运行时卸下和更换损坏的风扇,从而防止任何停机时间。

图 15.当用于N+1应用时,MAX6651可以配置为在风扇发生故障时自动全速运行。还显示了如何配置电路以允许热插拔。
在大多数情况下,正在运行的风扇比实际需要的要多,因此降低风扇速度变得更加重要。但是,如果风扇发生故障,剩余的风扇需要以最大速度旋转。此外,需要通知用户卸下和更换损坏的风扇。
在图15中,MAX6651通过SMBus兼容接口进行配置,当它们无法保持所需的风扇速度时,在GPIO0上产生逻辑低电平。这些输出(带内部上拉的漏极开路)连接在一起。因此,三个风扇中的任何一个无法保持所需的速度(由于故障)都会导致这条线变低。然后将同一条线连接到所有 GPIO1 引脚。这些引脚配置为输入,当应用逻辑低电平时,这些引脚将全速打开各自的风扇。这样,风扇故障会自动导致所有风扇全速旋转。另一个好处是不需要微控制器的参与。
每当出现问题时,微控制器都可能需要中断。如图所示,通过将 GPIO0 连接到中断引脚可以轻松实现这一点。通过这样做,微控制器现在可以通过SMBus兼容接口读取风扇的速度来确定哪个风扇出现故障。有了这些知识,它就可以标记用户更换适当的风扇。MAX2的GPIO6651可通过SMBus兼容接口(或微控制器上的输入引脚,如果可用)读取,以检测风扇何时被移除或插入。
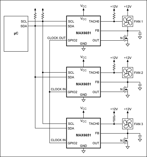
同步风扇
由于风扇之间的拍频,使用多个风扇的系统可能会遇到额外的噪音刺激源。与多引擎飞机所经历的效果类似,两个风扇以略有不同的速度旋转会产生跳动噪音。噪声的频率与速度差异有关。这种影响可能是微妙的,对于大多数单位来说通常不是问题。但是,对于高端系统,我们可能希望尽可能多地消除噪音刺激。显而易见的解决方案是以完全相同的速度旋转风扇。图 16 显示了一个执行此操作的应用程序。

图 16.在该应用中,MAX6651配置为使用相同的振荡器,从而最大限度地减少风扇之间的速度变化。这减少了多个风扇系统中的跳动噪音。
尝试让独立风扇以相同的速度旋转的主要问题是每个MAX6651都有自己的时基(振荡器频率)。这些时基足够精确,可以单独控制风扇速度,但不够精确,无法防止在多风扇系统中发生跳动。通过配置所有MAX6651使用相同的振荡器,可以消除误差源。为此,MAX6651可以将其GPIO2引脚配置为振荡器输入或输出。将第一个MAX6651配置为时钟输出,其余配置为时钟输入,它们都将以相同的频率运行。现在,所有部件都以相同的时钟运行,可以实现严格的速度公差。
结论
风扇速度控制有助于提高可靠性、降低功耗和降低系统噪音。在价格和性能的权衡方面,可以选择许多不同的电路和选项。本文提供了一些有关与实现此类控制相关的各种问题的见解和可能的解决方案。
审核编辑:郭婷
上一篇:风扇控制电路和速度控制指南
下一篇:PID回路控制及闭环控制原理