时间:2023-04-25 16:35
人气:
作者:admin
小编讲解一下常见的点动电路和自锁电路。
一、点动控制电路
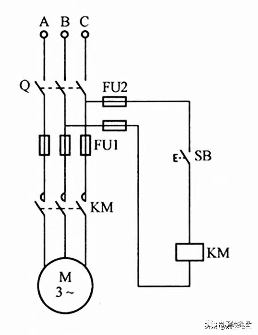
如下图所示的是一种按钮控制点动电路,当按下按钮时,电动机旋转,松开按钮后电动机停止转动。电路由刀开关Q、熔断器FU1、接触器KM的主触点与电动机M构成主回路。由熔断器FU2、启动按钮SB常开触点、接触器KM线圈构成控制回路。

当合上电源开关Q时,因为接触器主触点没有闭合,电动机不转。
按下启动按钮SB,接触器KM线圈通电吸合,KM主触点此时闭合接通电动机三相电源,电动机旋转。
当收松开按钮后,KM线圈断电释放吸合的触点,触器主触点KM断开三相电源,电动机停止转动。
本电路常适用于需要经常启动和停止或快速启动运行的生产机械上。
二、自锁控制电路
松开按钮后自锁的意思就是通过按钮启动电动机,松开按钮后电动机主回路被锁定在通电状态,还能继续转动,通常自锁利用接触器自身的辅助触点来保持线圈通电吸合状态。此类电路常用在需要持续单向运转的生产机械上。
如下图所示便是一款按钮松开后,电动机仍然能够保持单向旋转的控制电路。由刀开关Q、熔断器FU1、接触器KM的主触点与电动机M构成主回路。由熔断器FU2、停止按钮SB1常闭触点、启动按钮SB2常开触点、接触器KM的常开辅助触点、KM线圈构成控制回路。FU1、FU2起短路保护作用。

合上电源开关Q,按下启动按钮SB2,接触器KM线圈通电并吸合,主回路接通电能,电动机启动旋转。
由于按下SB2时,不但KM主触点闭合接通了主电路,而且并联的SB2两端的KM辅助触点也同时闭合,接通了电动机的控制电路。所以,即便松开按钮SB2,控制电路仍然保持接通,电动机仍然能正常旋转。在这里,KM的常开辅助触点起着“自锁”的作用。
如果需要电动机停止转动,按下停止按钮SB1,切断控制电路,KM线圈因断电而释放,KM主触点也断开,电动机停止转动;同时KM辅助触点也断开,即使按钮SB1松开,控制电路也不会再次接通。
编辑:黄飞
上一篇:学智能制造有前途吗