时间:2023-04-26 09:34
人气:
作者:admin
电机最早出现在十八世纪,之后迅速全面普及,根据国际能源署 IEA-4E 组织 EMSA 数据,其消耗了全球生产能源的一半以上,数据来源:Electric Motor Systems - 4E Energy Efficient End-use Equipment (iea-4e.org)。国际能源署(IEA) 也表示,通常 95% 的电机生命周期成本,来自为其提供动力的电力,因此任何能够提高电机运行效率的技术方法都会受市场欢迎。
“智能” 控制就可以做到这一点,它不仅使电机在工作中更加灵活、高效,还能降低运行成本和能源消耗,减少环境影响或延长电池寿命。
此外还通过立法促使解决这个问题。例如,IEC 60034-30-1 规定了由电网侧供电的交流电机应达到的能效等级。
常用的电机类型
根据应用场景的不同,使用的电机类型也各种各样。
以一个典型的西方富裕家庭为例,Qorvo 估计这个家里可能有 14 台有刷直流电机、26 台无刷直流电机、48 台交流感应电机和 4 台通用交流-直流电机。总共有 31 个电池供电和 61 个电网供电。
交流感应电机相对简单且可靠,因此在家用市场和工业领城均占主导地位。
正常情况下,它们成本低,没有电刷磨损,速度有一些 “转速差”,也就是说,它们几乎与交流驱动同频或是其的倍频。
单相电机需要特殊的启动方法,效率不高,但用途广泛,而三相电机支持自启动,运行效率更高,使交流感应电机非常适合泵和风扇等恒定负载/速度应用。
如果需要变速,可以使用变频驱动 (VFD),但在 “标准” 电机中添加变频驱动功能时,可能会出现绝缘应力、EMI 和共模电流流过电机本体等问题。
对于直流或通用交流转直流电源,电机旋转时,其电刷通过依次给线圈通电来强制换向和旋转。这些电机成本低,性能优,启动转矩大,因此在小型工具和电器中很受欢迎。
然而,电刷确实会磨损,而且通常产生高压电弧和可听噪音。通过改变直流或交流电源电压,或通过交流相位角控制来实现具有可选闭环调节的速度控制,这些通常效率较差,但为励磁线圈分接开关提供了可能。
目前常用的电机类型是无刷直流电机 (BLDC),是基于有刷直流电机改进而来,可以去除电刷。
此类电机的性能更好,效率更高,寿命更长。
缺点是必须由 VFD(交频驱动)提供多相交流电源,但确实可提供速度和转矩控制,并根据负载要求调整这些参数,从而节省能源、提升工艺效率,以上这些优点可以迅速抵消 VFD 的初始成本。因此,BLDC 电机在电池供电型手持工具以及交流电源 (输入经整流和功率因数校正后作为 VFD 电源)供电的电器中颇受青睐。

图 1. 相同机架尺寸的电机性能比较(来源:Groschopp)
上述部分电机类型的主要特性如图 1 所示,所有电机的物理尺寸相同。
BLDC电机
现在来观察分析 BLDC 电机及其驱动,图 2 显示了三相电机的线圈通电顺序。

图 2. 一个简单的三相 BLDC 电机与驱动开关的顺序
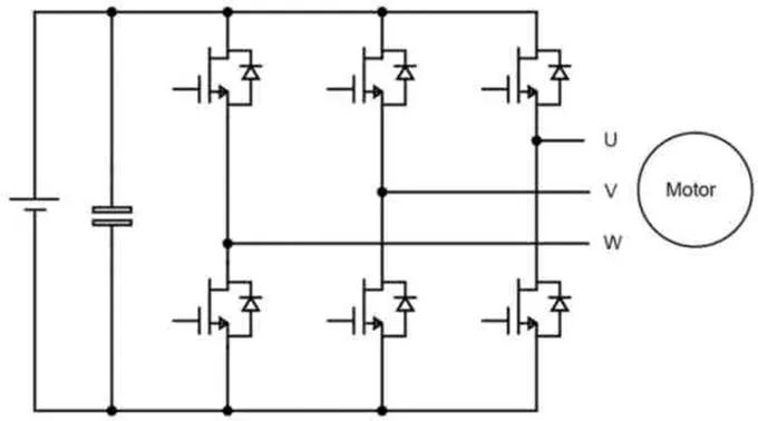
施加电压存在一定的 “死区” 时间,原因在于开关的桥式布局(图 3)可以是 IGBT 或 MOSFET,但越来多的使用 SiC FET 这样的宽带隙器件(如图所示)。当电机旋转时,开关管的切换由轴传感器或其它方法触发,转子角度、速度和电流的反馈可用于控制转矩和转矩波动,这会导致不必要的振动。

图 3. BLDC 电机有三相桥式开关驱动,以 Qorvo SiC FET为例
如果没有反馈,电机将旋转达到系统延迟和线圈电感允许的最大速度,随着转速增加,每一个较短周期的开关动作都会降低峰值电流,从而使转矩减小。
在实现 BLDC 电机控制的过程中涉及许多变量,包括所需的最大和间歇转矩、功率、速度范围、工作电压、反馈传感器类型及其电压等级等等。
这些定义了驱动所需的电压和频率范围,及其峰值和连续额定功率,包括故障和过载。
控制器获取相应的反馈和状态信息,并通过算法根据时序和载波频率调制向开关提供优化的栅极驱动信号,以设定速度和转矩。
BLDC电机的控制
三相 BLDC 电机可以将线圈分段控制,任何时候都保持两个线圈通电,第三个线圈 “悬空”。悬空绕组以梯形波形显示反电动势(图 4,左),其过零点可用于确定转子的角度位置,这种方法成本低、精度高,但霍尔效应传感器允许在重载条件下启动,这种响应很难通过传统的无传感器算法获得。
从机械角度看,分离式线圈是非常简单的布局,但确实会产生一些转矩波动。
如果将线圈绕在定子周围,反电动势可以是正弦波(图 4,右),理论上没有转矩波动。

图 4. BLDC 和永磁同步电机的反电动势和 PWM 驱动波形
在实践中,可以达到 1% 左右,但峰值转矩和功率密度低于梯形反电动势。
这种布局就是 “永磁同步电机”(PMSM),要求所有的绕组在任何时候都要通电,因此浮动绕组的位置信息不可用,通常需要一个单独的轴传感器。
无论哪种情况,PWM 驱动调制都会设置为分别与梯形或正弦匹配,以获得最佳性能。
六步梯形波控制更容易实现,能够以高转矩启动,并适用于非常高的速度,比如在电动工具中就很有用。
基本形式的 PMSM,其制造成本较高,启动转矩较低,驱动更复杂,但速度控制更稳定,适合换气风扇等应用。
有些方案从梯形波驱动启动,并随电机旋转切换到正弦驱动,为了获得最佳性能,可将光学编码器或旋转变压器用于 PMSM,以取代霍尔传感器。
磁场定向货矢量控制
为了利用 PMSM 实现更优性能,可以使用 “矢量” 或 “磁场定向控制” (FOC)。
对于使用能耗更低的小型电机,这有助于实现零速满转矩启动、平稳运行、快速加速/ 减速和更好的精度。
传感器可以提供转子位置反馈,或者采用 “无传感器” 方案,通过电机特性模型使用绕组电流和电压。
然而,FOC(磁场定向控制)很复杂,需要较强的数字处理能力,问题在于启动时无法获取转子位置信息,因此,在传感器提供有效反馈之前,通常会应用开环初始驱动。为了提供出色的性能,FOC 需要从转子位置和绕组电流中得出磁链和转矩值。
通过 “克拉克变换” 方法将三相绕组电流转换为两相等效电流,然后使用 “帕克变换” 和旋转角度计算旋转坐标,从而得出控制参数、磁链和转矩。
将目标值与补偿反锁信号比较,其差值送入比例 -积分 (PI) 控制器。
该信号通过反向克拉克和帕克变换过程,为桥式驱动电路中的开关产生驱动信号,应用 PWM 以形成正弦电流,其有效值对应于所需转矩。图 5 为该方案示意图。

图 5. BLDC 电机的 “矢量” 或 FOC 控制。
Qorvo的BLDC电机控制解决方案
驱动 BLDC 电机以获得最佳性能的所有复杂性操作,包括磁场定向控制,现在可以在 Qorvo 的 PAC5xxx 系列电源应用控制器(PACTM) 中实现。该单芯片解决方案包括所有可能需要的控制参数的接口,并提供高达 600V 额定电压且具有高峰值电流的驱动能力,以满足电池供电和电网整流供电的要求。
固件可以远程配置和更新,还包括一个 “自动调试” 模式,可针对特定的电机进行微调操作。

图 6. Qorvo 的 PACTM 系列 BLDC 控制器
PAC5xxx 系列基于 Arm? Cortex?-M4F 内核,运行频率为 150Mhz,搭载 32kB SRAM 和 128kB 闪存,配备 12 位 2.5MSPS 模数转换器 (ADC);或基于 Arm? Cortex?-Mo,运行频率为 50Mhz,搭载 8kB SRAM 和 32kB 闪存,配备 10 位 1MSPS ADC(图 6)。
这些方案包括内部开关和线性稳压器,节省了电路板空间和 BOM 成本。可配置模拟前端 (CAFE)包括单端和差分可编程增益运算放大器、比较器、数模转换器和 I/O 电路。
具有可互连和可编程的信号采样、反馈放大以及多个模拟输入信号的传感器监测功能。
低功率等级版本型号 PAC5285 还集成了功率 MOSFET,形成一个驱动桥,为手持设备和工具等 BLDC 应用提供了紧凑型解决方案。
所有 PACTM 系列器件都具有全国的保护功能,包括过电流、过电压、欠电压和超温保护。
为了展示这些控制器的功能,Qorvo PAC5223 芯片为无人机电机驱动等应用提供了参考设计,是一个 “微型” FOC 解决方案,尺寸只有 9mm x 15mm,输出电流的有效值高达 17A,输入电压为 4.5V-18V。
另一个参考设计 RD5223PT 展示了 PAC5223 如何用于电动工具,其 PCB 尺寸为 60mm x 25mm,可以装配到工具的手柄中。图 7 支持的峰值电流为 25A RMS/300W。所有参考设计都提供原理图、布局图和 BOM。

图 7. 用于电动工具的 Qorvo BLDC 电机驱动参考设计,峰值功率为 300W
Qorvo 的 PAC 系列芯片是硬件生态系统的一部分,还具有完整的数据手册、参考软件、可配置图形界面和用户指南、应用笔记和软件开发套件。
结论
在价格敏感的电动工具、小家电和无人机应用中,因为复杂的驱动和传感系统阻碍 BLDC 电机的应用,而这些电机在尺寸、重量、转矩和可控性方面具有强大的优势。
现在,Qorvo 在其 PACTM 器件系列中提供的集成驱动解决方案以低成本,高性能控制器打破了这一障碍,再加上全方位的支特,在终端产品中实施将会更轻松快捷。
编辑:黄飞