时间:2023-04-08 11:49
人气:
作者:admin
1变频器概念
对于变频器大家应该都不是很陌生,因为现实生活中很常见。 如马上让我们无法释怀的空调,从以前的定频空调到现在的变频空调; 又如洗衣机、冰箱和电梯,等等这些都涉及到我们今天所要聊的变频器。
变频器的定义
变频调速器主要用于交流电动机(异步电机或同步电机)转速的调节,具有变频器体积小、重量轻、精度高、功能丰富、保护齐全、可靠性高、操作简便、通用性强等优点。 变频调速是公认的交流电动机最理想、最有前途的调速方案,除了具有卓越的调速性能之外,变频调速还有显著的节能作用,是企业技术改造和产品更新换代的理想调速方式。 变频器作为节能应用与速度工艺控制中越来越重要的自动化设备,得到了快速发展和广泛的应用。
变频的几点优势:
节能
变频器产生的最初用途是速度控制,但目前在国内应用较多的是节能。 中国是能耗大国,能源利用率很低,而能源储备不足。 应用变频调速可以大大提高电机转速的控制精度,使电机在最节能的转速下运行。 风机、泵类负载的节能效果最明显,节电率可达到20%~60%,这是因为风机、泵类的耗用功率与转速的3次方成正比,当需要的平均流量较小时,转速降低其功率按转速的3次方下降。
提高工艺水平和产品质量
变频调速除了在风机、泵类负载上的应用以外,还可以广泛应用于传送、卷绕、起重、挤压、机床等各种机械设备控制领域。 它可以提高企业的产成品率,延长设备的正常工作周期和使用寿命,使操作和控制系统得以简化,有的甚至可以改变原有的工艺规范,从而提高了整个设备控制水平。
变频调速在电动机运行方面的优势
变频调速很容易实现电动机的正、反转,只需要改变变频器内部逆变管的开关顺序,即可实现输出换相,也不存在因换相不当而烧毁电动机的问题。 变频调速系统启动大都是从低速开始,频率较低,加、减速时间可以任意设定,故加、减速时间比较平缓,启动电流较小,可以进行较高频率的起停。
变频家电
除了工业相关行业,在普通家庭中,节约电费、提高家电性能、保护环境等受到越来越多的关注,变频家电成为变频器的另一个广阔市场和应用趋势,如带有变频控制的冰箱、洗衣机、家用空调等,在节电、减小电压冲击、降低噪声、提高控制精度等方面有很大的优势。
变频器的组成,宏观的来看很简单:
①主电路:整流电路、中间环节、逆变电路;
②控制电路:主控制电路、信号检测电路、驱动电路、外部接口电路以及保护电路;
2主电路的设计和计算
今天我们先来讲一讲主电路的设计和计算,内容可能有点长,大家可以mark起来慢慢看。

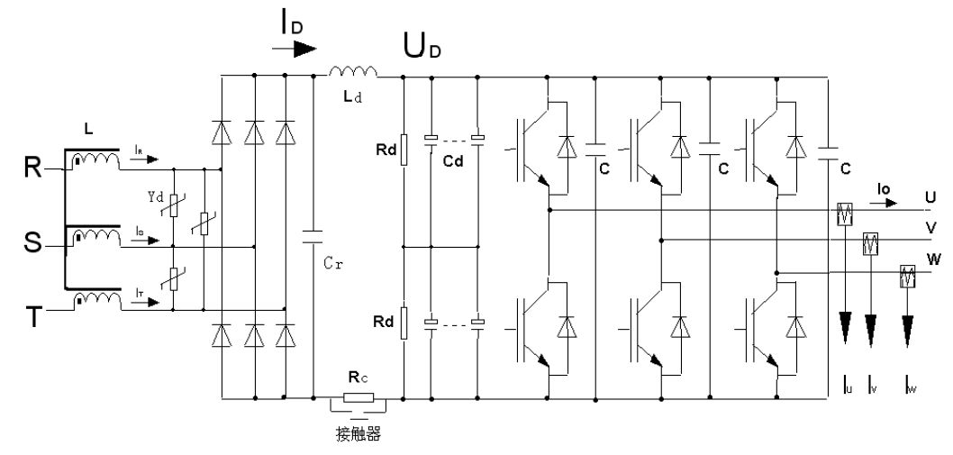
变频器的主电路如上图所示,主要包括交流电抗器、输入压敏电阻、整流桥、直流电抗器、直流充电电阻、直流电抗器、充电接触器、直流母线电容、电容均压电阻、逆变桥、
母线浪涌吸收电容,此外还可以安装制动单元和制动电阻。
当然,主电路的这些器件也不尽相同,我们这里的足够用来说明其原理了。
参数的计算变频器的容量:
Po=√3UoIo
式中Uo是输出电压,Io是输出电流。 单位是VA。
平时我们一般都以W为功率单位,那么W和VA之间有什么关系呢? 它们中间需要考虑功率因数λ(cosθ),只有当功率因数为1的时候,1W=1VA,而功率因数不为1的时候,两者就不相等了。 即视在功率S,有功功率P和无功功率Q之间的关系

S²=P²+Q²,P=Scosθ,Q=Ssinθ; 计算时,注意容量和标称功率之间的关系。
直流环节电压平均值:
UD=3√2/π*UAC≈1.35UAC
式中,UAC为三相输入线电压的有效值。 由于母线电容的存在,直流电压一般认为等于输入线电压的幅值
UD=√2*UAC≈1.414UAC
直流环节电流:
ID=π/√6*I≈1.283Me
式中Io为变频器额定输出电流。
eg.对于15kW的变频器,输出电流为32A,因此变频器输出容量为Po=1.73232380=21kVA,直流母线电压为UD=1.414×380=536V,母线电流为ID=1.283*32=41A。
整流桥计算①电流计算:
流过整流管的电流
有效值:
IT=ID/√3≈0.577ID
平均值:
IT(AV120°)=2ID/π≈0.637ID
IT(AV120°)为120°导通的值,整流二极管一般Datasheet标称值是180°的值
IT(AV180°)=IT(AV120°)/√3=2ID/√3π≈0.368ID
整流二极管电流选型:
IVT(AV)=(1~2)*α*0.368*(π/√6)*Io
式中:Io为变频器输出额定电流。 过载系数α=1.5~1.8。
一般整流桥很少过载,而且现在的整流管过载能力都比较强,从成本上考虑,所以选取的整流器件甚至可以略小于计
算出的电流值。
②电压计算
整流管电压额定值URRM:
URRM≥UAC*√2*1.1*β
式中β为电压安全系数,一般取2。 目前整流管额定电压选取为单相800V,三相1600V。
多个整流元件并联
很多时候我们会并联器件来满足所需的电流等级,器件的并联必须降低电流额定值使用,可以参照下面式子选择:
ITa=(1.7~2.5)I/np
式中,I为允许过载时一组桥臂的平均电流,np为并联支路数。
并联需要注意的事项:
挑选伏安特性曲线较为一致的器件;
注意连线的结构处理;

必要时可采用均流变压器;

并联的器件工作温度尽量一致,在散热器上尽量靠近。
逆变桥计算随着功率半导体的发展,IGBT已经成为当下中大功率变频器逆变电路开关管选取的最佳选择。 再选择IGBT时我们要注意以下几点:
①首先根据变频器载频工作范围及热设计的要求选择一种合适的类型。 选择三种类型IGBT中的一种:
极低的通态压降,但开关损耗大;
高通态压降,但开关损耗小;
中等通态压降,但开关损耗较小;
鱼和熊掌不可兼得,根据自己的需求择优选取。
②根据体积、结构是否易于并联、维护成本及结构设计的压力等要求决定采用那一种封装形式。
③计算所选IGBT的电流等级、电压等级,该步骤同时也影响了吸收电路的形式选择及结构设计的特点。
关于逆变元件耐压和电流的选择:
考虑到瞬间过电压,IGBT的耐压通常为直流母线电压的两倍。 瞬间过电压受回路杂散电感和IGBT开关速度的影响,所以实际耐压的选择要视回路的杂散电感而定。
①额定电压
方法一:URRM≥(√2UAC*β+150)*α
方法二:URRM≥√((Icn)²Ls/Cx+VPN²)
式中,UAC是变频器输入电源电压,β为电源电压的波动系数,α为安全系数,Ic为IGBT的额定电流,n为短路时电流冲击的倍数,Ls为杂散电感大小,Cx为吸收电容的大小,VPN为正常工作时母线电压。
就目前而言,通用380V变频器IGBT都是1200V耐压。
②电流选择
电流的选择与最大工作频率,总功耗、冷却方式及环境温度范围都有关系,实际上,Datasheet中给出的电流参数常常在一两种条件下定义,因此总的来讲并不准确适合实际应用,有时会偏差很大。
电流额定值的选择:
确定过载能力
k√2 Io≤Ic
式中,k为电流的过载倍数,Io为变频器的额定输出电流,Ic为IGBT标称电流值(连续DC)。
确定抗电流冲击能力
m√2Io≤Ic(1ms)
式中,m为硬件电流保护倍数,Io为变频器额定输出电 流,Ic(1ms)为1ms标称电流。
一般而言,模块的选取主要根据是温升,只要温升能够满足要求,载流能力可以适当放宽。
IGBT的并联
由于单只IGBT模块电流容量有限,为了提高载流能力需要对IGBT并联。 由于IGBT具有正的温度系数,温度升高时导通压降会增大,因此本身具有自动均流的特性,并联使用一般不会导致严重的均流问题。
由于IGBT参数分散性,并联使用时需要放大IGBT的容量,IGBT电流需乘以1个降额系数,降额系数按照下式计算:

式中n为并联器件数目,x与器件耐压有关,600V器件:x=0.1; 1200V器件:x=0.15; 1700V器件:x=0.2。
例如,常用的1200V的器件,有
n=2:降额系数=0.87
n=3:降额系数=0.826
n=4:降额系数=0.80
n=5:降额系数=0.79
n=6:降额系数=0.78
n=7:降额系数=0.776
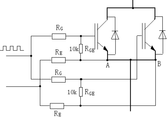
对于IGBT的并联,原则上和二极管并联差不多,在驱动电路方面有更高的要求,希望并联的各个开关管驱动信号一致以保证管子的同时开通和关断。 对此要求各并联的驱动线长
度相同,在各个管子上加装GE板,对驱动信号进行就近调理。 下面给出一个并联驱动的例子,大家可以参考一下:

RE为防止环流电阻,强电端A点和B点通过导线连接,电势有可能不完全相等,这样将在并联驱动电路中产生环流,RE的作用就是限制短路环流,一般取值为0.33Ω。 一般我们都会在栅射极并个电阻RGE,RGE都不能省略,其作用是防止IGBT栅极电荷积累,一般取值是10k~100k。
主回路元器件的保护整流桥的保护
输入侧必须设计浪涌吸收电路,吸收元件一般采用压敏电阻、气体放电管或安规电容等,整流桥的输出就近安装一只高频无感电容(MKP或CBB81)。 主回路电路图中的的Yd和Cr,压敏电阻的耐压值一般选为820V,整流桥的输出吸收电容Cr与变频器功率有关,一般容值为0.22~2uF,耐压为1600V。
增加快熔。 快熔的熔断时间可达3~5ms比较适合整流桥的保护,并能防止故障的扩大及非常严重的后果(如烧毁变频器等)。 但对于是否增加快熔不同厂商有不同看法,大家可以根据实际需求来做抉择。
逆变桥元器件的保护
电流保护:一般采用电流检测保护(要求整个保护环节响应速度满足元件的规格要求),如快速霍尔电流检测保护,VCE保护等。
霍尔电流检测保护可以在软件中处理,也可以采用硬件比较电路实现。
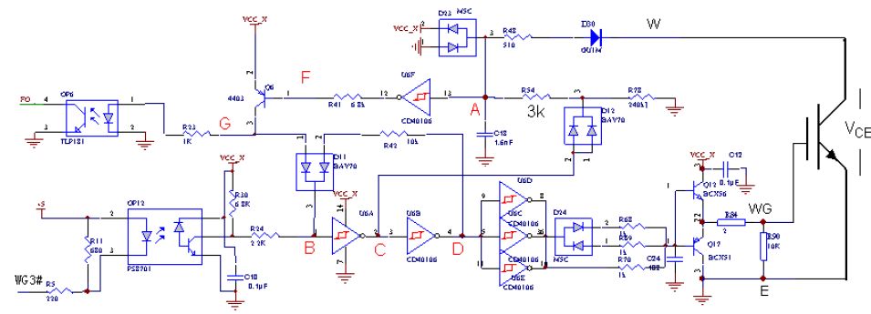
VCE保护是对IGBT最底层的保护,给出一个原理图,大家参考一下:

驱动脉冲WG3#低电平有效时,B点为低电平。 当IGBT正常开通时,CE间电压较低(一般为1.7~3V),W点电位较低,C点是15V的高电平,则A点经3k和510欧电阻分压得到1个电压约为5V(2+0.7+2),该电压不足以导致反向器翻转,点F保持高电平,三极管不导通,FO为高电平; 若IGBT发生短路故障,CE间电压VCE增大,导致A点电平升高,达到反向器的翻转电平,从而使F点为低,三极管导通,FO输出为低,从而产生故障信号,同时B点也变成高电平,将该IGBT驱动脉冲封锁,达到保护IGBT的目的。 D点到B点的反馈起个增强稳定的作用,去掉影响也不大。
电压保护:一般而言,变频器对瞬时超过模块耐压的过电压没有好的防止方法,超过模块耐压的瞬时过电压很容易导致模块电压击穿损坏。 对母线瞬时过电压一般在母线上并高频吸收电容保护模块。 如主回路电路图中的电容C。 其他的吸收形式如RC吸收、RCD吸收在变频器中都不常用。
慎重选择吸收电路的形式并仔细选择吸收电容的型号、容量、耐压及厂家。 一般耐压选为1600V的CBB电容,电容量跟变频器容量和结构有关,0.47~10uF,大小不等。
上电缓冲及实现缓冲电阻的选择及特点:上电缓冲电阻(主回路中Rc)要求抗冲击能力强。 必须确认电阻的冲击曲线并反复实验验证。 阻值大小由整流桥的型号和滤波电容的容量决定。 阻值大小一般可按流过电阻的电流为整流管电流额定值的2~3倍选取。
缓冲电阻旁路元件的选择及特点:上电时对电容充电结束后需要将充电电阻旁路,旁路器件有两种:
①接触器,实现简洁,成本低,功耗小,可靠性较差。 目前的大功率变频器多采用该方案。
②可控硅,功耗大(1~2V导通电压),效率低,可靠性高。
通用变频器通常采用交流接触器,一般而言,接触器是按一定的导通电流有效关断的条件下设计的,在变频器的应用中,接触器一般是在没有电流的情况下闭合和断开,因此工作条件比标称条件更好,所以在容量的选取方面可以比较放宽一点。 一般情况,三相并联等于直流环节电流即可。
电源侧交流电抗器电压型通用变频器电网电压交流转变为直流经整流后都经电容滤波,电容器的使用使输入电流呈尖峰脉冲状,当电网阻抗小时,这种尖峰脉冲电流极大,会造成很大的谐波干扰,并使变频器整流桥和电容器易损坏。
当变压器容量大于变频器容量10倍以上,电网配电变压器和输电线的内阻不能阻止尖峰脉冲电流时,当同一电源上有晶闸管设备或开关方式控制功率因数补偿装置时,三相电源不平衡度大于3%时,都要对输入侧功率因数作提高和抑制干扰,都需使用电源侧交流电抗器。
一般而言,电压源逆变器、电源侧交流电抗器的电感量,采用3%
阻抗即可防止突变电压造成接触器跳闸,使总谐波电流畸变下降到原先的44%。 实际使用中为了节省费用,常采用2%阻抗的电感量,但这对环保而言是不好的。 比较好的场合应使用4%
阻抗或更大的电抗器。 一般常选用2~4%的压降阻抗,这个 % 是对相电压而言,即:

其中 ∇U:电压降落
UP:相电压
UN:线电压
输入侧交流电抗器电感值
三相时,

其中 ILmax:电感流过的最大电流。
对于使用者,需考虑电感值和电流值两方面,电流值一定要大于等于额定值,电感值略有大小问题不大,偏大有利于减少谐波,但电压降落会超过3%,使用者还要考虑电源内部
阻抗,电源变压器功率大于10倍变频器功率,而且线路很短的场合,电源内阻小,不仅需要使用输入侧交流电抗器,而且要选择较大的电感值,例如选用4~5%
阻抗的电感量。
直流电抗器计算直流电抗器接在滤波电容前,它阻止进入电容的整流后冲击电流的幅值,并改善功率因数、降低母线交流脉动。 直流电抗器在变频器功率大于22KW时建议都要采用,当变频器功
率越大,越应该使用,因为没有直流电抗器时,变频器的电容滤波会造成电流波形严重畸变和进而使电网电压波形严重畸变,而且非常有害于变频器的整流桥和滤波电容寿命。
直流电抗器能有效降低输入电流谐波,提高功率因数。 电感大小选择合理,电感越大,改善功率因素的效果越好,但电感太大,也会增大基波电流的电压降,减小变频器的输入电压,减小了变频器的最大输出功率。
直流电抗器的电感值的选择一般为同样变频器输入侧交流电抗器3% 阻抗电感量的2-3倍,最少要1.7 倍),即
LDC=(2~3)LAC
此外还有一种利用经验公式来计算直流电抗器电感量大小:
L=25mH/PM
PM为电机额定功率。
电抗器额定电流大小计算:
IL=(1.1~1.2)*π*Io/√6
Io为变频器额定输出电流。
直流母线电解电容计算直流电解电容是变频器成本比重较大的一块。 用于380V通用变频器的直流电解电容一般都是采用两只400V串连来满足536V的耐压值,220V的单相变频器一般使用1只400V即可满足耐压要求。 一般容量选取原则是:100uF/1KVA。 由于电容器规格有限,电容量选取范围可定为85uF~110uF/KVA,单相输入的机型电容量应向上取大一些的值。
如果安装了直流电抗器,可以有效降低母线交流脉动,这样可以减小电容器容量。
eg.7.5kW变频器容量是11kVA,采用2200uF两只电容串连,电容量为1100uF,正好满足100uF/KVA; 200kW变频器容量是250kVA,使用了12只6800uF电容,总容量为20400,每kVA电容量为81.6uF。 220kW变频器容量是280kVA,同样使用了12只6800uF电容,每kVA电容量为72kVA。
制动单元和制动电阻(BD和DBR)小功率制动单元一般在变频器内部,外部只接制动电阻。 大功率、制动单元由另外外接的制动单元接到变频器母线上,当电机制动时,电机的电能反馈回母线,使母线电压升高(我们也称之为泵升电压),升高到一定值时,开通制动单元的开关管,用制动电阻消耗母线上一部分电能,维持母线电压不继续往上升高,使电机能量消耗在制动电阻上而获得制动力矩。 制动单元的导线长度一般不大于5m,接到变频器的直流母线(P+、N端)要使用双绞线或密排的平行线,导线的截面应不小于电机输电线的1/2~1/4。
制动电阻的阻值不是随便的,它有一定范围。 太大了,制动不迅速,太小了制动用开关元件很容易烧毁。 一般当负载惯量不太大时,认为电机制动时最大有70%能量消耗于制动电阻,30%的能量消耗于电机本身及负载的各种损耗上,此时,
R=Uc²/(0.7P*10³)
P:电机功率(KW)
Uc:制动时母线上的电压(V)
R:制动电阻(Ω)
低频度制动的制动电阻的耗散功率一般为电机功率的(1/4~1/5),在频繁制动时,耗散功率要加大。
有的小变频器内部装有制动电阻,但在高频度或重力负载制动时,内装制动电阻的散热量不足,此时要改用大功率的外接制动电阻。 各种制动电阻都应选用低电感结构的电阻器; 连接线要短; 并使用双绞线或密着平行线; 采用如此低电感措施的原因是为了防止和减少电感能量加到制动管上,造成制动管损坏; 制动电阻值不能过分小; 如果回路的电感大、又电阻小,将对制动管不利,会造成损坏。
以上便是关于变频器主回路的设计和计算的简单介绍,还是要具体问题具体分析。 写着写着没太在意,篇幅有点长,大家可以收藏,有需要的时候可以参考下。
上一篇:变频器低电压跳闸的原因与解决方法
下一篇:变频器的辅助电源设计