时间:2023-03-21 15:02
人气:
作者:admin
S7-200Smart PLC 的指令入门应用
常开 常闭 线圈 指令原理讲解
位逻辑指令符号与继电器电路符号联系:

位逻辑指令
注意:输入输出的常开与常闭外部信号与在在程序中的常开常闭应用关系
常开 常闭 线圈 案例应用(工件打孔机) 工件打孔器(点动):
(1) 实例场景说明:工厂里对小型的工件进行打孔。
(2) 指令使用说明:开关触点,线圈
(3) 案例应用说明:当按下启动按钮时,电磁阀得电控制气缸伸出,当松开按钮时,电磁阀失电气缸自动缩回。
(4) I/O 分配表

工件打孔机 I/O 分配表
工件打孔机 PLC 控制电路与编程

工件打孔机接线图

工件打孔机程序
上升沿 下降沿指令原理讲解
上升沿:正跳变触点指令(上升沿)允许能量在每次断开到接通转换后流动一个扫描周期。
下降沿:负跳变触点指令(下降沿)允许能量在每次接通到断开转换后流动一个扫描周期。

上升沿 下降沿指令程序
因为正跳变和负跳变指令需要断开到接通或接通到断开转换,所以无法在首次扫描时检测上升沿或下降沿跳变。
应用场合:如通讯个别指令只调用一次有效/计数器计数等。
复位置位位指令
网络 4:I0.3 按住,Q0.4 开始连续 1 个位被置位(Q0.4 状态:一直为 1)。 网络 5:I0.4 按住,Q0.4 开始连续 1 个位被复位(Q0.4 状态:一直为 0)。 网络 6:I0.5 按下,Q0.4 开始连续 1 个位被置位 1 次。
( Q0.4 状态:一直置位为 1 ,I0.6 按下可将 Q0.4 状态复位 0) 网络 7:I0.6 按下,Q0.4 开始连续 1 个位被复位 1 次。
( Q0.4 状态:一直置位为 1 ,I0.6 按下可将 Q0.4 状态复位 0)

置位 复位指令程序
S7-200SMART PLC 双线圈

双线圈程序
! 编程避免出现
在编程过程中,我们在使用常规线圈指令时,避免出现双线圈。
定时器指令应用
1.定时器的功能
定时器可以对时基进行时间累计,用于实现定时控制(比如:星三角时间切换)。 定时器分类接通延时定时器(TON):用于定时单个时间间隔 。
有记忆的接通延时定时器(TONR):用于累积多个定时时间间隔的时间值。
断开延时定时器(TOF): 用于在 OFF(或 FALSE) 条件之后延长一定时间间隔, 例如冷却电机的延时。 见表 4-6。


定时器编号和分辨率表
相关说明:
(1) 计数器有两种寻址类型: Word(字)和 Bit(位)。
(2) 避免定时器编号冲突:同一个定时器编号不能同时用于 TON 和 TOF 定时器。 例如,不能同时使用 TON T32 和 TOF T32。
(3) 定时器时基有:1ms, 10ms,100ms(选择较小时基时需注意要大于 PLC 扫描周期)要确保最小时间间隔,请将预设值(PV) 增大 1。 例如:使用 100 ms 定时器时,为确保最小时间间隔至少为 2100 ms,则将 PV 设置为 22。
2.定时器指令理解分析

定时器指令
a. Txx 定时器编号:范围 T0~T255;
b. IN 接入使能:不能直接与能流母线相连;
c. PT 预设值:范围 1~32767,决定了所定时间的最大范围;
d. TON/TONR/TOF:定时器类型(与定时器编号有关);
e. ??? ms 时基(分辨率):1MS; 10MS; 100MS;
编程实例:

定时器指令程序
时序图:

时序图
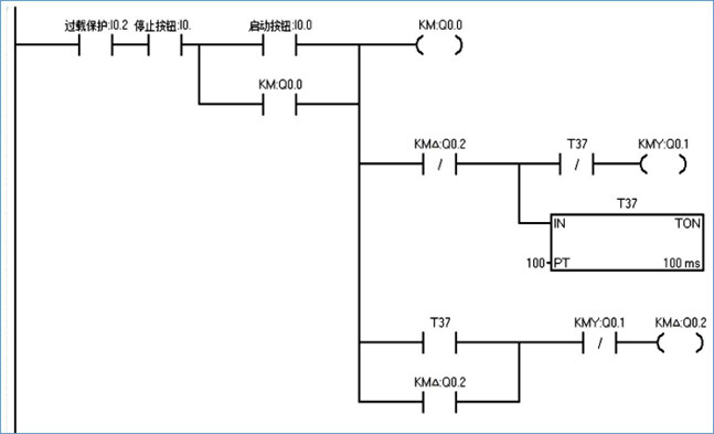
位指令与定时器指令的应用
电动机的星三角启动控制继电器电路

星三角接线图
电动机的星三角启动控制 PLC 程序

星三角程序
上一篇:时间继电器的选型要求和注意事项