时间:2023-03-06 13:45
人气:
作者:admin
Anders Norlin Frederiksen
以电机和功率级动力学为中心的高级建模技术可以显著提高电机控制效率,确保实时适应系统行为波动的精确控制。通过应用无传感器矢量控制,设计人员可以提高电机系统的性能并降低功耗,并符合旨在提高能源效率的新兴政府法规。由下一代数字信号处理技术实现的新电机控制技术有望加速先进控制方案的采用。
最近,高度暴露的永磁材料的开发和更容易部署推动了许多工业应用中永磁同步电机(PMSM)在高性能变速电机中的使用增加。使用 PMSM 驱动器的固有优势包括高扭矩重量比、高功率因数、更快的响应、坚固的结构、易于维护、易于控制和高效率。高性能速度和/或位置控制需要准确了解转子轴的位置和速度,以便将相位激励脉冲同步到转子位置。这意味着需要速度和位置传感器,例如连接到电机轴上的绝对编码器和磁性旋转变压器。然而,在大多数应用中,这些传感器存在一些缺点,例如可靠性降低、易受噪声影响、额外的成本和重量以及驱动系统的复杂性增加。无传感器矢量控制消除了对速度/位置传感器的需求,克服了这些挑战。
近年来,研究文献中提出了几种解决方案,重点是PMSM的速度和位置无传感器方法。已经开发了三种基本技术,用于PMSM驱动器的无传感器转子位置估计。
基于反电动势(back-EMF)估计的技术
基于状态观察器和扩展卡尔曼滤波(EKF)的技术
基于空间显著性跟踪的其他技术 - 初始定位
反电动势技术
基于反电动势技术的位置估计根据电压和电流估计磁通和速度,这对低速范围内的定子电阻特别敏感。由于机器的反电动势小和开关器件非线性特性产生的系统噪声,几乎无法检测到机器终端上的实际电压信息。反电动势方法在中高速和高速区域产生良好的位置估计,但在低速区域失败。
反电动势电压的大小与转子速度成正比;因此,在静止状态下,无法估计初始位置。因此,从未知的转子位置启动可能伴随着暂时的反向旋转或可能导致启动失败。由于EKF能够对涉及随机噪声环境的非线性系统进行状态估计,因此对于PMSM的速度和转子位置的在线估计,EKF似乎是一种可行且计算高效的候选者。
基于使用磁显著性的空间显著性跟踪的技术适用于零速运行,并且可以在没有参数影响的情况下估计初始转子位置。对于转子初始位置,主要有两种基本方法,基于使用脉冲信号注入或正弦载波信号注入。让我们看一个例子。

图1.反电动势和初始启动的平衡。1
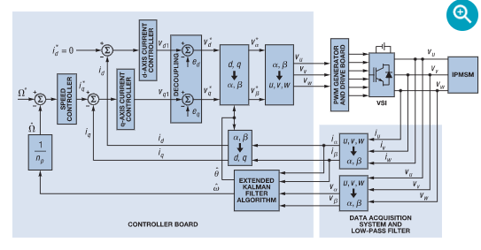
图1显示了不带位置传感器的无传感器矢量控制方案的框图。在框图中,前馈项,Vds_ff和 Vqs_ff,对于轴之间的控制方程可以构造为:

在图1的估计器和推导方程中,误差信号Vds_error由PI补偿器处理,得出转子的速度,通过积分估计的速度计算转子的角度。在其他传统方法中,微分过程用于计算速度,但这使得系统容易受到噪声的影响。在裴邦浩的研究中,1实验研究表明,所提出的估算器为应用提供了非常准确和鲁棒的速度信息。但在零速和低速时,反电动势电压不足以满足所提出的矢量控制。因此,为了从零速无缝运行,电流以恒定的幅度和预模式的频率进行控制。这里,同步参考系的角度是通过对频率进行积分(初始启动方法)得出的。
EKF技术
让我们看另一个例子,现在使用 EKF 技术原理,2并再次与初始启动相结合:
从 PMSM 的基础知识开始,并将其重写为四阶动态模型,我们得到:

动态模型基于一些简单的假设 - 忽略正弦反电动势和涡流,现在给出:

d轴和q轴电流不能由V独立控制d和 Vq由于两个轴之间的交叉耦合效应而产生的电压,如图2所示。对于高性能速度控制,需要应用具有去耦前馈补偿的d轴和q轴电流调节器。有关更多详细信息,请参见图 2:

图2.
d 轴参考电流 i*d设置为零,以最大化 IPMSM 的扭矩与电流比。q轴参考电流i*q通过调速器从速度误差得到,如图3所示。电流调节器的输出在旋转参考系中提供参考电压。在图 3 的框图中,前馈项 ed和 eq,用于解耦控制的下式给出:

正如Boussak所描述的,两种补偿(电流控制和电压命令)是,2确保稳定和最佳控制的重要因素——加强矢量控制和弱磁控制。
EKF 因其简单性、最优性、可处理性和鲁棒性而成为非线性系统跟踪和估计最广泛使用的方法之一。为了实现对突出极IPMSM的无传感器控制,使用EKF来估计速度和转子位置。电机的线路电压和负载转矩是系统的矢量输入变量。速度和转子位置是要估计的两个量级,它们与电机电流一起构成状态矢量。
电机电流将是构成输出矢量的唯一可观测幅度。对于无传感器IPMSM驱动器的EKF实施,2轴参考框架的选择至关重要。理想的情况是使用连接到转子的d和q旋转参考系。该解决方案与IPMSM无传感器速度控制不兼容,因为估算器的输入矢量(电流和电压)取决于转子位置。在实现中观察到,转子初始位置的估计误差可能会在EKF相对于实际系统的进度中引起误差,从而产生严重影响。
在这种情况下,Boussak建议将IPMSM控制与转子参考系对齐。速度和位置仅使用定子电压和电流的测量值来估计。基于EKF的观察器使用电机模型,其数量在固定参考系中α-β连接到定子系,因此与转子位置无关。推导了静止参考系中IPMSM的非线性动态状态模型,以完成估计器:

两个定子电流,电速度和位置被用作系统状态变量(更高级的计算方案可以在Boussak的工作中找到)。
Bon-Ho Bae和Boussak开发的部署方法使无传感器控制器的可行性保持一致,将更高级的建模引入实时电机控制方案。在过去的两到四年中,微控制器和DSP制造商一直高度专注于通过新型嵌入式处理器提供足够的性能和必要的功能。这些是使设计人员能够在现实世界中应用无传感器矢量控制的关键因素。
电机效率始于处理器
如今,ADI公司的Blackfin和SHARC处理器以及其他处理器的增强功能正在实现性价比平衡,使更复杂的电机控制算法的实现开始在大批量解决方案中获得牵引力。利用这些处理器,更好的控制器和控制方案可将电机驱动器的效率提高到接近100%。在行业内,毫无疑问,运行基于实时模型的估计器的多个观察者模型的增强将有助于提高(1)驱动器的性能,(2)系统效率和拓扑,以及(3)设计的部署方法。关于(3),像Matlab/Simulink这样的图形系统今天能够简化设计流程并增强新算法的开发。使用这些工具以及与执行处理器的链接,很明显可以实现更复杂的部署。以内核速度、模数转换分辨率和内存集成为中心的处理器级增强功能将为设计人员提供能力和精度,以实现更高的质量/性能目标,同时加快上市时间。
随着ADI公司Blackfin ADSP-BF50x系列数字信号处理器的推出,在降低价格的同时,还显著提高了处理性能,为以前由性能受限的处理器和微控制器提供服务的电机控制应用带来了DSP级性能。电机系统设计人员将利用这种性能曲线,通过使用更先进的算法来实现更高的系统功能和精度,这些算法可用于准确确定转子轴的位置和速度,从而消除系统中对位置/速度传感器的需求。
Blackfin ADSP-BF50x系列体现了上述趋势,即提高片上集成度,例如高分辨率ADC,可实现精确的数据转换和建模精度,以及集成闪存以进一步加快算法处理速度,这两者都最大限度地减少了片外组件并降低了整体系统成本。处理器提供性能和片上集成的最佳组合,使设计人员能够实现许多系统级设计目标,包括实时处理更多数据、减少延迟、将处理任务整合到单个处理器,以及更灵活地优化系统接口和控制功能。
如今,新技术正在推动电机系统功能的范式转变,平衡设计拓扑和处理器属性,以实现更高的整体系统性能和效率。高性能DSP使现代控制理论能够用于高级系统建模,确保任何实时电机系统的最佳功率和控制效率。无传感器矢量控制的广泛应用现已触手可及,并有望加速全球向更节能和高性能工业设备的发展。
审核编辑:郭婷
上一篇:数字PID控制的原理
下一篇:无刷直流电机控制系统是什么