时间:2023-03-06 16:16
人气:
作者:admin
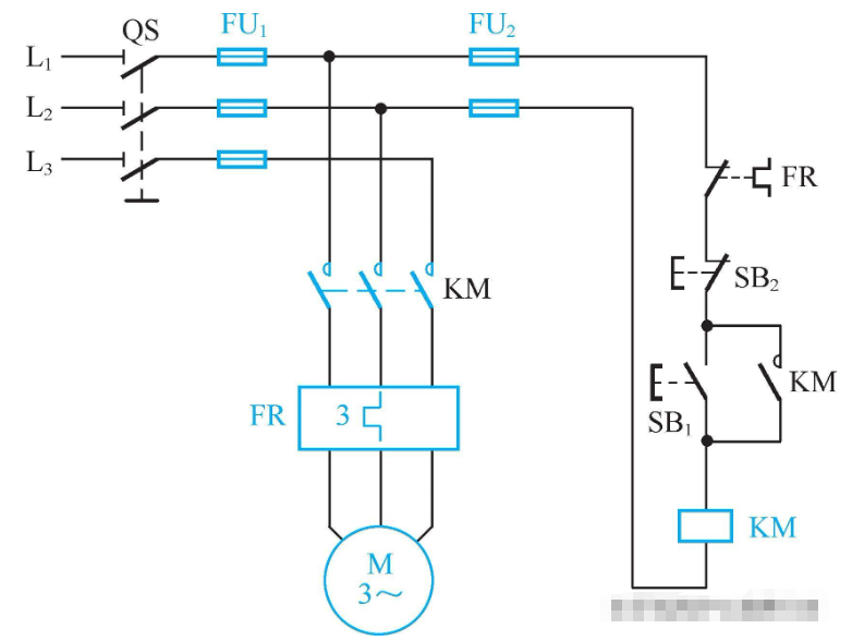
电动机单向控制电路的工作原理
电动机单向控制电路见图所示。

电动机单向控制电路原理图
启动电动机时,合上电源开关QS,按下启动按钮SB1,接触器KM线圈获电,KM主触点闭合,使电动机M运转;松开SB1,由于接触器KM常开辅助触点闭合自锁,控制电路仍保持接通,电动机M继续运转。停止时,按SB2,接触器KM线圈断电,KM主触点断开,电动机M停转。
具有自锁的正转控制线路的另一个重要特点是它具有欠电压与失压(或零压)保护作用。当电动机过载时,主回路热继电器FR所通过的电流超过额定电流值,使FR内部发热,其内部金属片弯曲,推动FR常闭触点断开,接触器KM的线圈断电释放,电动机便脱离电源停转,起到了过载保护作用。
电动机点动控制电路的工作原理

电动机点动控制电路原理图
控制过程:
启动:按下起动按钮SB→接触器KM线圈得电→KM主触头闭合→电动机M启动运行。
停止:松开按钮SB→接触器KM线圈失电→KM主触头断开→电动机M失电停转。
这种控制方法常用于电动葫芦的起重电机控制和车床拖板箱快速移动的电机控制。
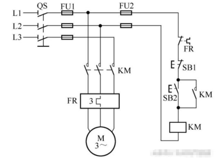
电动机长动控制电路的工作原理
电动机长动控制电路如图所示。

电动机长动控制电路原理图
工作原理:
当启动电动机时合上电源开关QS,按下启动按钮SB2,接触器KM线圈得电,KM主触点闭合使电动机M运转;松开SB2,由于接触器KM 常开辅助触点闭合自锁,控制电路仍保持接通,电动机M继续运转。停止时按SB1,接触器KM失电释放,KM主触点断开,电动机M停转。
综合整理自电子工程师小李、头条号嵌入式胖胖、电工常用经典线路应用范例
上一篇:额定电机怎么调速
下一篇:电动机正反转的工作原理及接线方法