时间:2023-03-06 17:05
人气:
作者:admin
三相异步电动机多地拖动控制电路原理分析
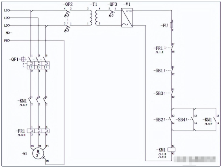
三相异步电动机多地控制电路原理图与说明

三相异步电动机多地拖动控制原理图
工作原理如下:
SB1 与 SB2 在甲地,SB3 与 SB4 在乙地,两地均可以对电动机 M1 进行启动与停止控制,这样对于需要多地控制的场合就会非常合适,如果需要 3 地甚至更多地控制,只要按照左图一样, 在启动按钮侧并联更多启动按钮,在停止按钮侧串联更多停止按钮就可以。
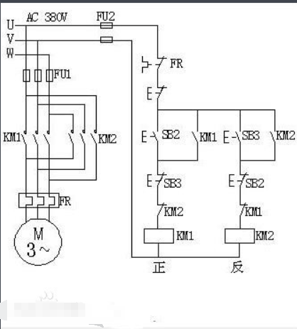
三相异步电动机正反转控制原理分析
主回路采用两个接触器,即正转接触器KM1和反转接触器KM2。当接触器KM1的三对主触头接通时,三相电源的相序按U―V―W接入电动机。当接触器KM1的三对主触头断开,接触器KM2的三对主触头接通时,三相电源的相序按W―V―U接入电动机,电动机就向相反方向转动。电路要求接触器KM1和接触器KM2不能同时接通电源,否则它们的主触头将同时闭合,造成U、W两相电源短路。为此在KM1和KM2线圈各自支路中相互串联对方的一对辅助常闭触头,以保证接触器KM1和KM2不会同时接通电源,KM1和KM2的这两对辅助常闭触头在线路中所起的作用称为联锁或互锁作用,这两正向启动过程对辅助常闭触头就叫联锁或互锁触头。

三相异步电动机正反转控制原理图
正向启动过程
按下起动按钮SB2,接触器KM1线圈通电,与SB2并联的KM1的辅助常开触点闭合,以保证KM1线圈持续通电,串联在电动机回路中的KM1的主触点持续闭合,电动机连续正向运转。
停止过程
按下停止按钮SB1,接触器KM1线圈断电,与SB2并联的KM1的辅助触点断开,以保证KM1线圈持续失电,串联在电动机回路中的KM1的主触点持续断开,切断电动机定子电源,电动机停转。
反向启动过程
按下起动按钮SB3,接触器KM2线圈通电,与SB3并联的KM2的辅助常开触点闭合,以保证KM2线圈持续通电,串联在电动机回路中的KM2的主触点持续闭合,电动机连续反向运转。
综合整理自头条号是尧三皮、百度百科