时间:2023-03-02 18:01
人气:
作者:admin
无刷直流电机由电动机主体和驱动器组成,是一种典型的机电一体化产品。 无刷电机是指无电刷和换向器(或集电环)的电机,又称无换向器电机。早在十九纪诞生电机的时候,产生的实用性电机就是无刷形式,即交流鼠笼式异步电动机,这种电动机得到了广泛的应用。但是,异步电动机有许多无法克服的缺陷,以致电机技术发展缓慢。上世纪中叶诞生了晶体管,因而采用晶体管换向电路代替电刷与换向器的直流无刷电机就应运而生了。这种新型无刷电机称为电子换向式直流电机,它克服了第一代无刷电机的缺陷。
无刷直流电机由电动机主体和驱动器组成,是一种典型的机电一体化产品,具有响应快速、较大的起动转矩、从零转速至额定转速具备可提供额定转矩的性能,具有可靠性高,稳定性好,适应性强,软启软停、制动特性好,可省去原有的机械制动或电磁制动装置的特点。
无刷直流电机的电流换向电路
无刷直流电机之所以既只用直流电,又不用电刷,是因为外部有个电路来专门控制它各线圈的通电。这个电流换向电路最主要的部件是FET(场效应晶体管,Field-EffectTransitor)。可以把FET看作是开关。下图将FET标为AT(A相Top),AB(A相Bottom),BT,BB,CT,CB。FET的“开合”是由单片机控制的。

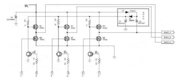
无刷直流电机的三相全桥驱动电路
下图为无刷电机的三相全桥驱动电路,使用六个N沟道的MOSFET管(Q1~Q6)做功率输出元件,工作时输出电流可达数十安。为便于描述,该电路有以下默认约定:Q1/Q2/Q3称做驱动桥的“上臂”,Q4/Q5/Q6称做“下臂”。

图中R1/R2/R3为Q1/Q2/Q3的上拉电阻,连接到二极管和电容组成的倍压整流电路(原理请自行分析),为上臂驱动管提供两倍于电源电压(2×11V)的上拉电平,使上臂MOSFET在工作时有足够高的VGS压差,降低MOSFET大电流输出时的导通内阻,详细数据可参考MOS管DataSheet。上臂MOS管的G极分别由Q7/Q8/Q9驱动,在工作时只起到导通换相的作用。下臂MOS由MCU的PWM输出口直接驱动,注意所选用的MCU管脚要有推挽输出特性。
综合整理自百度百科、 智联开发服务、CSDN-月亮泉
上一篇:三相异步电机的工作原理及基本结构
下一篇:滑环电机怎样使用变频器控制