时间:2023-03-03 12:02
人气:
作者:admin
朋友们大家好我是大俵哥,电气控制里最基础的两个电路:自锁和互锁,自锁常用于控制电机的启动和停止,互锁常用于电机的正反转控制。那么在PLC里面怎么实现自锁和互锁呢?和电气原理图有什么关系吗?今天我们一起来看一下。
一,首先看一下自锁,我们来比较一下继电器线路和梯形图有什么区别?

自锁
SB1为启动按钮SB2为停止按钮,与交流接触器组成自锁控制。而在梯形图里面,X0和X1为输入信号,分别对应启动和停止,Y0为输出,控制交流接触器KM。这两种控制方式其实很类似,只不过把按钮控制转换为PLC的输入信号,而接触器的自锁就是梯形图里的YO输出。

PLC接线

实物接线
自锁电路里启动按钮用的常开点,停止按钮用的是常闭点,而PLC电路里,启动和停止按钮都是接的常开点,所以接线时一定要注意。
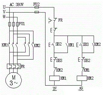
二,电机的正反转电路应用非常广泛,里面就包含互锁控制。

原理图
一般都是双重互锁,两个交流接触器电气互锁,两个按钮开关机械互锁。这样接线更加的安全,正转时切断反转回路,反转时切断正转回路,避免了因误操作而引起的主电路短路。

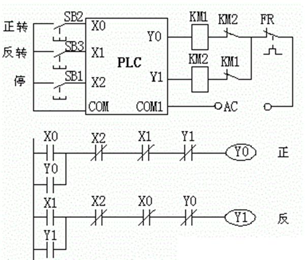
梯形图
我们再来看一下梯形图,PLC输出的YO和Y1控制两个交流接触器,两个交流接触器也是电气互锁,梯形图里XO和X1、Y0和Y1也是互锁,和电气原理图基本相同。
综上所述:想学习PLC,先学电气控制还是很必要的,基础打的好,学习才能事半功倍。
上一篇:电动机降压启动电路图解