时间:2023-03-01 10:03
人气:
作者:admin
双速电机实物接线图
随着变频器在市场上的占有率逐步提升,双速控制在现场已经应用的不多,但在有些场合,目前仍有采用,比如冷却塔的风机,就属于双速控制。环境温度低时,采用低速控制,夏季温度高时,则采用高速控制。
这类双速电机受直接启动的影响,功率一般都不会做得很大,因为,不管是低速,还是高速,都需要全压启动,不得不考虑启动电流对电网的造成的冲击。
双速电机,改变的是电机极对数,所以,在电机绕线时一定会与普通电机不同,具体看下图:

这就是双速电机的电机接线,这里需要注意下,电机低速运行,接成三角形。u1、v1、w3接三相电源就组成了三角形接线,u2、v2、w2三个端子悬空。务必要看好图,重点部分再说一遍,u2、v2、w2三个端子务必要悬空。高速运行接成双星形,u2、v2、w2三个端子接三相电源,u1、v1、w3三个端子用连接片短接成星点。全是一点经验吧,既然是经验,就一定有故事。
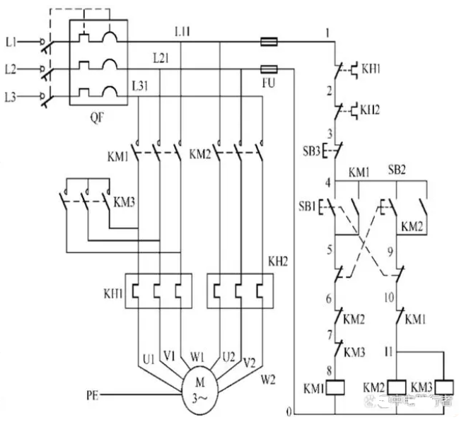
再说一下它的控制,回路很简单,如下图:

该回路由三个接触器组成,km1为低速,km2、km3为高速,两个回路够成双互锁,分别为按钮的机械互锁和辅助点的电气互锁。低速时不得接通高速回路,高速时,低速回路也要断开,这样才能确保运行的安全性。
接线图如下图:

低速时电机是三角形接法,高速时是双YY型接法。我们可以通过3个接触器实现高低速切换。



从图中我们可以看出,当按下SB1的时候,KM1会自锁,这时候电机是三角形接法,低速运行。当按下SB2的时候,KM1断开,KM2和KM3同时自锁。这时候电机是双YY型接法,高速运行。而且KM1和(KM2KM3)互锁,更加的安全。
上一篇:电磁制动电动机的工作原理
下一篇:两相混合式步进电机的工作原理