时间:2023-03-02 13:59
人气:
作者:admin
三相交流电动机的PLC连续控制电路图:

通过PLC的I/O接口与外部由器部件进行连接,提高了系统的可靠性,并能够有效地晚低故障率,维护方便。当使用编程软件向PLC中写入控制程序,便可以实现外接电器部件及负载电动机等没备的自动控制。想要改动控制方式时,只需要修改PLC中的控制干程序即可,大大提高了调试和改装效率。
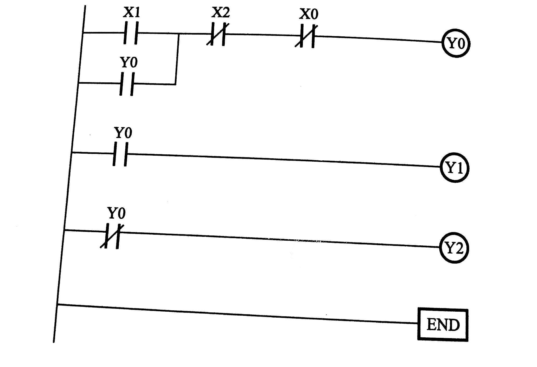
PLC连续控制梯形图:

PLC连续控制梯形图
PLC连续控制电路的控制原理图:

PLC连续控制电路原理图
控制过程如下:
按下启动键SB1时,其将PLC内的X1置“I”,即该触点接通,使得Y0得电,控制PLC外接交流接触器KM线圈得电。
Y0得电,常开触点Y0(KM-2)闭合自锁,使启动按钮断开,电动机仍然会保持运行,因此启动键常采用点动式开关,按一下即可启动,手松开后电动机仍保持运行,有效降低启动部件电设气损耗和安全性,可靠性;控制Y0的常开触点Y0(KM-4)接通,Y1得电,运行指示灯RL点亮;常闭触点Y0(KM-3)断开,Y2失电,停机指示灯GL熄灭。
同时,KM1线圈得电,常开触点KM-1闭合,接通电动机电源,电动机启动运转。
上一篇:PLC的输出意义以及如何实现
下一篇:PLC控制的电机正反转电路讲解