时间:2023-02-06 10:25
人气:
作者:admin
电工知识—SIMATICS7-1500 PLC典型模拟量输出接线图(4)
模拟量输出模块:
SIMATIC S7-1500PLC的模拟量输出模块是将PLC传来的数字量转换成模拟量(电流和电压信号),一般用于控制阀门的开度或者变频器的频率给定等。
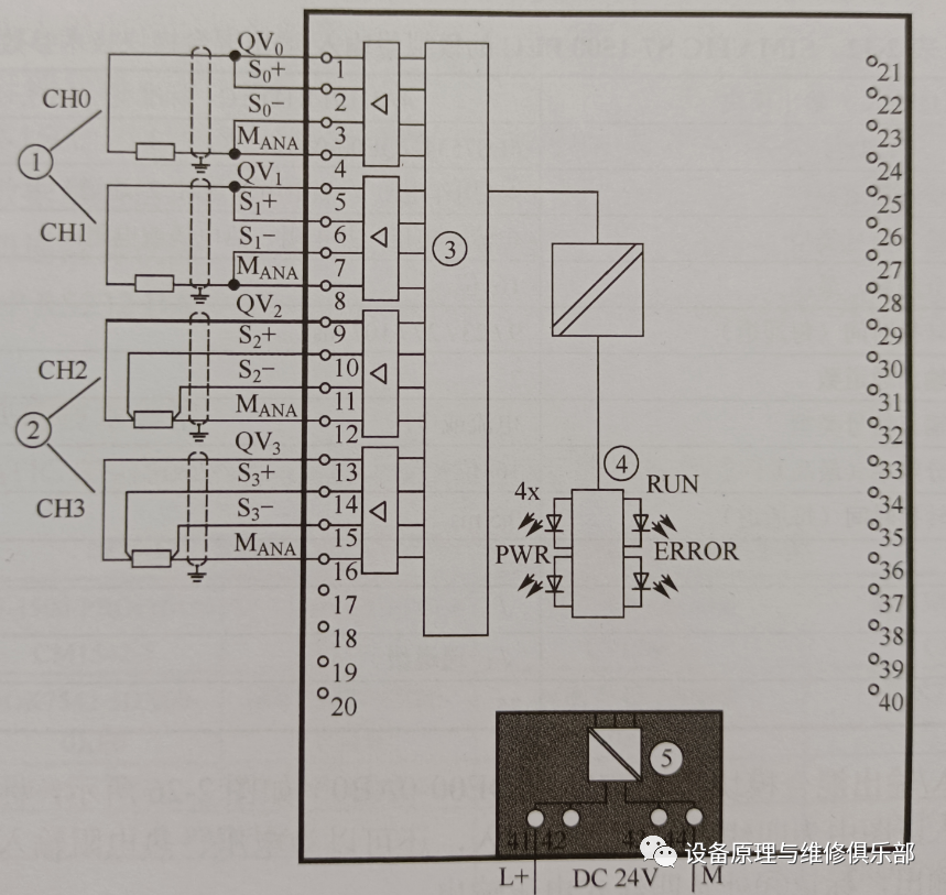
模拟量输出模块(6ES7532-5HD00-0AB0)电压输出的接线图如下图所示:

标记①是电压输出二线式接线,无电阻补偿,精度相对低些,标记②是电压输出四线式接法,有电阻补偿,精度比二线式接法高。
模拟量输出模块(6ES7532-5HD00-0AB0)电流输出的接线如下图所示:

模拟量输入/输出混合模块:
SIMATIC S7-1500 PLC模拟量输入/输出混合模块就是一个模块上有模拟量输入通道和模拟量输出通道。
模拟量输入/输出混合模块(6ES7534-7QE00-0AB0)如下图所示:

标记⑥处是4个通道的模拟量输入,图中为四线式电流信号输入,还可以为电压、电热组输入信号。标记⑦处是二线式电压输出,标记⑧处是四线式电压输出。
审核编辑:汤梓红