时间:2023-02-06 10:23
人气:
作者:admin
电工知识—SIMATICS7-1500 PLC典型模拟量接线图(3)
数字量输入/输出混合模块:
数字量输入/输出混合模块就是一个模块上既有数字量输入点也有数字量输出点。典型的数字量输入/输出混合模块(6ES7523-1BL00-0AA0)的接线如下图所示:

16点的数字量输入为直流输入,高电平信号有信号,即PNP型输入。16点的数字量输出为直流输出,高电平信号有效,即PNP型输出。
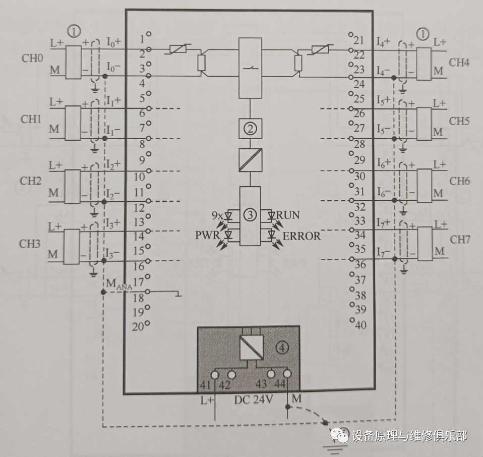
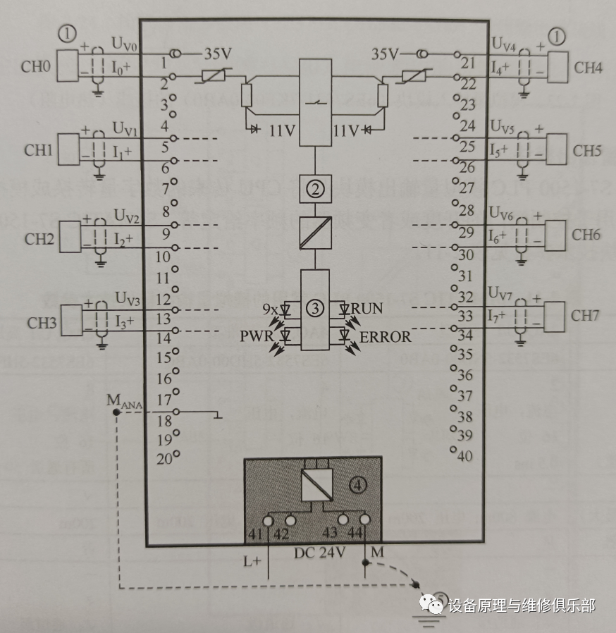
模拟量输入模块:
SIMATIC S7-1500PLC的模拟量输入模块是将采集模拟量(如电压、电流、温度等)转换成CPU可以识别的数字量的模块,一般传感器或变送器相连接。
以下仅以模拟量输入模块(6ES7531-7KF00-0AB0)为例介绍模拟量输入模块的连接。此模块功能比较强大,可以测量电流、电压,还可以通电电阻、热电阻和热电偶测量温度。其测量电压信号的接线图如下所示:

图中的连接电源电压与端子是41(L+)和44(M),然后通过端子42(L+)和43(M)为下一个模块供电。
注:图中的虚线是等电位连接电缆,当信号有干扰时,可采用。
测量电流信号的四线式连接线如下图所示:

二线式如下图所示:

标记⑤表示等电位接线。
测量温度的二线式、三线式和四线式热电阻接线如下所示:

注:此模块来测量电压和电流信号式8通道,但用热电测量温度只有4通道。标记①式四线式热电阻接法,标记②式三线热电阻接法,标记③是二线式热电阻接法。标记⑦表示等电位接线。
审核编辑:汤梓红