时间:2022-11-07 11:50
人气:
作者:admin
在直流电机中,有有刷直流电机和无刷直流电机之分,它们之间各有各的优点,有刷直流电机优点在于价格便宜、控制方便但转速和寿命无法做得很高,无刷直流电机可以,但是成本高且控制较为复杂。
今天大家来讲一讲无刷直流电机驱动方式,让大家进一步来了解无刷直流电机(我们虽然是只做微型有刷直流电机研发,但是对于各种电机的知识还是非常专业的),本篇文章只为普及各种直流电机的知识。
直流电机根据驱动线圈的数量可分为两相、三相,线圈驱动方式及接线方式也有很多种,下面我们来展示一种三相驱动线圈的直流电机驱动方式,如图(懂电路的一眼就能看懂,不懂的我们下面会有具体说明)。

上图中1和2是双极性驱动,驱动线圈由上面的电源和下面接地的两个晶体管驱动,双极驱动方式直流电机的接线方式有两种,就是图1和2下标示的星形连接与三角形连接,大转矩电直流电机更适于三角形连接方式,因为在线圈的线直径绕线匝数一样的性况下,它的电流会更大。
除了双极性驱动外,图3为一个单极性驱动,各个线圈的驱动由晶体管的开关切换,这佧驱动的方法的主要特点就是简单,能降低一定的成本,不过直流电机的转矩及平滑度就无法和双极性驱动的直流电机相比了。
相信大家都知道有刷直流电机只需要接上电源就能旋转了,无刷的不同,没有控制电路它就无法旋转。
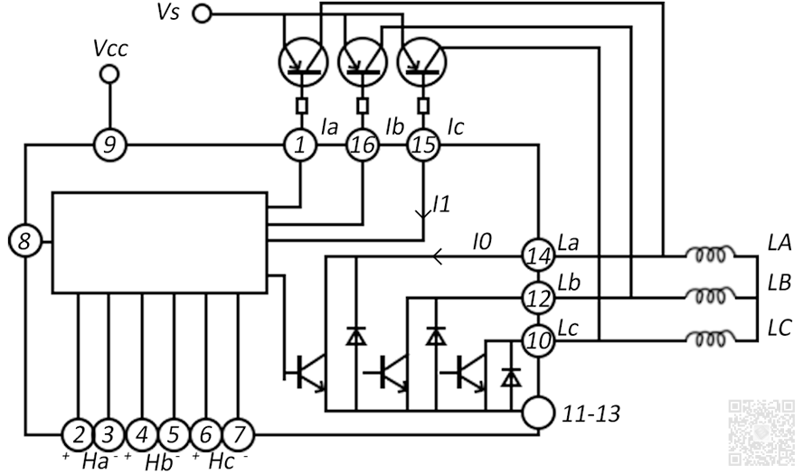
直流电机的电路是由霍尔传感器构成的,我们下面来看一个常见的直流电机电路控制图:

图中霍尔电压放大电路、三相逻辑电路和下臂驱动电路(最大1A)都集成在单芯片里。进行单极性驱动时,可以直接接上直流电机。这种是通过霍尔元件检测转子转子位置的。需要双极驱动时,在正极加上驱动到的晶体管就可以了。
审核编辑:汤梓红
下一篇:伺服电机的优缺点