时间:2022-11-15 11:48
人气:
作者:admin
PLC控制系统,是专为工业生产设计的一种数字运算操作的电子装置,是工业控制的核心部分。今天的PLC已不再局限于逻辑控制,在运动控制、过程控制等领域也发挥着十分重要的作用。接下来,我们来简单的学习一下PLC的这些工作原理动图吧!
PLC顺序控制

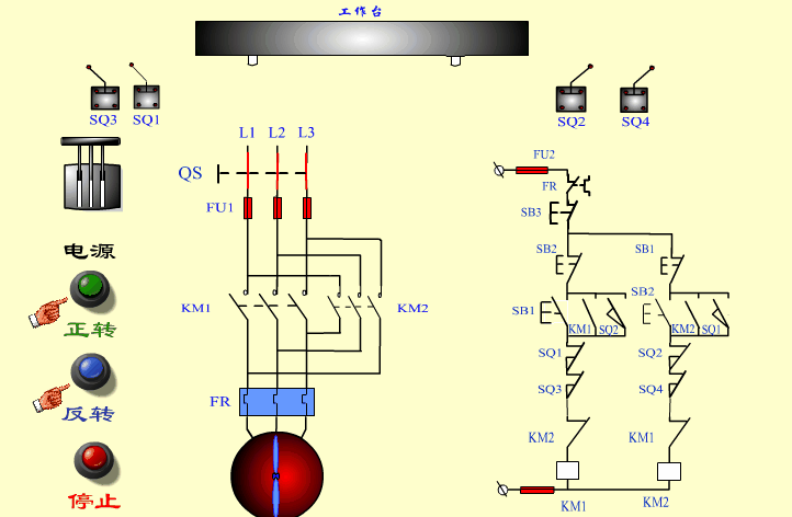
PLC正反转控制

按钮开关

冲孔加工

断电延时型时间继电器

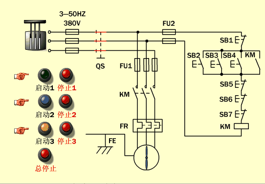
多点控制

滚轮式行程开关

红绿灯

机械手

交流接触器

热继电器

三相闸刀

时间继电器

手动控制

速度继电器

星三角启动

异步电动机转动原理

自动往返控制

传感器工作原理动图

MQN型气敏电阻结构及测量电路

便面积型电容传感器工作原理

布料张力测量及控制原理

差压式液位计

超声波测量原理

超声波测量密度原理

超声波测量液位原理

超声波测量计原理

超声波探头结构原理

超声波应用的两种类型

超声波防盗报警器

称重式料位计

电容测厚仪

电容加速传感器

电容式油量表原理

电容液位集原理

电位器式传感器

电子皮带称重示意图

多孔性氧化铝湿电容原理

光柱显示编码式液位计原理

荷重传感器的应用

斜探头探伤

扩散硅胶式传感器

接近开关物体检测原理

频率差法测量流量的原理

气泡式水平仪工作原理

陶瓷湿度传感器

压阻式传感器测量液位的工作原理

应变式加速传感器

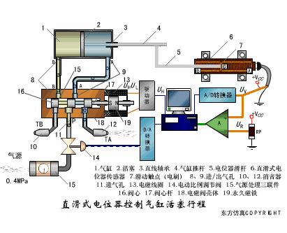
直滑式电位器控制气缸

编辑:黄飞