时间:2022-10-09 16:24
人气:
作者:admin
一、接触器连锁正反转电路

1、闭合电源
闭合总电源QF1,QF2,闭合控制电源QF3。
2、正转启动运行
按下启动按钮SB2,通过常闭触点KM2将4、5号线接通,线圈KM1得电,辅助触点KM1闭合,3、4号线接通自保持,接触器KM1主触点闭合,电动机得电正转运行。同时辅助触点KM1断开6、7号线,闭锁线圈KM2,防止其带电。
3、正转停止运行
按下停止按钮SB1,线圈KM1失电,接触器KM1主触点、辅助自保持触点恢复初始状态,电动机断电停止正转运行。
4、反转启动运行
按下启动按钮SB3,通过常闭触点KM1将6、7号线接通,线圈KM2得电,辅助触点KM2闭合,3、6号线接通自保持,接触器KM2主触点闭合,电动机得电反转运行。同时辅助触点KM2断开4、5号线,闭锁线圈KM1,防止其带电。
5、反转停止运行
按下停止按钮SB1,线圈KM2失电,接触器KM2主触点、辅助自保持触点恢复初始状态,电动机断电停止反转运行。
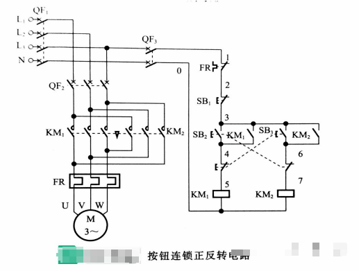
二、按钮连锁正反转电路

1、闭合电源
闭合总电源QF1,QF2,闭合控制电源QF3。
2、正转启动运行
按下启动按钮SB2,通过SB3的常闭触点将4、5号线接通,线圈KM1得电,辅助触点KM1闭合,3、4号线接通自保持,接触器KM1主触点闭合,电动机得电正转运行。
3、正转停止运行
按下停止按钮SB1,线圈KM1失电,接触器KM1主触点、辅助自保持触点恢复初始状态,电动机断电停止正转运行。
4、反转启动运行
按下启动按钮SB3,通过SB2的常闭触点将6、7号线接通,线圈KM2得电,辅助触点KM2闭合,3、6号线接通自保持,接触器KM2主触点闭合,电动机得电反转运行。
5、反转停止运行
按下停止按钮SB1,线圈KM2失电,接触器KM2主触点、辅助自保持触点恢复初始状态,电动机断电停止反转运行。
三、时间继电器自动控制Y-△控制电路

1、闭合电源
闭合总电源QF1,QF2,闭合控制电源QF3。
2、Y形启动运行
按下启动按钮SB2,线圈KM1得电,常开触点KM1闭合,接通3、4号线自保持,通过常闭触点KM3将4、5号线接通,线圈 KT得电,常闭触点KT使5、6号线接通,线圈KM2得电,主触点KM1、KM2闭合,电动机得电Y形运行,并断开常闭触点KM2,4、7号线断电,闭锁KM3,防止其带电。
3、△形运行
线圈KT得电,常闭触点KT断开,5、6号线断电,使线圈KM2失电,常闭触点KM2恢复初始状态,闭合4、7号线,常开触点KT延时闭合,使线圈KM3得电并接通常开触点KM3,7、8号线自保持,常闭触点KM3断开4、5号线,线圈KT失电。主触点KM1、KM3闭合,电动机得电△形运行。
4、停止运行
按下停止按钮SB1,线圈KM1和KM3失电,接触器主触点、辅助自保持触点恢复初始状态,电动机断电停止运行。
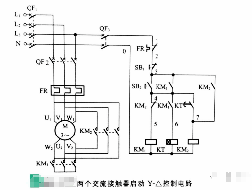
四、两个交流接触器启动Y-△控制电路

1、闭合电源
闭合总电源QF1,QF2,闭合控制电源QF3。
2、启动运行
按下启动按钮SB2,通过常闭触点KM2将4、5号线接通,线圈KM1得电,常开触点KM1闭合,接通3、4号线自保持,同时将4、6号线接通,线圈KT得电。KM1主触点闭合,电动机得电Y形运行。
KT线圈得电后,延时触点动作,接通4、7号线使线圈KM2得电,常开触点KM2闭合接通3、7号线自保持。常闭触点KM2断开4、5号线,使线圈KM1失电,KM2主触点闭合,电动机得电△形运行。
3、停止运行
按下停止按钮SB1,线圈KM2失电,接触器主触点、辅助自保持触点恢复初始状态,电动机断电停止运行。
上一篇:减速机过程中的选择依据和方法