时间:2022-10-18 10:44
人气:
作者:admin
无刷直流 (BLDC) 电机的日益普及是由于使用了电子换向。这取代了由刷子在换向器上摩擦以激励直流电机电枢中的绕组的传统机制。而BLDC 电机可以采用不同的物理配置构建,根据定子绕组,这些可以配置为单相、两相或三相电机。
其中,单相感应马达和单相无刷直流(BLDC)马达已存在多年,广泛部署于家用电器(如冰箱)、工业空调系统及其他众多应用,提供了一个相对便宜驱动风扇的方法。虽然这类应用的物料成本很低,但这是错误的省钱方式,因为普遍存在于马达的低能效工作意味着相关功耗将维持在高水平,因此电费会更高。
此外,单相BLDC马达产生的相当大的噪声所引起的麻烦也要列入考虑。随着更强劲的国际环境立法及更多的消费者开始在意能效,都促进过时的固定速度单相感应马达转向可调速同步马达发展。
基于此,精密三相BLDC马达对于当今更注重节能的时代变得越来越有吸引力。这些组件毋需机械换向器(这对有刷马达是必备条件),因此机械不易磨损,从而可靠度更高、使用寿命更长,也支持更高的能效水平。所以,目前最常用的是带有永磁转子的三相 BLDC 电机。
下面,向大家介绍两款峰岹热门开发板。
PART 01 FT8215Q开发板介绍
FT8215Q是一款三相、无传感器FOC控制直流无刷马达驱动IC,内置驱动MOS。支持5V-18V直流电源输入,最大可支持2A工作电流。
FT8215Q开发板是为开发者而设计的专用测试板,开发板留有电源接线端、U/V/W接线端、仿真器插座、各功能接口。开发者可仿真调试电机和通信烧录IC,以及测试PWM/VSP调速、正反转控制、FG测速等功能。
FT8215Q开发套件包括开发板、仿真器、调试手册、数据手册、调试软件、原理图等,为开发者提供了稳定的设计参考和完善的软件开发环境,能够有效帮助开发者提高开发效率、缩短开发周期、优化设计质量、加快产品研发和上市时间。

FT8215Q开发板实物图
FT8215Q开发板引脚功能

FT8215Q开发板引脚功能说明
FT8215Q开发板硬件接线

FT8215Q开发板硬件接线图
FT8215Q开发板原理图

FT8215Q开发板原理图
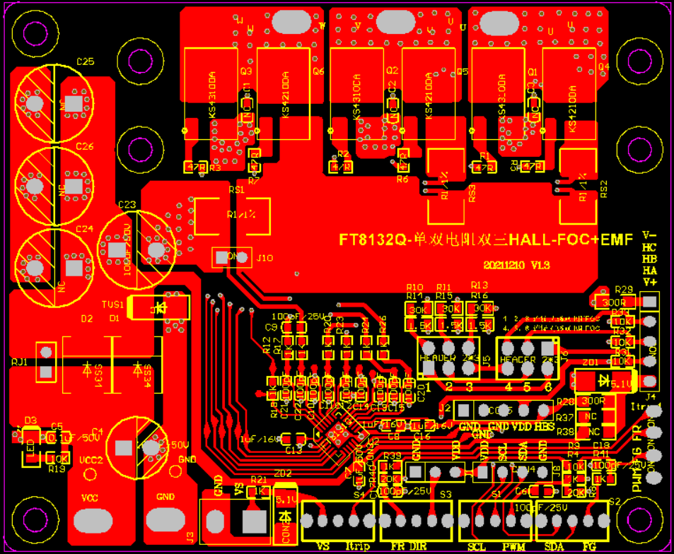
FT8215Q开发板PCB

图4:FT8215Q开发板布局

FT8215Q开发板PCB图
FT8215Q芯片封装
FT8215Q是QFN24封装,长度和宽度均为4mm,厚度为0.75mm。芯片高度集成,封装体积小,外围器件少,驱动效率高,噪音低,转矩脉动小,成本低。
FT8215Q可实现缓启动、转速控制、多种调速方式、多种保护功能等,支持预定位/初始位置检测,支持顺逆风启动,芯片可多次烧录,适用于无感三相电机的FOC正弦波驱动控制。

FT8215 QFN24(4mm*4mm*0.75mm)
FT8215Q功能框图
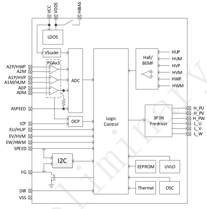
FT8215Q高度集成电机控制所需部件。内置驱动MOS,外围元器件少。芯片内置EEPROM模块,可配置电机参数、FOC参数、启动和调速参数等。
FT8215Q内置多个功能模块:系统时钟(OSC)、ADC采样、I2C通信、5V稳压(LDO)、电流采样(VScaler)、过流保护(Over Current)、过温保护(Thermal)等模块。外置引脚有U/V/W驱动输出、SPEED/APSEED调速、FG输出、正反转DIR控制等。

FT8215Q功能框图
FT8215Q功能说明

FT8215Q功能说明
PART 02 FT8132Q开发板介绍
基于FT8132Q三相电机控制专用IC为开发者提供的测试板,设计了MOSFET驱动电路,各种电流电压检测电路,HALL输入电路,以及各类功能接口电路。可实现三相电机的无感FOC驱动,有感FOC驱动,有感SVPWM驱动,支持恒转速、恒电流、恒功率、电压环控制模式,支持模拟电压、PWM、I2C、CLOCK调节电机转速,支持 HALL、BEMF 检测,还可实现转速的实时反馈和电机的控制,以及各类应用方案开发的前期预研;
FT8132Q开发测试板支持5V-28V供电电压,最大电流10A设计,支持模拟电压、PWM、I2C、CLOCK调速,FG/RD信号反馈等,峰岹科技控制专用IC高度集成,开发者仅需以 FT8132Q+MOS为基础即可完成电机控制相关产品的设计;同时开发者可使用配套的GUI调试软件直接设置参数运行,无需编程,缩短产品开发周期,简化产品的设计流程;
开发套件提供包括专用IC用户手册,PDF原理图、以及上位机GUI调试界面,仿真器等,为开发者提供了稳定的设计参考和完善的软件开发环境,能够有效帮助开发者提高开发效率、缩短开发周期、优化设计质量、加快产品研发和上市时间。

FT8132Q开发板实物图
FT8132Q开发板基本参数



FT8132Q开发板3D渲染图

FT8132Q开发板平面渲染图

FT8132Q开发板原理图

FT8132Q开发板功能接口示意
FT8132芯片介绍
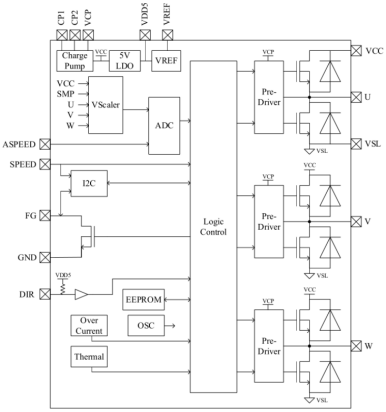
FT8132是一款三相内置Pre-driver直流无刷马达驱动 IC。芯片高度集成,外围元器件少,电机噪声低,转矩脉动小。GUI 可配置客户电机参数、启动和调速方式,并储存在内置的 EEPROM。调速接口可选择模拟电压、PWM、I2C、CLOCK 调节电机转速。集成转速指示功能,可通过FG 引脚或I2C 接口实时读取电机转速。控制方式可选择恒转速、恒电流、恒功率和电压环控制。集成过流、欠压、过压、外部过温、内部过温、堵转、缺相、Hall异常等多种保护模式,睡眠电流约50μA。

FT8132Q无感功能框图

FT8132Q有感功能框图
FT8132芯片主要参数

编辑:黄飞