时间:2022-10-19 15:38
人气:
作者:admin
无刷电机是指无电刷和机械换向器的电机。
我们知道,一般的有刷电机的定子是永磁体,转子是电磁铁。转子转动时,通过电刷来自动切换转子电磁铁的中的电流方向,使得转子始终受到转动力矩的作用,得以旋转起来。
而无刷电机,转子是永磁体,定子是电磁铁,使用电子换向器器来切换电磁铁中的电流方法。由于它没有机械式的电刷,所以称为无刷电机。
1)无刷电机的结构
先介绍几个概念,无刷电机的槽数和级数,槽数N指的是定子上的电磁铁极数量,极数P指的是转子上磁极的数量。
最简单的3N2P结构电机,就是定子上有三个线圈极、定子上有两个磁极的无刷电机。
3N2P型无刷电机的定子结构示意如下图:

定子有三组线圈:A、B、C,三个线圈的一端连接到公共点,另一端引出三个引线a、b、c。
在其中心放上一块作为定子的磁铁,就形成了最简单的无刷电机结构,如下图:

当然,这只是结构最简单的3槽2极电机,常用的电机为了使得转动更加平稳、转矩更大,会增加槽数和极数。线圈的连接方式,可以为星形,也可以是三角形连接。
同时,按机械结构,转子在电机的内部还是外围,又可以分为外转子电机和内转子电机。
2)无刷电机的驱动原理
了解了无刷电机的结构,那么,无刷电机是如何转动起来的呢?
我们仍然以最简单的3N2P无刷电机为例,假设初始时,我们在a端接电源正、b端接电源负、c端悬空,则A线圈产生磁场方向朝左上方,B线圈产生磁场方向朝正上方,磁场的矢量和朝左上方,转子磁铁在A、B线圈的磁场作用下,会转到图示方向:

下一时刻,我们在c端接电源正、b端接电源负、而a端悬空,则磁场矢量和朝向右上方,转子磁铁会从下图的1转到下图2中的位置:

同理,后续依次c+a-、a-b+、b+c-、c-a+、a+b-、b-c+循环加电,转子磁铁就能循环转动起来了。每经过6次切换电流,转子转动一圈。
因为三个线圈相隔120°,所以,不难得出两个线圈同时导通时,转矩为单个线圈的√3倍。
上述驱动方法中,每次导通了两个线圈,因此称为“二二导通”驱动方式;相对地还有一种三个线圈同时导通的方式,称为“三三导通”驱动方式。
例如,施加电压为 a+b-c- 的状态时,由于三个线圈都会产生磁场,则定子磁铁会转动到下图位置(N极正对A线圈):

而且,由于A线圈中的电流等于B、C电流之和,所以总的转矩为1.5倍A线圈的转矩。
不难分析出,“三三导通”的驱动方式,也是6个步骤完成转动一圈。如我们依次按a+b-c-、a+b-c+、a-b-c+、a-b+c+、a-b+c-、a+b+c-循环控制线圈电压,则定子也能转动起来。
3)无刷电机的驱动电路
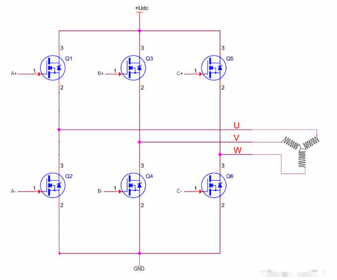
上面我们分析了如何让三相的无刷电机转动起来,实质上就是需要能对三个线圈的引出点分别加正、负电压,一般可以用如下三相六臂全桥电路来实现:

例如,在上图中导通Q1和Q4,其他都不导通,那么电流将从Q1流经U相绕组,再从V相绕组流到Q4。这样也就完成了个线圈通电,同理,依次导通Q5Q4、Q5Q2、Q3Q2、Q3Q6和Q1Q6,这也就完成了“二二导通”的6拍工作方式。
同理三相全桥也可以实现“三三导通”的控制方式。
上述全桥电路只是原理性的介绍,实际应用时,要保证控制时,不能有同一个桥臂的上下MOS管同时导通,否则会烧毁器件。我们可以先关闭上桥臂的MOS,再开启下桥臂的MOS(或者先关闭下MOS再开启上MOS)这样就避免了上下MOS同时导通的时间,错开的这个时间差,一般称为死区时间(dead time)。很多MCU输出的PWM波,都可以控制死区时间的大小,方便我们设计。
好了,关于步进电机最基础的知识就介绍到这里了,后续这个系列还会有更多内容,尽情期待。
下一篇:步进电机驱动相关的知识