网站首页

人工智能P2P分享搜索全网发布信息网站地图标签大全

当前位置:诺佳网 > 电子/半导体 > 工业控制 >

关于PLC梯形图程序设计的全面解析

时间:2022-09-16 14:31

人气:

作者:admin

标签: plc 

导读:关于PLC梯形图程序设计的全面解析- 1.PLC内部软器件触点的使用次数是无限制的。 2.梯形图的各支路,要以左母线为起点,从左向右分行绘出。每一行的前部是触点群组成的工作条件,最...
 

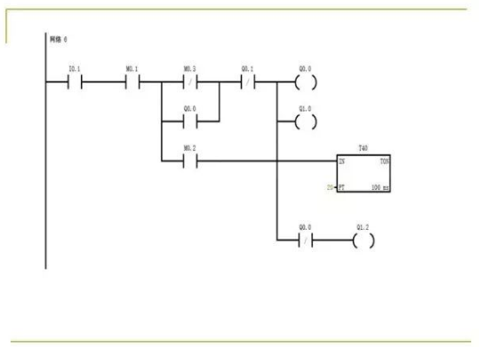
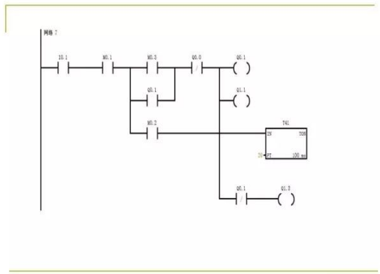
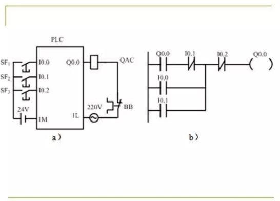
  1.PLC内部软器件触点的使用次数是无限制的。

  2.梯形图的各支路,要以左母线为起点,从左向右分行绘出。每一行的前部是触点群组成的工作条件,最右边是线圈或功能框表达的工作结果,亦即触点不能放在线圈的最右边。

78bb94cc-3587-11ed-ba43-dac502259ad0.jpg

 

7909c714-3587-11ed-ba43-dac502259ad0.jpg

 

794d7022-3587-11ed-ba43-dac502259ad0.jpg

 

799d8850-3587-11ed-ba43-dac502259ad0.jpg

 

79d0e786-3587-11ed-ba43-dac502259ad0.jpg

 

7a06a1aa-3587-11ed-ba43-dac502259ad0.jpg

 

7a246776-3587-11ed-ba43-dac502259ad0.jpg

 

7a509a6c-3587-11ed-ba43-dac502259ad0.jpg

 

7aa01966-3587-11ed-ba43-dac502259ad0.jpg

 

7ac02a3a-3587-11ed-ba43-dac502259ad0.jpg

 

7b00c8ec-3587-11ed-ba43-dac502259ad0.jpg

 

7b221ac4-3587-11ed-ba43-dac502259ad0.jpg

 

7b4b41ce-3587-11ed-ba43-dac502259ad0.jpg

 

7b741856-3587-11ed-ba43-dac502259ad0.jpg

 

7b92d93a-3587-11ed-ba43-dac502259ad0.jpg

 

7bacf554-3587-11ed-ba43-dac502259ad0.jpg

 

7be3c1ba-3587-11ed-ba43-dac502259ad0.jpg

 

7c19cf62-3587-11ed-ba43-dac502259ad0.jpg

 

7c35f5ac-3587-11ed-ba43-dac502259ad0.jpg

 

7c86f04c-3587-11ed-ba43-dac502259ad0.jpg

 

7ca5876e-3587-11ed-ba43-dac502259ad0.jpg

 

7cc2f984-3587-11ed-ba43-dac502259ad0.jpg

 

7ce12ae4-3587-11ed-ba43-dac502259ad0.jpg

 

7d1cca54-3587-11ed-ba43-dac502259ad0.jpg

 

7d478500-3587-11ed-ba43-dac502259ad0.jpg

 

7d6fc510-3587-11ed-ba43-dac502259ad0.jpg

 

7da1918a-3587-11ed-ba43-dac502259ad0.jpg

 

7dc1835a-3587-11ed-ba43-dac502259ad0.jpg

 

7deba5cc-3587-11ed-ba43-dac502259ad0.jpg

 

7e112ff4-3587-11ed-ba43-dac502259ad0.jpg

 

7e2e77da-3587-11ed-ba43-dac502259ad0.jpg

 

7e659b84-3587-11ed-ba43-dac502259ad0.jpg

 

7e8b1828-3587-11ed-ba43-dac502259ad0.jpg

 

7eac9d40-3587-11ed-ba43-dac502259ad0.jpg

 

7f1bb96e-3587-11ed-ba43-dac502259ad0.jpg

 

7f40422a-3587-11ed-ba43-dac502259ad0.jpg

 

7f5e07e2-3587-11ed-ba43-dac502259ad0.jpg

 

7f714e92-3587-11ed-ba43-dac502259ad0.jpg

 

7fa9a7a6-3587-11ed-ba43-dac502259ad0.jpg

 

7fc7867c-3587-11ed-ba43-dac502259ad0.jpg

 

800b5a46-3587-11ed-ba43-dac502259ad0.jpg

 

8032eb9c-3587-11ed-ba43-dac502259ad0.jpg

 

80587eac-3587-11ed-ba43-dac502259ad0.jpg

 

807dc360-3587-11ed-ba43-dac502259ad0.jpg

 

80b39b3e-3587-11ed-ba43-dac502259ad0.jpg

 

80c69270-3587-11ed-ba43-dac502259ad0.jpg

 

81000e06-3587-11ed-ba43-dac502259ad0.jpg

 

814028d8-3587-11ed-ba43-dac502259ad0.jpg

 

8166b3e0-3587-11ed-ba43-dac502259ad0.jpg

 

81a74b76-3587-11ed-ba43-dac502259ad0.jpg

 

81c9a932-3587-11ed-ba43-dac502259ad0.jpg

 

81e15316-3587-11ed-ba43-dac502259ad0.jpg

 

81fbe21c-3587-11ed-ba43-dac502259ad0.jpg

 

821889e4-3587-11ed-ba43-dac502259ad0.jpg

 

823f5b5a-3587-11ed-ba43-dac502259ad0.jpg

 

826aa602-3587-11ed-ba43-dac502259ad0.jpg

 

828cf2c0-3587-11ed-ba43-dac502259ad0.jpg

 

82bf4b1c-3587-11ed-ba43-dac502259ad0.jpg

 

82e7cec0-3587-11ed-ba43-dac502259ad0.jpg

 

8318bdbe-3587-11ed-ba43-dac502259ad0.jpg

 

832b582a-3587-11ed-ba43-dac502259ad0.jpg

 

8365a9ee-3587-11ed-ba43-dac502259ad0.jpg

 

838a89b2-3587-11ed-ba43-dac502259ad0.jpg

 

83b4acf6-3587-11ed-ba43-dac502259ad0.jpg

 

83d70d64-3587-11ed-ba43-dac502259ad0.jpg

 

841f2310-3587-11ed-ba43-dac502259ad0.jpg

 

84328ae0-3587-11ed-ba43-dac502259ad0.jpg

 

845c2b3e-3587-11ed-ba43-dac502259ad0.jpg

 

8491e058-3587-11ed-ba43-dac502259ad0.jpg

 

84d9b14e-3587-11ed-ba43-dac502259ad0.jpg

 

84fa7dca-3587-11ed-ba43-dac502259ad0.jpg

 

8521a65c-3587-11ed-ba43-dac502259ad0.jpg

 

854c94f2-3587-11ed-ba43-dac502259ad0.png

 

8574ff1e-3587-11ed-ba43-dac502259ad0.png

 

8597b5a4-3587-11ed-ba43-dac502259ad0.png

 

85a88e7e-3587-11ed-ba43-dac502259ad0.png

 编辑:黄飞
温馨提示:以上内容整理于网络,仅供参考,如果对您有帮助,留下您的阅读感言吧!
相关阅读
本类排行
相关标签
本类推荐

CPU | 内存 | 硬盘 | 显卡 | 显示器 | 主板 | 电源 | 键鼠 | 网站地图

Copyright © 2025-2035 诺佳网 版权所有 备案号:赣ICP备2025066733号
本站资料均来源互联网收集整理,作品版权归作者所有,如果侵犯了您的版权,请跟我们联系。

关注微信