时间:2022-09-28 11:24
人气:
作者:admin
变频器开关量输出分为继电器接点输出和晶体管输出。继电器隔离输出接点为单刀双掷(SPDT)型触点,包括一个NO和一个NC ;晶体管输出多为光耦隔离输出,或经光耦驱动的开集电极NPN三极管输出,晶体管型输出包括普通的无触点开关和高速脉冲开关。部分变频器没有高频脉冲输出功能,但至少有一个晶体管输出点和一组SPDT触点。
为描述方便,先定义前述端口的文字符号:
HDO:开集电极高速脉冲输出口;
DO:开集电极多功能数字输出口;
RA、RB、RC:继电器的SPDT接点输出端子。A代表常开,B代表常闭,C是公共端;
COM:数字输入地;
MCM:有源数字输出端子公共端。
高速脉冲输出口和COM共地,多数变频器的MCM和COM在内部是完全隔离的,数字输出口经光耦隔离后,使内外电路无任何连接,不会引入或引出干扰,便于使用外部电源,与各品牌PLC输入口都能方便对接;当然也有数字输入和数字输出共地的,即公用数字地COM。
1.高速脉冲输出口,以输出脉冲的频率来反映内部运行参数的数值。一般与模拟量输出具有相同功能,采集到的脉冲数经线性运算处理,可以得到输出电流、电机转矩、输出功率等值,至少也能指示变频器运行频率。
高频脉冲属于数字信号,传输不易受到干扰;模拟量输出在小信号时很容易受到变频器干扰,参数不稳定。在模拟量输出AO不够用时,用数字频率输出代替模拟量输出,是不错的选择。
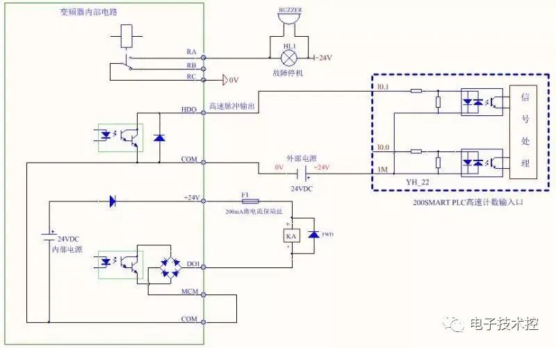
如图一所示,用PLC的高速计数输入口,对变频器的高速输出口进行采样,计算出变频器当前运行电流。变频器的内部电源功率很小且很重要,要尽量使用外部DC24V电源。如使用变频器内部电源,最好串一只快熔型微电流保险丝,如图一中的F1。

图一
2.变频器至少有一组继电器接点输出,这些无源接点能直接使用AC220V电源,可直接驱动AC220V交流接触器线圈,但线圈两端要并接阻容吸收器,防止通断过电压损坏触点,如图二所示;变频器的输出接点,也能用于驱动交流中间继电器,驱动AC220V中间继电器时,应并接压敏电阻,以吸收过高的通断操作过电压;如驱动AC24V中间继电器,建议选用带反并联红色LED的继电器,断开时可以吸收过高反电势,如图三所示。

图二

图三
3.多功能数字输出口DO,与继电器输出接点具有相同功能,都是用于指示变频器工作状态和各种警告,由变频器参数设定为多种功能之一。晶体管型输出用于驱动DC24V直流信号回路;继电器触点输出既可驱动AC220及以下的交流控制回路,也可驱动DC24V直流控制回路。
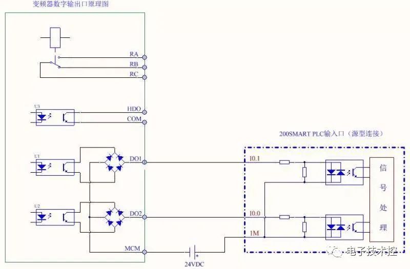
DO端口有多种结构形式,常见的有达林顿光耦配合整流桥输出,如图一的DO1-MCM;达林顿光耦加保护二极管输出,如图2中的DO-MCM;普通光耦先驱动三极管,再配合整流桥输出,如图三中DO-COM;普通光耦结合整流桥输出,如图四中DO1-MCM、DO2-MCM。
光耦结合整流桥的数字输出口,使有极性的直流输出口变成了无极性的无触点开关,与各种PLC输入口都能实现对接。如MCM和COM相互独立,则使用外部电源就更加方便、灵活。如图四和图五所示,PLC分别采用了源型和漏型连接。

图四

图五
对照图四和图五,对调一下电源正负极,就实现了PLC输入口的不同类型的连接。图二中的DO-MCM输出口,内部只有一只防反压保护二极管,端口是有极性的,外部电源只能按图示极性进行连接。晶体管输出口用于驱动直流继电器线圈时,必须并接续流二极管,以防断开瞬间产生的高压损坏光耦。
4.使用变频器容易忽视的问题:
(1)用摇表检测电机的绝缘性能时,一定要断开电机与变频器的连接;
(2)变频器的额定输出电压与额定输入电压是一致的,即当输入电源为单相AC220V(L、N端)或三相AC220V(R、S、T端)时,输出为三相交流220V(U、V、W端),用于驱动额定电压为AC380V的三相异步电机时,电机应采用△形连接,保证电机每相绕组电压是220V,这样才能输出较大的额定转矩。如采用Y形连接,则定子每相绕组电压只有127V,而转矩与定子每相电压的平方成正比,因此输出转矩将大大减小,可能无法驱动电机所带的机械负荷;
(3)普通三相异步电机的散热风扇与电机同轴转动,在低速运行时散热效果很差。在频繁调速,频繁起停、制动的场合及频率常处于30HZ以下或50Hz以上时,应选用调频电机,调频电机有独立的轴流散热风扇。
(4)高海拔地区,空气稀薄,风冷效果变差,变频器要降额使用。
(5)连接电机的电缆,对变频器来说,是容性负载。电缆越粗、越长则电容量越大,容抗越小,漏电流越大,易引起变频器过流保护动作。因此要设法缩短电缆,电缆截面积够用就行,不能随意加粗。
审核编辑:汤梓红
下一篇:霍尔传感器对电机有什么作用