时间:2022-08-27 09:19
人气:
作者:admin
步进电机接线图 ▼

两相步进电机接线图 ▼



两相混合式步进电机驱动器 ▼

四相步进电机接线图 ▼

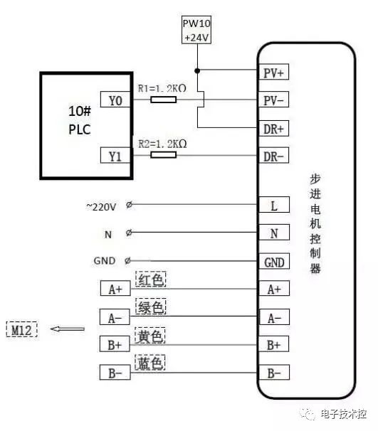
三菱PLC与步进电机驱动器的接线图 ▼

伺服系统的输进信号接线图 ▼

控制原理图片
电机控制原理图 ▼

H桥恒频斩恒相流驱动电路原理框图 ▼

电流PWM细分驱动电路示意图 ▼
![]()
单极性驱动原理图 ▼
![]()
双极性驱动原理图 ▼
![]()
步进电动机微步驱动电路基本结构 ▼
![]()
步进电动机矢量控制位置伺服系统 ▼
![]()
步进电动机的闭环伺服控制系统 ▼
![]()
审核编辑:汤梓红
上一篇:电机驱动篇-电机的工作原理