网站首页

人工智能P2P分享搜索全网发布信息网站地图标签大全

当前位置:诺佳网 > 电子/半导体 > 工业控制 >

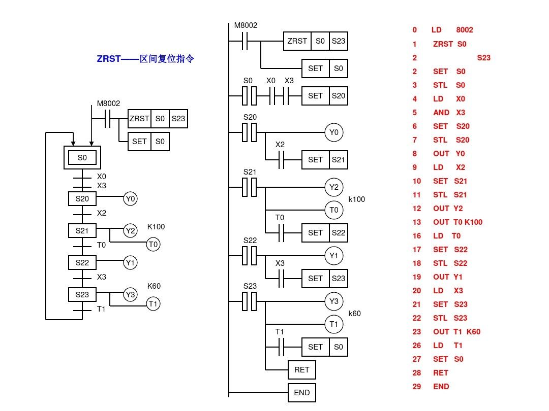
经典PLC编程案例解析

时间:2022-09-08 10:58

人气:

作者:admin

标签: plc  计时器 

导读:经典PLC编程案例解析-当X0合_上,Y0输出10s后Y1才有输出,Y0输出20s后停止输出; Y1输出10s后Y2才有输出,Y1输出30s后停止工作; Y2输出50s后停止工作; X1为总停触点。...

4720251e-2ea1-11ed-ba43-dac502259ad0.jpg

4732417c-2ea1-11ed-ba43-dac502259ad0.jpg

474f668a-2ea1-11ed-ba43-dac502259ad0.jpg

475d24c8-2ea1-11ed-ba43-dac502259ad0.jpg

476c9b7e-2ea1-11ed-ba43-dac502259ad0.jpg

4776908e-2ea1-11ed-ba43-dac502259ad0.jpg

4784c2da-2ea1-11ed-ba43-dac502259ad0.jpg

47b2ab50-2ea1-11ed-ba43-dac502259ad0.jpg

47bdc526-2ea1-11ed-ba43-dac502259ad0.jpg

47cc0da2-2ea1-11ed-ba43-dac502259ad0.jpg

47d8f396-2ea1-11ed-ba43-dac502259ad0.jpg

47e52742-2ea1-11ed-ba43-dac502259ad0.jpg

47f5c2fa-2ea1-11ed-ba43-dac502259ad0.jpg

48091670-2ea1-11ed-ba43-dac502259ad0.jpg

48154558-2ea1-11ed-ba43-dac502259ad0.jpg

48255434-2ea1-11ed-ba43-dac502259ad0.jpg

4831f20c-2ea1-11ed-ba43-dac502259ad0.jpg

483fb2f2-2ea1-11ed-ba43-dac502259ad0.jpg

484ab864-2ea1-11ed-ba43-dac502259ad0.jpg

48552682-2ea1-11ed-ba43-dac502259ad0.jpg

486626e4-2ea1-11ed-ba43-dac502259ad0.jpg

4894e718-2ea1-11ed-ba43-dac502259ad0.jpg

48a50ac6-2ea1-11ed-ba43-dac502259ad0.jpg

48b260fe-2ea1-11ed-ba43-dac502259ad0.jpg

48c54354-2ea1-11ed-ba43-dac502259ad0.jpg

48d8557a-2ea1-11ed-ba43-dac502259ad0.jpg

48e898d6-2ea1-11ed-ba43-dac502259ad0.jpg

48f88476-2ea1-11ed-ba43-dac502259ad0.jpg

490a2e2e-2ea1-11ed-ba43-dac502259ad0.jpg

49181566-2ea1-11ed-ba43-dac502259ad0.jpg

49285610-2ea1-11ed-ba43-dac502259ad0.jpg

49316728-2ea1-11ed-ba43-dac502259ad0.jpg

49434a38-2ea1-11ed-ba43-dac502259ad0.jpg

4951bc8a-2ea1-11ed-ba43-dac502259ad0.jpg

495d4f82-2ea1-11ed-ba43-dac502259ad0.jpg

496929ba-2ea1-11ed-ba43-dac502259ad0.jpg

49780be2-2ea1-11ed-ba43-dac502259ad0.jpg

4987d2c0-2ea1-11ed-ba43-dac502259ad0.jpg

499327ce-2ea1-11ed-ba43-dac502259ad0.jpg

499f69c6-2ea1-11ed-ba43-dac502259ad0.jpg

49ac4a38-2ea1-11ed-ba43-dac502259ad0.jpg

49bb0208-2ea1-11ed-ba43-dac502259ad0.jpg

49cd53d6-2ea1-11ed-ba43-dac502259ad0.jpg

49ded03e-2ea1-11ed-ba43-dac502259ad0.jpg

49ebd4c8-2ea1-11ed-ba43-dac502259ad0.jpg

49fa2514-2ea1-11ed-ba43-dac502259ad0.jpg

4a090034-2ea1-11ed-ba43-dac502259ad0.jpg

4a17b2a0-2ea1-11ed-ba43-dac502259ad0.jpg

4a2a8dbc-2ea1-11ed-ba43-dac502259ad0.jpg

4a366e66-2ea1-11ed-ba43-dac502259ad0.jpg

4a44d384-2ea1-11ed-ba43-dac502259ad0.jpg

编辑:黄飞

 

温馨提示:以上内容整理于网络,仅供参考,如果对您有帮助,留下您的阅读感言吧!
相关阅读
本类排行
相关标签
本类推荐

CPU | 内存 | 硬盘 | 显卡 | 显示器 | 主板 | 电源 | 键鼠 | 网站地图

Copyright © 2025-2035 诺佳网 版权所有 备案号:赣ICP备2025066733号
本站资料均来源互联网收集整理,作品版权归作者所有,如果侵犯了您的版权,请跟我们联系。

关注微信