时间:2022-09-08 17:35
人气:
作者:admin
变频器(Variable-frequency Drive,VFD)是应用变频技术与微电子技术,通过改变电机工作电源频率方式来控制交流电动机的电力控制设备。
它主要由整流、滤波、逆变、制动单元、驱动单元、检测单元微处理单元等组成。变频器有很多的保护功能,如过流、过压、过载保护等。
变频器的结构特征

1、电流型变频器
变频器的直流环节采用了电感元件而得名,其优点是具有四象限运行能力,能很方便地实现电机的制动功能。缺点是需要对逆变桥进行强迫换流,装置结构复杂,调整较为困难。另外,由于电网侧采用可控硅移相整流,故输入电流谐波较大,容量大时对电网会有- -定的影响。
2、电压型变频器
由于在变频器的直流环节采用了电容元件而得名,其特点是不能进行四象限运行,当负载电动机需要制动时,需要另行安装制动电路。功率较大时,输出还需要增设正弦波滤波器。
3、高低高变频器
采用升降压的办法,将低压或通用变频器应用在中、高压环境中而得名。原理是通过降压变压器,将电网电压降到低压变频器额定或允许的电压输入范围内,经变频器的变换形成频率和幅度都可变的交流电,再经过升压变压器变换成电机所需要的电压等级。这种方式,由于采用标准的低压变频器,配合降压,升压变压器,故可以任意匹配电网及电动机的电压等级,容量小的时侯(<500KW) 改造成本较直接高压变频器低。缺点是升降压变压器体积大,比较笨重,频率范围易受变压器的影响。
一般高低高变频器可分为电流型和电压型两种。
3.1、电流型
高低高电流型变频器在低压变频器的直流环节由于采用了电感元件而得名。输入侧采用可控硅移相控制整流,控制电动机的电流,输出侧为强迫换流方式,控制电动机的频率和相位。能够实现电机的四象限运行。
3.2、电压型
在低压变频器的直流环节由于采用了电容元件而得名。输入侧可采用可控硅移相控制整流,也可以采用二极管三相桥直接整流,电容的作
用是滤波和储能。逆变或变流电路可采用GTO,IGBT, IGCT或SCR元件,通过SPWM变换,即可得到频率和幅度都可变的交流电,再经升压变压器变换成电机所需要的电压等级。需要指出的是,在变流电路至升压变压器之间还需要置入正弦波滤波器(F),否则升压变压器会因输入谐波或dv/dt过大而发热,或破坏绕组的绝缘。该正弦波滤波器成本很高,一般相当于低压变频器的1/3到1/2的价格。
4、高高变频器
高高变频器无需升降压变压器,功率器件在电网与电动机之间直接构建变换器。由于功率器件耐压问题难于解决,目前国际通用做法是采用器件串联的办法来提高电压等级,其缺点是需要解决器件均压和缓冲难题,技术复杂,难度大。但这种变频器由于没有升降压变压器,故其效率较高低高方式的高,而且结构比较紧凑。
高高变频器也可分为电流型和电压型两种
4.1、电流型
它采用GTO,SCR或IGCT元件串联的办法实现直接的高压变频,目前电压可达10kV。由于直流环节使用了电感元件,其对电流不够敏感,因此不容易发生过流故障,逆变器工作也很可靠,保护性能良好。其输入侧采用可控硅相控整流,输入电流谐波较大。变频装置容量大时要考虑对电网的污染和对通信电子设备的干扰问题。均压和缓冲电路,技术复杂,成本高。由于器件较多,装置体积大,调整和维修都比较困难。逆变桥采用强迫换流,发热量也比较大,需要解决器件的散热问题。其优点在于具有四象限运行能力,可以制动。
需要特别说明的是,该类变频器由于较低的输入功率因数和较高的输入输出谐波,故需要在其输入输出侧安装高压自愈电容。
4.2、电压型
电路结构采用IGBT直接串联技术,也叫直接器件串联型高压变频器。其在直流环节使用高压电容进行滤波和储能,输出电压可达6KV,其优点是可以采用较低耐压的功率器件,串联桥臂上的所有IGBT 作用相同,能够实现互为备用,或者进行冗余设计。缺点是电平数较低,仅为两电平,输出电压dV/dt也较大,需要采用特种电动机或整加高压正弦波滤波器,其成本会增加许多。它不具有四象限运行功能,制动时需另行安装制动单元。
这种变频器同样需要解决器件的均压问题,一般需特殊设计驱动电路和缓冲电路。对于IGBT驱动电路的延时也有极其苛刻的要求。一旦IGBT的开通、关闭的时间不一致,或者上升、下降沿的斜率相差太悬殊,均会造成功率器件的损坏。
5、嵌位型变压器
钳位型变频器一般可分为二极管钳位型和电容钳位型。
5.1、二极管嵌位型
它既可以实现二极管中点嵌位,也可以实现三电平或更多电平的输出,其技术难度较直接器件串联型变频器低。由于直流环节采用了电容元件,因此它仍属于电压型变频器。这种变频器需要设置输入变压器,它的作用是隔离与星角变换,能够实现12脉冲整流,并提供中间嵌位零电平。通过辅助二极管将IGBT等功率器件强行嵌位于中间零电平上,从而使IGBT两端不会因过压而烧毁,又实现了多电平的输出。
这种变频器结构,输出可以不安装正弦波滤波器。
5.2、电容嵌位型
它采用同桥臂增设悬浮电容的办法实现了功率器件的嵌位,目前这种变频器应用的比较少。
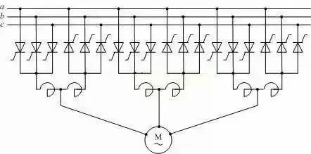
6、单元串联型变频器
这是近几年才发展起来的一-种电路拓扑结构,它主要由输入变压器、功率单元和控制单元三大部分组成。采用模块化设计,由于采用功率单元相互串联的办法解决了高压的难题而得名,可直接驱动交流电动机,无需输出变压器,更不需要任何形式的滤波器。以6单元串联为例。整套变频器共有18个功率单元,每相由6台功率单元相串联,并组成Y形连接,直接驱动电机。每台功率单元电路、结构完全相同,可以互换,也可以互为备用。
变频器的输入部分是一台移相变压器,原边Y形连接,副边采用沿边三角形连接,共18副三相绕组,分别为每台功率单元供电。它们被平均分成I、II、 II三大部分,每部分具有6副三相小绕组,之间均匀相位移10度。
该变频器的特点如下:
①采用多重化PWM方式控制,输出电压波形接近正弦波。
②整流电路的多重化,脉冲数多达36,功率因数高,输入谐波小。
③模块化设计,结构紧凑,维护方便,增强了产品的互换性。
④直接高压输出,无需输出变压器。
⑤极低的dv/dt输出,无需任何形式的滤波器。
⑥采用光纤通讯技术,提高了产品的抗干扰能力和可靠性。
⑦功率单元自动旁通电路,能够实现故障不停机功能。
变频器的结构原理图解
可以简单的说,交交变频器需要使用太多元件,不好控制,而交直交使用的元件少,控制简单,所以目前大多使用交直交结构的变频器。
1、变频器的发展也同样要经历一个徐徐渐进的过程,最初的变频器并不是采用这种交直交:交流变直流而后再变交流这种拓扑,而是直接交交,无中间直流环节。这种变频器叫交交变频器,目前这种变频器在超大功率、低速调速有应用。其输出频率范围为:0-17(1/2-1/3输入电压频率),所以不能满足许多应用的要求,而且当时没有IGBT,只有SCR,所以应用范围有限。
交-交变频器其工作原理是将三相工频电源经过几组相控开关控制直接产生所需要变压变频电源,其优点是效率高,能量可以方便返回电网,其最大的缺点输出的最高频率必须小于输入电源频率1/3或1/2,否则输出波形太差,电机产生抖动,不能工作。故交交变频器至今局限低转速调速场合,因而大大限制了它的使用范围。

矩阵式变频器是一种交交直接变频器,由九个直接接于三相输入和输出之间的开关阵组成。矩阵变换器没有中间直流环节,输出由三个电平组成,谐波含量比较小;其功率电路简单、紧凑,并可输出频率、幅值及相位可控的正弦负载电压;矩阵变换器的输入功率因数可控,可在四象限工作。
虽然矩阵变换器有很多优点,但是在其换流过程中不允许存在两个开关同时导通的或者关断的现象,实现起来比较困难。矩阵变换器最大输出电压能力低,器件承受电压高也是此类变换器一个很大缺点。
应用在风力发电中,由于矩阵变换器的输入输出不解耦,即无论是负载还是电源侧的不对称都会影响到另一侧。另外,矩阵变换器的输入端必须接滤波电容,虽然其电容的容量比交直交的中间储能电容小,但由于它们是交流电容,要承受开关频率的交流电流,其体积并不小。

交-交变频就是直接变频,少了一个环节,但是用的器件量很多,三相的需要36个晶闸管,控制复杂。我们老师开玩笑说谁调通了36个管子就可以立即毕业。还有交-交变频只能往工频一下调节频率,一般调到工频的1/3-1/2,差不多20Hz。
2、我们把这种交流变直流而后再变交流这种变频器叫交直交变频器,分为两种,一种是交直交电压型,另外一种是交直交电流型。其中前者广泛使用,现在的通用变频器就是采用这种拓扑。其特点是:中间为电解电容储存提供母线电压,前级采用二极管不控整流,简单可靠,逆变采用三相PWM调制(目前调制算法是空间电压矢量)。
由于采用了一定容量的电解电容,所以直流母线电压稳定,此时只要控制好逆变IGBT的开关顺序(输出相序、频率)和占空比(输出电压大小),就可以获得非常优越的控制特性。
交—直—交变频器则是先把交流电经整流器先整流成直流电,直流中间电路对整流电路的输出进行平滑滤波,再经过逆变器把这个直流电流变成频率和电压都可变的交流电。
交直交变频器又可以分为电压型和电流型两种,由于控制方法和硬件设计等各种因素,电压型逆变器应用比较广泛。传统的电流型交直交变频器采用自然换流的晶闸管作为功率开关,其直流侧电感比较昂贵,而且应用于双馈调速中,在过同步速时需要换流电路,在低转差频率的条件下性能也比较差,在双馈异步风力发电中应用的不多。
采用电压型交直交变频器这种整流变频装置具有结构简单、谐波含量少、定转子功率因数可调等优异特点,可以明显地改善双馈发电机的运行状态和输出电能质量,并且该结构通过直流母线侧电容完全实现了网侧和转子侧的分离。电压型交直交变频器的双馈发电机定子磁场定向矢量控制系统,实现了基于风机最大功率点跟踪的发电机有功和无功的解耦控制,是目前变速恒频风力发电的一个代表方向。

此外,还有一种并联的交直交逆变器拓扑结构。这种结构的主要思想是通过一个交直交电流型和一个交直交电压型变频器并联,电流型逆变器作为主逆变器负责功率传输,电压型逆变器作为辅逆变器负责补偿电流型逆变器谐波。这种结构主逆变器有较低的开关频率,辅逆变器有较低的开关电流。
同上面提到的交直交电压型逆变器相比较,该拓扑结构具有低开关损耗,整个系统的效率比较高。其缺点也是显而易见的,大量电力电子器件的使用导致成本的上升以及更加复杂的控制算法,另外该种结构电压利用率比较低。

3、尽管交—直—交变频器具有输出频率高、功率因数高等优点,但交—直—交变频器仍存在许多待改进的问题:
(1)当前大功率高电压电力电子器件处在发展期,GTO元件面临淘汰,IGBT,IGCT尚待成熟;
(2)采用IGCT(或者GTO)、IECT的变流器,器件故障造成直通短路的保护还是难题;电源侧变流器如果发生直通短路会造成电网短路,所以变流器必须采用高漏抗输入变压器,一般要求15%,甚至高达20%;
(3)交—直—交变频器低频运行时过载能力减低,一般运行在5Hz以下时变频器过载能力减半;
(4)交—直—交变频器输出PWM调制电压波形的电压变化率du/dt很高,容易造成电机和电器的绝缘疲劳损伤;输出导线较长时,共模反射电压会在电机侧产生很高的电压,如果是两电平的变流器,这个电压的峰值是直流电压的两倍,如果是三电平的变流器,这个电压的峰值是中间一半电压的三倍;
(5)交—直—交变频器PWM调制将产生谐波、噪声、轴电流等问题。
高压变频器工作原理
概述
高压变频调速系统,主要应用于风机、泵类等通过调速控制大量节能的场合。具有:
(1)高可靠性:采用高—高电压源型变频调速系统,直接高压输入,直接高压输出,无需输出变压器。
(2)高质量的功率输入、输出:输入功率因数高,输入谐波少,无需功率因数补偿/谐波抑制装置。
(3)完善、简易的功能参数设定:完整的通用参数设定功能(频率给定、运行方式设定、控制方式、自动调度等)。
2
工作原理
高压变频器是一种串联叠加性高压变频器,即采用多台单相三电平逆变器串联连接,输出可变频变压的高压交流电。按照电机学的基本原理,电机的转速满足如下的关系式:n=(1一s)60f/p=n。×(1一s)(P:电机极对数;f:电机运行频率;s:滑差)从式中看出, 电机的同步转速n。正比于电机的运行频率(n。=60f/p),由于滑差s一般情况下比较小(0~0.05),电机的实际转速n约等于电机的同步转速n。所以调节了电机的供电频率f,就能改变电机的实际转速。电机的滑差s和负载有关,负载越大则滑差增加,所以电机的实际转速还会随负载的增加而略有下降。

变频器本身由变压器柜、功率柜、控制柜三部分组成。三相高压电经高压开关柜进入,经输入降压、移相给功率单元柜内的功率单元供电,功率单元分为三组,一组为一相,每相的功率单元的输出首尾相串。主控制柜中的控制单元通过光纤对功率柜中的每一功率单元进行整流、逆变控制与检测,这样根据实际需要通过操作界面进行频率的给定,控制单元把控制信息发送到功率单元进行相应的整流、逆变调整,输出满足负荷需求的电压等级。
3
构成
3.1
移相式变压器
移相变压器是单元串联型多电平高压大功率变频器中的关键部件之一。用低压电力电子元件做高压变频器通常有两种方法:一是用低压元件直接串联,另一种方法是用独立的功率单元串联,称为单元串联型多电平高压大功率变频器。后者因为比前者有更多的优点而成为高压大功率变频器的主流。
很明显移相变压器在该变频器中起了两个关键的作用:一是电气隔离作用才能使各个变频功率单元相互独立从而实现电压迭加串联,二是移相接法可以有效地消除35次以下的谐波。(理论上可以消除6n-1次以下的谐波, n为单元级数)
3.2
功率柜(6kV高压变压器)
(1)功率柜的构成:内部是由十八个相同的单元模块构成,每相由六个额定电压为577V的功率单元串联而成,输出相电压最高可达3464V,线电压达6000V左右。改变每相功率单元的串联个数或功率单元的输出电压等级,就可以实现不同电压等级的高压输出。每个功率单元分别由输入变压器的一组副边供电,功率单元之间及变压器二次绕组之间相互绝缘。二次绕组采用延边三角形接法,实现多重化,以达到降低输入谐波电流的目的。6kV电压等级的变频器,给18个功率单元供电的18个二次绕组每三个一组,分为6个不同的相位组,互差10度电角度,形成36脉冲的整流电路结构,输入电流波形接近正弦波,这种等值裂相供电方式使总的谐波电流失真大为减少,变频器输入的功率因数可达到0.95以上。不需要附加电源滤波器或功率因数补偿装置,也不会与现有的补偿电容装置发生谐振,对同一电网上运行的电气设备没有任何干扰。
(2)功率单元构成:功率单元是一种单相桥式变换器,由输入切分变压器的副边绕组供电。经整流、滤波后由4个IGBT以PWM方法进行控制,产生设定的频率波形。变频器中所有的功率单元,电路的拓扑结构相同,实行模块化的设计。其控制通过光纤发送。来自主控制器的控制光信号,经光/电转换,送到控制信号处理器,由控制电路处理器接收到相应的指令后,发出相应设的IGBT的驱动信号,驱动电路接到相应的驱动信号后,发出相应的驱动电压送到IGBT控制极,操作IGBT关断和开通,输出相应波形。功率单元中的状态信息将被收集到应答信号电路中进行处理,集中后经电/光转换器变换,以光信号向主控制器发送。
所有的功率模块均为智能化设计具有强大的自诊断指导能力,一旦有故障发生时,功率模块将故障信息迅速返回到主控单元中,主控单元及时将主要功率元件IGBT关断,保护主电路;同时在中文人机界面上精确定位显示故障位置、类别。在设计时已将一定功率范围内的单元模块进行了标准化考虑,以此保证了单元模块在结构、功能上的一致性。当模块出现故障时,在得到报警器报警通知后,可在几分钟内更换同等功能的备用模块,减少停机时间。
3.3
双DSP控制系统
主控器的核心为双DSP的CPU单元,使指令能在纳秒级完成。这样CPU单元可以很快的根据操作命令、给定信号及其它输入信号,计算出控制信息及状态信息,快速的完成对功率单元的监控。
3.4
高压变频器的性能特点
(1)应用范围
调速范围宽,可以从零转速到工频转速的范围内进行平滑调节。在大电机上能实现小电流的软启动,启动时间和启动的方式可以根据现场工况进行调整。频率的调整是根据电机在低频下的压频比系数进行电压和频率的输出,在低转速下,电机不仅是发热量低,而且输入电压低,将使电机绝缘老化速度降低。

(2)技术新颖串联多重化叠加技术的应用实现了真正意义的高-高电力变换,无需降压升压变换,降低了装置的损耗,提高了可靠性,解决了高压电力变换的困难。串联多重化叠加技术的应用还为实现纯正弦波、消除电网谐波污染开辟了崭新的途径。
编辑:黄飞