时间:2022-08-16 11:15
人气:
作者:admin
要想做好变频器维修,了解变频器基础知识当然是相当重要的,但是对于变频器维修,仅了解以上基本电路还远远不够的,还须深刻了解主回路电路,主回路主要由整流电路、限流电路、滤波电路、制动电路、逆变电路和检测取样电路部分组成。下图是它的结构图。

图1.1
变频器基本电路图分析
目前,通用型变频器绝大多数是交—直—交型变频器,通常尤以电压器变频器为通用,其主回路图(见图1.1),它是变频器的核心电路,由整流回路(交—直交换),直流滤波电路(能耗电路)及逆变电路(直—交变换)组成,当然还包括有限流电路、制动电路、控制电路等组成部分。

图1.2
1)整流电路
如图1.2所示,通用变频器的整流电路是由三相桥式整流桥组成。它的功能是将工频电源进行整流,经中间直流环节平波后为逆变电路和控制电路提供所需的直流电源。三相交流电源一般需经过吸收电容和压敏电阻网络引入整流桥的输入端。网络的作用,是吸收交流电网的高频谐波信号和浪涌过电压,从而避免由此而损坏变频器。当电源电压为三相380V时,整流器件的最大反向电压一般为1200—1600V,最大整流电流为变频器额定电流的两倍。
2)滤波电路
逆变器的负载属感性负载的异步电动机,无论异步电动机处于电动或发电状态,在直流滤波电路和异步电动机之间,总会有无功功率的交换,这种无功能量要靠直流中间电路的储能元件来缓冲。同时,三相整流桥输出的电压和电流属直流脉冲电压和电流。为了减小直流电压和电流的波动,直流滤波电路起到对整流电路的输出进行滤波的作用。
通用变频器直流滤波电路的大容量铝电解电容,通常是由若干个电容器串联和并联构成电容器组,以得到所需的耐压值和容量。另外,因为电解电容器容量有较大的离散性,这将使它们随的电压不相等。因此,电容器要各并联一个阻值等相的匀压电阻,消除离散性的影响,因而电容的寿命则会严重制约变频器的寿命。
3)逆变电路
逆变电路的作用是在控制电路的作用下,将直流电路输出的直流电源转换成频率和电压都可以任意调节的交流电源。逆变电路的输出就是变频器的输出,所以逆变电路是变频器的核心电路之一,起着非常重要的作用。
最常见的逆变电路结构形式是利用六个功率开关器件(GTR、IGBT、GTO等)组成的三相桥式逆变电路,有规律的控制逆变器中功率开关器件的导通与关断,可以得到任意频率的三相交流输出。
通常的中小容量的变频器主回路器件一般采用集成模块或智能模块。智能模块的内部高度集成了整流模块、逆变模块、各种传感器、保护电路及驱动电路。如三菱公司生产的IPMPM50RSA120,富士公司生产的7MBP50RA060,西门子公司生产的BSM50GD120等,内部集成了整流模块、功率因数校正电路、IGBT逆变模块及各种检测保护功能。模块的典型开关频率为20KHz,保护功能为欠电压、过电压和过热故障时输出故障信号灯。
逆变电路中都设置有续流电路。续流电路的功能是当频率下降时,异步电动机的同步转速也随之下降。为异步电动机的再生电能反馈至直流电路提供通道。在逆变过程中,寄生电感释放能量提供通道。另外,当位于同一桥臂上的两个开关,同时处于开通状态时将会出现短路现象,并烧毁换流器件。所以在实际的通用变频器中还设有缓冲电路等各种相应的辅助电路,以保证电路的正常工作和在发生意外情况时,对换流器件进行保护 .
4)驱动电路
驱动电路是将主控电路中CPU产生的六个PWM信号,经光电隔离和放大后,作为逆变电路的换流器件(逆变模块)提供驱动信号。
对驱动电路的各种要求,因换流器件的不同而异。同时,一些开发商开发了许多适宜各种换流器件的专用驱动模块。有些品牌、型号的变频器直接采用专用驱动模块。但是,大部分的变频器采用驱动电路。从修理的角度考虑,这里介绍较典型的驱动电路。图二是较常见的驱动电路(驱动电路电源见图2.3)。


驱动电路由隔离放大电路、驱动放大电路和驱动电路电源组成。三个上桥臂驱动电路是三个独立驱动电源电路,三个下桥臂驱动电路是一个公共的驱动电源电路。
5)保护电路
当变频器出现异常时,为了使变频器因异常造成的损失减少到最小,甚至减少到零。每个品牌的变频器都很重视保护功能,都设法增加保护功能,提高保护功能的有效性。
在变频器保护功能的领域,厂商可谓使尽解数,作好文章。这样,也就形成了变频器保护电路的多样性和复杂性。有常规的检测保护电路,软件综合保护功能。有些变频器的驱动电路模块、智能功率模块、整流逆变组合模块等,内部都具有保护功能。
图四所示的电路是较典型的过流检测保护电路。由电流取样、信号隔离放大、信号放大输出三部分组成。

6)开关电源电路
开关电源电路向操作面板、主控板、驱动电路及风机等电路提供低压电源。图五富士G11型开关电源电路组成的结构图。

直流高压P端加到高频脉冲变压器初级端,开关调整管串接脉冲变压器另一个初级端后,再接到直流高压N端。开关管周期性地导通、截止,使初级直流电压换成矩形波。由脉冲变压器耦合到次级,再经整流滤波后,获得相应的直流输出电压。它又对输出电压取样比较,去控制脉冲调宽电路,以改变脉冲宽度的方式,使输出电压稳定。
7)主控板上通信电路
当变频器由可编程(PLC)或上位计算机、人机界面等进行控制时,必须通过通信接口相互传递信号。图六是LG变频器的通讯接口电路。

频器通信时,通常采用两线制的RS485接口。西门子变频器也是一样。两线分别用于传递和接收信号。变频器在接收到信号后传递信号之前,这两种信号都经过缓冲器A1701、75176B等集成电路,以保证良好的通信效果。
所以,变频器主控板上的通信接口电路主要是指这部分电路,还有信号的抗干扰电路。
8)外部控制电路
变频器外部控制电路主要是指频率设定电压输入,频率设定电流输入、正转、反转、点动及停止运行控制,多档转速控制。频率设定电压(电流)输入信号通过变频器内的A/D转换电路进入CPU。其他一些控制通过变频器内输入电路的光耦隔离传递到CPU中。
在下面文章中,上传了有关变频器的维修知识供大家分享!
根据大家对我的提议以及对我的支持,现在将一些变频器最基本,基础的知识贡献给大家
变频器开关电源电路, 变频器开关电源主要包括输入电网滤波器、输入整流滤波器、变换器、输出整流滤波器、控制电路、保护电路。我们公司产品开关电源电路如下图,是由UC3844组成的开关电路:开关电源主要有以下特点: 1,体积小,重量轻:由于没有工频变频器,所以体积和重量只有线性电源的20~30% 2,功耗小,效率高:功率晶体管工作在开关状态,所以晶体管的上功耗小,转化效率高,一般为60~70%,而线性电源只有30~40%

二极管限幅电路
限幅器是一个具有非线性电压传输特性的运放电路。其特点是:当输入信号电压在某一范围时,电路处于线性放大状态,具有恒定的放大倍数,而超出此范围,进入非线性区,放大倍数接近于零或很低。在变频器电路设计中要求也是很高的,要做一个好的变频器维修技术员,了解它也相当重要。1、 二极管并联限幅器电路图如下所示:

2、二极管串联限幅电路如下图所示:

9)变频器控制电路组成
如下图所示,控制电路由以下电路组成:频率、电压的运算电路、主电路的电压、电流检测电路、电动机的速度检测电路、将运算电路的控制信号进行放大的驱动电路,以及逆变器和电动机的保护电路。

在图 1点划线内,无速度检测电路为开环控制。在控制电路增加了速度检测电路,即增加速度指令,可以对异步电动机的速度进行控制更精确的闭环控制。
1)运算电路将外部的速度、转矩等指令同检测电路的电流、电压信号进行比较运算,决定逆变器的输出电压、频率。
2)电压、电流检测电路与主回路电位隔离检测电压、电流等。
3)驱动电路为驱动主电路器件的电路,它与控制电路隔离使主电路器件导通、关断。
4)I/0输入输出电路为了变频器更好人机交互,变频器具有多种输入信号的输入 (比如运行、多段速度运行等)信号,还有各种内部参数的输出“比如电流、频率、保护动作驱动等)信号。
5)速度检测电路以装在异步电动轴机上的速度检测器 (TG、PLG等)的信号为速度信号,送入运算回路,根据指令和运算可使电动机按指令速度运转。
6)保护电路检测主电路的电压、电流等,当发生过载或过电压等异常时,为了防止逆变器和异步电动机损坏,使逆变器停止工作或抑制电压、电流值。
逆变器控制电路中的保护电路,可分为逆变器保护和异步电动机保护两种,保护功能如下:
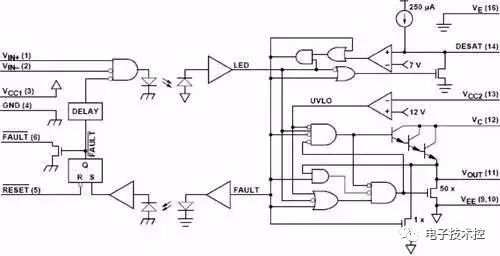
变频器驱动电路的HCPL-316J特性 HCPL-316J是由Agilent公司生产的一种IGBT门极驱动光耦合器,其内部集成集电极发射极电压欠饱和检测电路及故障状态反馈电路,为驱动电路的可靠工作提供了保障。其特性为:兼容CMOS/TYL电平;光隔离,故障状态反馈;开关时间最大500ns;“软”IGBT关断;欠饱和检测及欠压锁定保护;过流保护功能;宽工作电压范围(15~30V);用户可配置自动复位、自动关闭。DSP与该耦合器结合实现IGBT的驱动,使得IGBT VCE欠饱和检测结构紧凑,低成本且易于实现,同时满足了宽范围的安全与调节需要。HCPL-316J保护功能的实现 HCPL-316J内置丰富的IGBT检测及保护功能,使驱动电路设计起来更加方便,安全可靠。
其中下面详述欠压锁定保护(UVLO) 和过流保护两种保护功能的工作原理:
(1)IGBT欠压锁定保护(UVLO)功能
在刚刚上电的过程中,芯片供电电压由0V逐渐上升到最大值。如果此时芯片有输出会造成IGBT门极电压过低,那么它会工作在线性放大区。HCPL316J芯片的欠压锁定保护的功能(UVLO)可以解决此问题。当VCC与VE之间的电压值小于12V时,输出低电平,以防止IGBT工作在线性工作区造成发热过多进而烧毁。示意图详见图1中含UVLO部分。

图1 HCPL-316J内部原理图
(2)IGBT过流保护功能
HCPL-316J具有对IGBT的过流保护功能,它通过检测IGBT的导通压降来实施保护动作。同样从图上可以看出,在其内部有固定的7V电平,在检测电路工作时,它将检测到的IGBT C~E极两端的压降与内置的7V电平比较,当超过7V时,HCPL-316J芯片输出低电平关断IGBT,同时,一个错误检测信号通过片内光耦反馈给输入侧,以便于采取相应的解决措施。在IGBT关断时,其C~E极两端的电压必定是超过7V的,但此时,过流检测电路失效,HCPL-316J芯片不会报故障信号。实际上,由于二极管的管压降,在IGBT的C~E 极间电压不到7V时芯片就采取保护动作。

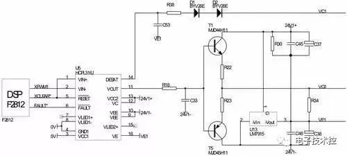
整个电路板的作用相当于一个光耦隔离放大电路。它的核心部分是芯片HCPL-316J,其中由控制器(DSP-TMS320F2812)产生XPWM1及XCLEAR*信号输出给HCPL-316J,同时HCPL-316J产生的IGBT故障信号FAULT*给控制器。同时在芯片的输出端接了由NPN和PNP组成的推挽式输出电路,目的是为了提高输出电流能力,匹配IGBT驱动要求。
当HCPL-316J输出端VOUT输出为高电平时,推挽电路上管(T1)导通,下管(T2)截止, 三端稳压块LM7915输出端加在IGBT门极(VG1)上,IGBT VCE为15V,IGBT导通。当HCPL-316J输出端VOUT输出为低电平时,上管(T1)截止,下管(T1)导通,VCE为-9V,IGBT关断。以上就是IGBT的开通关断过程。
审核编辑:汤梓红下一篇:如何通过磁场定向控制提高电机性能