时间:2022-08-18 10:49
人气:
作者:admin
两台三相交流电动机联锁的控制电路是指电路中两台或两台以上的电动机顺序启动、反顺序停机的控制电路。电路中,电动机的启动顺序、停机顺序由控制按钮进行控制。

两台三相交流电动机联锁启停控制电路的基本结构
1、合上电源总开关QS,并按下启动按钮SB2。
2、交流接触器KM1线圈得电,对应触点动作。
2-1动合辅助触点KM1-1接通实现自锁功能。
2-2动合主触点KM1-2接通,电动机M1开始运转。
动合辅助触点KM1-3接通,为电动机M2启动做好准备,也用于防止接触器KM2线圈先得电,使电动机M2先运转,起顺序启动的作用。
3 、当需要电动机M2启动时,按下启动按钮SB3。交流接触器KM2线圈得电。
3-1动合辅助触点KM2-1接通,实现自锁功能。
3-2动合主触点KM2-2接通,电动机M2开始运转。
3-3 动合辅助触点KM2-3接通,锁定停机按钮SB1,防止启动电动机M2时,按下电动机M1的停止按钮SB1,而关停电动机M1,起反顺序停机的作用。
两台三相交流电动机联锁启停的PLC控制电路是指通过PLC与外接电气部件配合实现对两台电动机先后启动、反顺序停止进行控制。

采用PLC对两台三相交流电动机联锁启停的控制方式
1、 两台三相交流电动机顺序启动过程
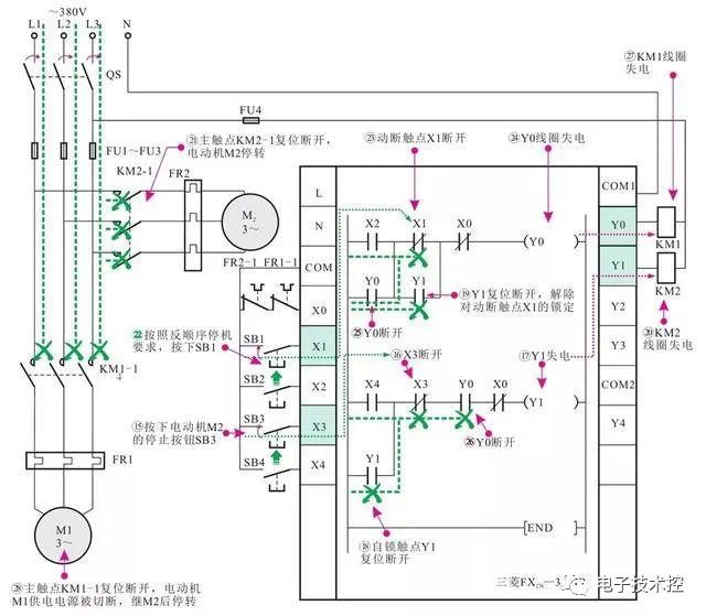
采用三菱FX2N系列PLC控制两台三相交流电动机顺序启动的过程:

闭合电源总开关QS,按下电动机M1的启动按钮SB2,PLC程序中输入继电器动合触点X2置“1”,即动合触点X2闭合,输出继电器Y0线圈得电,其自锁动合动合触点Y0闭合实现自锁;同时控制输出继电器Y1的动合触点Y0闭合,为Y1得电做好准备;PLC外接交流接触器KM1线圈得电,主电路中的主触点KM1-1闭合,接通电动机M1电源,M1启动运转。
按下电动机M2的启动按钮SB4,PLC程序中的输入继电器动合触点X4置“1”,即动合触点X4闭合,输出继电器Y1线圈得电,其自锁动合触点Y1闭合实现自锁功能;控制输出继电器Y0的动合触点Y1闭合,锁定动断触点X1,即锁定停机按钮SB1,用于防止启动电动机M2时,误操作按动电动机M1的停止按钮SB1,而关停电动机M1,不符合反顺序停机的控制要求。
PLC外接交流接触器KM2线圈得电,主电路中的主触点KM2-1闭合,接通电动机M2电源,M2继M1之后启动运转。
2、 两台三相交流电动机反顺序停机过程
采用三菱FX2N系列PLC控制两台三相交流电动机反顺序停机的过程:

按下电动机M2的停止按钮SB3,将PLC程序中的输入继电器动断触点X3置“1”,即动断触点X3断开,输出继电器Y1线圈失电,其自锁动合触点Y1复位断开,解除自锁功能;
同时联锁动合触点Y1复位断开,解除对动断触点X1的锁定,即解除停机按钮SB1的锁定,为可操作停机按钮SB1断开接触器KM1做好准备,实现反顺序停机的控制要求。
Y1线圈失电后,控制PLC外接的交流接触器KM2线圈失电,主电路中的主触点KM2-1复位断开,电动机M2供电电源被切断,M2停转。
按照反顺序停机的控制要求,按下停止按钮SB1,将PLC程序中输入继电器动断触点X1置“1”,即动断触点X1断开,输出继电器Y0线圈失电,其自锁动合触点Y0复位断开,解除自锁功能;
同时,控制输出继电器Y1的动合触点Y0复位断开,以防止在Y0未得电的情况下,Y1先得电,不符合顺序启动控制要求。
Y0线圈失电后,控制PLC外接的交流接触器KM1线圈失电,主电路中的主触点KM1-1复位断开,电动机M1供电电源被切断,M1继M2后停转。
审核编辑:汤梓红