时间:2022-08-23 14:28
人气:
作者:admin
众所周知,几乎所有机械发展都是由电动机完成的。电动机是一种转换能量的方法,它吸收电能并产生机械能。电动机被用来为日常生活中数百种设备供电。电动机大致分为两类,即直流(DC)电动机和交流(AC)电动机。在本文中,简单介绍下直流电机工作原理、类型及优缺点。
直流电机的概念
直流电动机是一种以直流电运行的电动机,主要操作依赖于简单的电磁。载流导体会产生磁场,然后将其置于外部磁场中时,它将遇到与导体中的电流和外部磁场强度成正比的力。它是一种将电能转化为机械能的装置,其工作原理是放置在磁场中的载流导体会受到一个力,使其相对于其原始位置旋转。实用的直流电机由提供磁通量的励磁绕组和充当导体的电枢组成。
无刷直流电机的输入是电流/电压,输出是转矩。从下面的基本图了解直流电机的操作非常简单。直流电机基本上由两个主要部分组成。转动部分称为转子,静止部分也称为定子。转子相对于定子旋转。
转子由绕组组成,绕组与换向器电连接。电刷、换向器触点和转子绕组的几何形状使得当通电时,通电绕组和定子磁铁的极性不对齐,转子将转动,直到它几乎与定子的磁场磁铁对齐。
随着转子对齐,电刷移动到下一个换向器触点并为下一个绕组通电。旋转使通过转子绕组的电流方向反转,促使转子磁场翻转,驱动它继续旋转。
直流电机的构造
直流电机的结构如下图所示,在知道它的工作过程之前,了解它的设计是非常重要的,该电机的基本部件包括电枢和定子。

电枢线圈是旋转部分,而静止部分是定子。在这种情况下,电枢线圈连接到包括电刷和换向器的直流电源。换向器的主要功能是将交流电转换为电枢中感应的直流电。可以使用电刷从电机的旋转部分向不活动的外部负载提供电流。电枢的布置可以在电磁铁的两个极之间或永久的。
直流电机零件
在直流电机中,有多种流行的电机设计可供选择,例如无刷、永磁、串联、复合绕线、分流器或稳定分流器。一般来说,在这些流行的设计中,直流电机的部件是相同的,并且整个操作是相同的。直流电动机的主要部件包括以下内容。
定子;像定子这样的静止部件是直流电机部件中的部件之一,其中包括励磁绕组,主要功能是获取供应。
转子;转子是电机的动态部分,用于产生装置的机械旋转。
刷子;使用换向器的电刷主要用作将固定电路固定到转子的桥。
换向器;它是一个设计有铜段的开口环,也是直流电动机最重要的部件之一。
励磁绕组;这些绕组由称为铜线的励磁线圈制成。
电枢绕组;直流电机中这些绕组的结构有两种类型,如Lap和Wave。
轭;像轭这样的磁性框架有时是用铸铁或钢设计的,劣势守卫一样工作。
磁极;电机中的磁极包括两个主要部分,如磁极芯和极靴,这些基本部件通过液压力连接在一起并连接到轭上。
齿/槽;不导电的槽衬经常卡在槽壁和线圈之间,以确保从头开始的安全、机械支撑和额外的电气绝缘。槽之间的磁性材料称为齿。
电机外壳;电机外壳为电刷、轴承和铁芯提供支撑。
工作原理
用于将电能从电能转换为机械能的电机称为直流电机,其工作原理是当载流导体位于磁场中时,它会受到机械力。这个力的方向可以通过弗莱明的左手定则以及它的大小来确定。
如果第一根手指伸出,第二根手指和左手的拇指将相互垂直,第一根手指表示磁场的方向,下一个手指表示当前方向,第三根类似拇指的拇指表示磁场方向通过导体所经历的力方向,其公示为:
F = BIL,单位是牛顿(N)
其中:'B' 是磁通密度,“I”是电流,“L”是导体在磁场中的长度。
每当将电枢绕组提供给直流电源时,就会在绕组内建立电流。励磁绕组或永磁体将提供磁场。因此,基于上述原理,电枢导体会因为磁场而受到力。
此外,换向器被设计成类似部分以获得单向扭矩,否则一旦导体的运动方式在磁场内向上翻转,力的路径就会每次翻转。所以,这就是直流电机的工作原理。
直流电机的类型
直流电机的类型由多种,下面分别介绍下。
1、齿轮直流电机
减速电机往往会降低电机的速度,但扭矩会相应增加。这个属性派上用场了,因为直流电机可以以太快的速度旋转,电子设备无法使用。减速电机通常由直流有刷电机和连接到轴的齿轮箱组成。
电机通过两个连接的单元进行区分。由于其设计成本、降低复杂性和构建工业设备、执行器、医疗工具和机器人等应用的成本,它具有许多应用。
2、齿轮减速电动机
齿轮减速电动机包括一个小齿轮驱动一个大齿轮。减速齿轮箱中可能有几组这些减速齿轮组。

有时使用齿轮电机的目的是降低被驱动设备中电机的旋转轴速度,例如在小型电子时钟中,微型同步电机可能以1,200 rpm的速度转动,但降低到1 rpm以驱动秒针并进一步缩小了时钟机构以驱动分针和时针。当然,驱动力的大小无关紧要,只要它足以克服时钟机构的摩擦影响。
3、串联直流电动机
在串联直流电动机中,励磁绕组在内部串联到电枢绕组。串联直流电机提供高启动扭矩,但绝不能在无负载的情况下运行,并且在首次通电时能够移动非常大的轴负载。串联直流电动机也称为串绕电动机。
在串联直流电动机中,励磁绕组与电枢串联。场强随电枢电流的变化而变化。在负载降低速度时,串激电动机会产生更优异的转矩。它的启动扭矩超过了不同种类的直流电机。
此外,它还可以更容易地散发由于承载大量电流而在绕组中积聚的热量,其速度在满载和空载之间变化很大。当负载被移除时,电机速度增加,通过电枢和励磁线圈的电流减少。大型机器的空载运行是危险的。

通过电枢和励磁线圈的电流减少,其周围磁通线的强度减弱。如果线圈周围磁通线的强度以与流过线圈的电流相同的速率减小,则两者都将以与电机速度增加相同的速率降低。
主要优点
串联直流电动机的优点包括以下几点内容:
启动扭矩大
构造简单
设计很容易
维护简单
具有成本效益
主要应用
串联直流电机可以产生巨大的转动功率,从怠速状态产生的扭矩。这一特性使得串激电机适用于小电器、多功能电器等。串联电机不适用于需要恒速的场合,原因是串联电动机的速度随着负载的变化而变化很大。
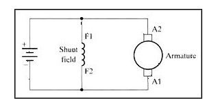
4、并励电动机
并励电动机也可以说并联直流电机,其中励磁绕组分流或并联连接到电机的电枢绕组。并联直流电机因其最佳的调速性能而被广泛使用。此外,电枢绕组和励磁绕组的供电电压相同,然而,电枢电流和励磁电流流存在离散分支。
与串联电动机相比,并联直流电动机具有一些独特的工作特性。由于并联励磁线圈由细线制成,它不能像串联励磁那样产生大电流启动。这意味着并联电动机具有极低的启动转矩,这要求轴负载非常小。

当电压施加到分流电机时,非常少量的电流流过分流线圈。并联电动机的电枢类似于串联电动机,它会吸收电流以产生强磁场。由于电枢周围的磁场和分流场周围产生的磁场的相互作用,电机开始旋转。
与串联电动机一样,当电枢开始转动时,会产生反电动势。反电动势将导致电枢中的电流开始减小到非常小的水平。当电机达到全速时,电枢将吸收的电流量与负载的大小直接相关。由于负载一般较小,因此电枢电流较小。
主要优点
并联电机的优点包括以下几点内容:
简单的控制性能,为解决复杂的驱动问题提供了高度的灵活性
高可用性,因此需要最少的服务工作
高水平的电磁兼容性
运行非常平稳,因此整个系统的机械应力低,控制过程高动态
宽控制范围和低速,因此通用
主流应用
并联直流电机非常适合皮带驱动应用,这种恒速电机用于需要大量扭矩精度的工业和汽车应用,例如机床和卷绕/放卷机。
5、直流复励电机
直流复励电机包括一个他励并励磁场,该磁场具有出色的启动转矩,但在变速应用中面临问题。这些电机中的磁场可以通过电枢串联连接,也可以通过单独励磁的并联磁场连接。串联磁场提供卓越的启动扭矩,而并联磁场提供增强的速度调节。但是,串联场会在变速驱动器的应用中引起控制问题,并且通常不用于四象限驱动器。
6、外励直流自机
顾名思义,励磁绕组或线圈通过单独的直流电源供电。这些电机的独特之处在于,电枢电流不会在整个励磁绕组中提供,因为励磁绕组是通过单独的外部直流电流源加强的。直流电机的转矩方程为Tg = Ka φ Ia,在这种情况下,转矩是通过改变场磁通“φ”来改变的,并且与“Ia”电枢电流无关。
7、自励直流电机
在这种类型的电机中,绕组内的电流可以通过电机或机器本身提供。此外,该电机分为串联绕组和并联绕组电机。
8、永磁直流电机
永磁直流电机(PMDC)包括电枢绕组。这些电机采用永磁体设计,将永磁体放置在定子铁芯的内边缘以产生磁场通量。另一方面,转子包括传统的直流电枢,包括电刷和换向器片。
在永磁直流电机中,磁场可以通过永磁体形成。因此输入电流不用于励磁,用于空调、雨刷、汽车启动器等。
直流电机与微控制器的连接
微控制器不能直接驱动电机,因此需要某种驱动器来控制电机的速度和方向。电机驱动器将充当微控制器和电机之间的接口设备。电机驱动器将充当电流放大器,因为它们采用低电流控制信号并提供高电流信号。该高电流信号用于驱动电机。使用L293D芯片是使用微控制器控制电机的一种简单方法。它内部包含两个 H桥驱动电路。
该芯片设计用于控制两个电机。L293D有两组排列,其中一组具有输入1、输入2、输出1、输出2,带有使能引脚,而另一组具有输入3、输入4、输出3、输出4 和其他使能引脚。

下图与L293D微控制器接口的直流电机的示例:

L293D有两组排列,一组有输入1、输入2、输出1和输出2,另一组有输入3、输入4、输出3和输出4,根据上图所示:
如果引脚2和7为高电平,则引脚3和6也为高电平。如果启用1和引脚2为高电平,而引脚7为低电平,则电机正向旋转。
如果启用1和引脚7为高,而引脚2为低,则电机反向旋转。
如今,直流电机仍然存在于许多应用中,小到玩具和磁盘驱动器,大到操作轧钢厂和造纸机。
直流电机方程
直流电机经历的通量大小为:F=BlI
其中:B-由励磁绕组产生的磁通引起的磁通密度,l- 导体的有效长度,I-通过导体的电流。
当导体旋转时,会感应出一个电动势,该电动势的作用方向与所提供的电压相反,它被给出为:

其中:Ø- Fluz 由于励磁绕组、P- 极数、A是常数、N - 电机的速度、Z- 导体数量。
电源电压:V = E b + I a R a,产生的扭矩为:

可以看出,转矩与电枢电流成正比。
此外,速度随电枢电流而变化,因此电动机的转矩和速度间接地相互依赖。对于直流并联电机,即使转矩从空载增加到满载,速度也几乎保持不变。而对于直流串联电动机,速度会随着转矩从空载到满载的增加而降低。
因此扭矩可以通过改变速度来控制。速度控制是通过实现:
通过控制流过励磁绕组的电流来改变磁通 ,即磁通控制方法。通过这种方法,速度被控制在其额定速度之上。
电枢电压控制——提供低于其正常速度的速度控制。
电源电压控制——提供双向速度控制。
四象限操作
通常情况下,一台电机可以在4个不同的区域运行。直流电动机的四象限运行包括以下内容。
作为正向或顺时针方向的电机。
作为正向的发电机。
作为反向或逆时针方向的电机。
作为反向的发电机。

在第一象限中,电机以正方向的速度和转矩驱动负载。
在第二象限,扭矩方向反转,电机充当发电机
在第三象限,电机以负方向的速度和扭矩驱动负载。
在第四象限,电动机在反向模式下充当发电机。
在第一和第三象限,电机正向和反向运行。例如,起重机中的电机用于提升和放下负载。
在第二象限和第四象限中,电动机分别作为正向和反向的发电机,向电源提供能量。因此,控制电机运行的方法,使其在4个象限中的任何一个运行,就是控制它的速度和旋转方向。
通过改变电枢电压或削弱磁场来控制速度。通过改变施加电压大于或小于反电动势的程度来控制扭矩方向或旋转方向。
直流电机常见故障
了解并了解电机的故障和故障以描述每种情况下最合适的安全装置非常重要。电机故障分为三种类型,例如机械故障、电气故障和机械故障,这些故障会发展为电气故障。最常发生的故障包括:
绝缘击穿
过热
重载
轴承故障
振动
锁定转子
轴不对中
反向运行
相位不平衡
交流电机和直流电机中引起故障的常见原因包括以下内容:
未正确安装电机时
当电机被灰尘堵塞时
电机进水时
当电机过热时
12伏直流电机
12v直流电机价格低廉、体积小且功能强大,可用于多种应用。一旦电机通过电池供电,则通常选择低工作电压,因为获得特定电压所需的电池更少。但是,在高电压下,驱动直流电机通常效率更高。尽管如此,它的操作是可以在1.5伏至100伏的情况下实现的。
通过需要运行扭矩和高启动的直流电源,12V 直流电机非常适合不同的应用。与其他电机电压相比,该电机以较低的速度运行,其主要特性包括:
电机转速为350rpm至5000rpm
该电机的额定扭矩范围为1.1至12.0 in-lbs
该电机的输出功率范围从01hp到.21hp
框架尺寸为80毫米
可更换刷子
刷子的典型寿命为2000+小时
直流电机中的反电动势
一旦载流导体被布置在磁场中,那么扭矩将在导体上感应并且扭矩将旋转切割磁场通量的导体。基于电磁感应现象,一旦导体切割磁场,然后在导体内感应出电动势。
感应电动势方向可以通过弗莱明右手定则确定。根据这个规则,如果我们用90°的角度握住拇指、食指和中指,那么食指将表示磁场的方向。在这里,拇指代表导体的运动方式,中指代表导体上的感应电动势。
通过应用弗莱明右手定则,可以注意到感应电动势的方向与施加的电压相反。所以电动势被称为反电动势或反电动势。反电动势的发展可以通过施加的电压串联完成,但是方向相反,即反电动势抵抗导致它的电流流动。
反电动势大小可以通过类似的表达式给出,如下所示:
Eb=NPφZ/60A
其中:“Eb”是电机的感应电动势,称为反电动势、“A”是反极性电刷中电枢上的平行通道数、“P”是极点的数目、“N”是速度、“Z”是电枢内的导体总数、'φ' 是每个极点的有用通量。
此外,与施加的电压相比,反电动势幅度始终较低。一旦直流电机在正常条件下工作,两者之间的差异几乎相等。由于主电源,电流将在直流电机上感应。主电源、反电动势和电枢电流之间的关系可以表示为Eb=V – IaRa。
四象限控制直流电机运行的应用
使用与7个开关接口的微控制器可以实现对4象限中直流电机操作的控制。

情况1: 当按下启动和顺时针开关时,单片机中的逻辑给引脚7输出逻辑低电平,给引脚2输出逻辑高电平,使电机顺时针方向旋转并在第一象限运行。按下 PWM开关可以改变电机的速度,从而将不同持续时间的脉冲施加到驱动器IC的使能引脚,从而改变施加的电压。
情况 2:当按下正向制动器时,微控制器逻辑将逻辑低电平施加到引脚7,并将逻辑高电平施加到引脚2,电机趋于反向运行,导致它立即停止。
类似地,按下逆时针开关使电机反向运动,即在第三象限运行,按下反向制动开关使电机立即停止。
因此,通过微控制器的适当编程和开关,可以在每个方向上控制电机操作。
总结
以上关于直流电机的基础知识概述内容,不难看出,直流电机的优点在于它们为加速和减速提供了出色的速度控制、易于理解的设计以及简单、廉价的驱动设计。