时间:2022-08-24 09:39
人气:
作者:admin
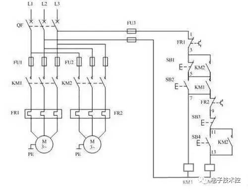
控制电机的几种控制原理图,覆盖了所有电机的控制形式。
第一张 电动机的点动控制原理图。

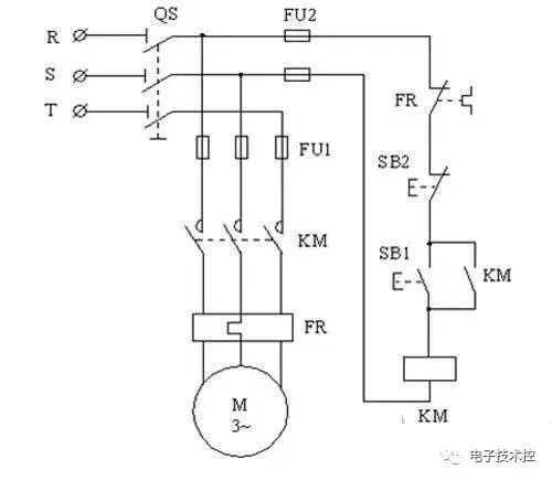
第二张 电动机的连续运转控制线路原理图(自锁)

第三张 电动机的点动和常动的混动控制线路原理图

第四张 电动机的两地控制线路原理图。

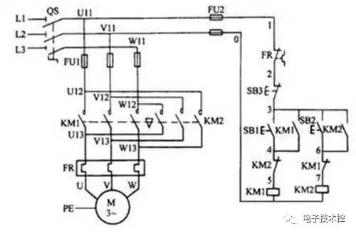
第五张 电动机的按钮联锁正反转控制电路原理图。

第六张 电动机的接触器联锁正反转控制电路原理图。

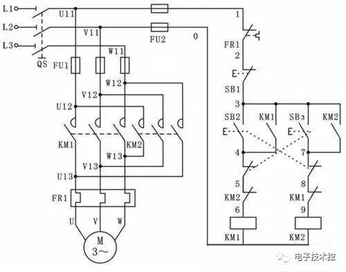
第七张 电动机的双重互锁的正反转控制电路原理图。

第八张 电动机的顺序停止控制线路原理图。

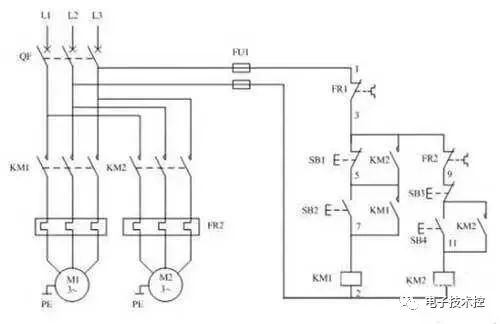
第九张 电动机的顺序启动逆序停止控制线路原理图。

审核编辑:汤梓红
上一篇:如何让电动窗帘安静下来
下一篇:一文深入剖析微特电机技术