时间:2022-07-27 08:03
人气:
作者:admin
为了更好地理解噪声的来源,我们需要考虑旋转运动是如何发生的。当步进电机执行一步时,它不会立即停止,而是在完全停止之前继续稍微向前和向后移动。这种行为可以通过在电机驱动器中采用特定的控制逻辑来克服。在电机运行过程中,驱动器在电机完成前一步后停止前一刻命令下一步移动。这种连续而有规律的电机进步有助于减少噪音和振动。
还应该注意的是,每个步进电机都有一个共振频率,这通常发生在电机以每秒 150 到 300 步的速度移动时。许多设计人员倾向于避免这个工作速度范围,以尽量减少噪音和振动。插入适当设计和尺寸的齿轮箱有助于减少振动。位于曲轴上的后置减震器是另一种减少振动的传统解决方案。
降噪技术
大多数步进电机由脉宽调制 (PWM) 信号控制,该信号持续强制 H 桥在开启和关闭状态之间切换,从而调节为电机供电的电流。基于这种技术的驱动电路通常被称为斩波驱动器,因为它们通过在应用 PWM 波形之后对输出电压进行斩波来为电机绕组提供恒定电流。
与 L/R 技术不同,L/R 技术旨在保持施加到绕组的电压恒定,电流斩波具有非常高效、紧凑且经济的解决方案的优势,产生少量热量。
一个警告是,施加到步进电机的调制信号可以产生可听信号,如果 PWM 频率落在音频频带内,则更是如此。通过实验,确实很容易验证步进电机在停止或保持位置时如何产生噪音。这种现象主要发生在低于 20 kHz 的开关频率上。因此,可以推断出降低噪声的第一种方法是提高开关频率。大多数斩波器驱动器能够通过修改外部电阻器或电容器的值来增加开关频率。其效果是改变用于电流调节的 PWM 信号处于关闭状态的持续时间。该持续时间越短,开关频率越高。
但是,不必超过频率值,因为超过一定限度,开关损耗也会增加。适当的开关频率值可以在 30 到 50 kHz 之间。如果这种技术还不够,可以减少施加到电机绕组的电流。事实上,较低的电流意味着减少振动,从而减少噪音。
然而,副作用是扭矩的降低,如果太低,可能会导致操作过程中的步骤丢失。由于电机是在开环中控制的,因此必须为电机提供足以覆盖所有运行条件的电流,即使是最恶劣的运行条件。一个好的折衷方案是在电机停止期间降低电流。
通常,电机保持位置所需的电流远低于以恒定速度加速或移动电机所需的电流。几乎所有步进电机驱动器都允许通过修改模拟参考电压 VREF 来设置电流值。跳闸电流 ITrip 是外部 RSENSE 电阻和 VREF 参考电压的函数。因为第一个,一旦被设计者选择,有一个固定值,在运行时,可以通过动态改变 VREF 来修改 ITrip。
如果需要进一步降低噪音,电机可以在慢衰减模式下运行,而不是快速或混合衰减模式。此模式可最大限度地减少驱动电流纹波,降低噪声并提高驱动器效率。然而,慢衰减模式并不总是最好的解决方案,特别是如果您想使用微步进技术。
步进驱动
器 集成驱动器旨在为每种类型的应用提供简单的配置和高级控制功能。集成编码器选项使步进电机成为同步位置应用的合适选择。通过将线圈连接到功率晶体管并将晶体管连接到控制电路来驱动步进电机。

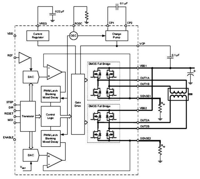
图 1:A3982 框图
Allegro MicroSystems 是有刷直流和步进电机驱动器设计和制造领域的领导者,提供具有集成和 MOSFET 栅极驱动器的广泛安全和强大的解决方案组合。Allegro 的 A3982 是一款完整的步进电机驱动器,具有易于操作的内置转换器,适用于低功率和高功率应用。
该驱动器设计用于在全步和半步模式下操作双极步进电机,可提供高达 35 V 和 ±2 A 的输出信号。电流衰减模式(慢或混合)可以通过在 STEP 上施加信号来选择输入引脚,如图1的原理框图所示。
在混合模式下,斩波控制最初设置为快速衰减,持续时间为固定关闭时间的 31.25%,然后在剩余的关闭时间中缓慢衰减。这种电流衰减控制方案可降低可听电机噪声、提高步进精度并降低功耗。
转换器功能极大地简化了电机控制系统的设计。通过在 STEP 输入引脚上施加一个脉冲,电机被驱动一步。不需要相序表或高频控制线,这使得 A3982 成为主机微控制器不可用或负担过重的应用的正确选择。
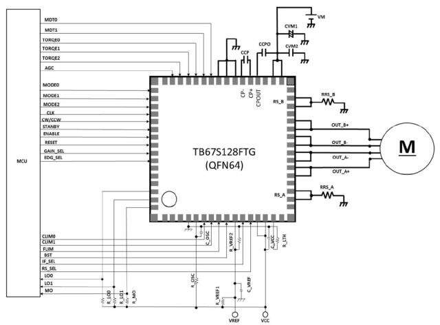
Toshiba Electronic Devices and Storage Corp. 还提供多种步进电机驱动器。TB67S128/249/279/289 器件采用专有的主动增益控制 (AGC) 技术。AGC 动态调整步进电机驱动电流,以解决大扭矩条件,在开环设计中实时恢复正常电流值。AGC 技术可显着节省电力并减少或消除更复杂的闭环设计。

图 2:TB67S128 电机驱动器的典型应用
TB67S128/249/279/289FTG 器件分别提供 5.0 A、4.5 A、2.0 A 和 3.0 A,电机工作电压为 10-V 至 42-V。这些器件还包括一个象限中的 32 步和 128 步微步功能,使其适用于广泛的工业精密电机控制应用(图 2)。
审核编辑:郭婷
上一篇:智能锁电机驱动器中的电池放电奖励
下一篇:基于电动驱动器的运动控制解决方案