时间:2022-07-27 18:15
人气:
作者:admin
常用的三种隔离技术为光电隔离、电磁隔离和电容隔离,三者在功耗、速度和隔离电压等方面通常不能达到最优,各有优缺点。
光电隔离利用“电-光-电”转换实现信号的隔离传输,这类产品出现的最早,但由于存在光电转换环节,使其功耗远高于其他两种,而且传输速率低、LED容易老化,正逐步被其它产品取代。电磁隔离采用变压器进行隔离,利用两个线圈之间的变化磁场实现了在隔离层上的数据通信,既可以传输数据也可以传输功率。电容隔离是利用电容充放电进行隔离,抗电磁干扰能力比较强,速度和功耗低,但是难以进行功率传输。
变压器是利用线圈间的电磁耦合效应完成能量的转化。两个线圈相互靠近时,其中一个线圈通有电流,它所产生磁通的一部分与另一只线圈相互环链,当通电线圈中电流发生变化时,产生了变化的磁通,另一只线圈在其影响下,穿过自身的磁通也发生变化,因此在线圈中就产生了感应电流。与电源相连的线圈称为主线圈或初级线圈,另一个线圈称为副线圈或次级线圈,其电路模型如图1所示。

图1 变压器耦合电路模型
理想变压器的端口电压和电流有如下关系,其中Lp和Ls是初级和次级绕组的自感,M 是互感。

图2是变压器磁耦合隔离的原理图。磁耦合隔离是利用两个线圈之间的变化磁场来实现在隔离层上的数据通信。当初级线圈中的电压或电流发生变化时,穿过该线圈的磁通发生变化,影响次级线圈中磁通的变化,根据Faraday定律,次级线圈产生感应电动势,交流信号就从初级线圈传到次级线圈,实现了电信号-磁信号-电信号的传递。其中,因为直流信号由于电流是恒定不变的,因而被隔离。

图2 变压器磁耦合隔离
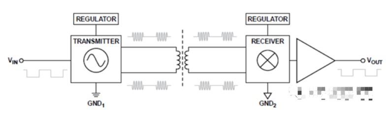
信号传输有两种方法:一种是脉冲编解码,一种是开关键控(OOK)。图3所示是基于脉冲编解码的数字信号隔离原理图。先将输入数字信号进行编码,当遇到输入信号的上升沿,编码为两个连续的脉冲,遇到输入信号的下降沿,则编码为一个脉冲信号。编码产生的信号通过隔离型片上变压器后传递给解码器,解码器负责将初始信号还原,并产生稳定的输出。图4所示是基于OOK的数字信号隔离原理图,在OOK传输中,其中一种逻辑输入信号由传输的载波频率表示,而另一种逻辑输入无信号传输。

图3 基于脉冲编解码的数字信号隔离

图4 基于OOK的数字信号隔离
在很多隔离的应用中,常常会将电源隔离和数字信号隔离组合在一起使用,在功能上实现信号和电源的双重隔离。将数字信号隔离变压器和电源隔离变压器做在一颗芯片上,再将信号发射芯片和信号接收芯片封装起来。这样就形成了数字信号和电源双隔离的芯片。
审核编辑:刘清
下一篇:23个变频器常见问题