时间:2022-06-29 11:20
人气:
作者:admin
摘 要
变频器在设计上不断的推陈出新,为了提高功率密度并降低成本,工程师更是绞尽脑汁。IGBT(绝缘栅型双极性晶体管)在变频器里属于关键器件,其选型和损耗直接关系散热器的大小,也直接影响着系统的性能、成本和尺寸。
本文从变频器的应用特点出发,结合第七代IGBT的低饱和压降和最大运行结温等特点,介绍了第七代IGBT如何助力变频器应用。
本文通过分析变频器的损耗组成,并通过热仿真对比第四代IGBT和第七代IGBT的性能,最后通过实验来验证结论。相同工况下IGBT7损耗和结温明显低于IGBT4,这样可以减小变频器的体积或是保持相同体积下增大输出电流,实现功率跳档,从而提高产品的功率密度。
01
引言
电机在家电、传动、交通运输、新能源和工业机器人等行业有着非常广泛的应用。电机驱动着我们日常的工作和娱乐。低压变频器作为驱动电机的主要产品,因调速范围广、操作简单,能够实现节能、软起、提效等功能,应用非常广泛,如电梯、风机、水泵、纺织、冶金等行业。
2021年是“十四五”规划开局之年,中国敲定了碳中和的路线图,力争在2030年前达到二氧化碳排放峰值,2060年前实现碳中和。目前中国制造业正在开展新一轮转型升级,这对工业设备的性能提出了更高的要求,节能、绿色驱动的方式将成为主流,这又将推动变频器市场的增长,尤其是新一代更高功率密度的产品。
低压通用变频器市场竞争非常激烈,针对目前的市场需求,主要厂商加大研发投入降低产品成本、提升产品性能。而变频器电路拓扑主要采用交-直-交变频,电路拓扑固定,且发展相对缓慢。变频器产品的发展特点在硬件上就集中体现为减小尺寸、提高功率密度从而降低成本。
从硬件角度讲,
低压通用变频器的特点主要有:
交-直-交:不控制整流+制动单元+三相逆变;
低开关频率:额定4KHz~6kHz,如提高开关频率会降额;
短时过载需求:150%过载/1分钟;
针对通用变频器的这些应用特点,英飞凌公司推出了第七代IGBT模块。那么第七代IGBT模块对比目前市场主要使用的第四代的IGBT模块在变频器应用中的优势体现在哪里呢?是如何做到提高功率密度的?本文将通过仿真和实验来探究。
02
IGBT7芯片技术
目前IGBT芯片技术已经发展到第七代的水平,以英飞凌的IGBT的芯片技术为例,从最开始的PT技术,到NPT平面栅,再到沟槽栅,现在到了第七代,也就是微沟槽栅(简称MPT,下同)技术。IGBT7采用了基于MPT的IGBT结构。在n-衬底的底部,通过p+掺杂实现了集电极区。在n-衬底和和p+之间,通过n+掺杂实现了场截止(FS)结构。它可以使电场急剧下降,同时会影响器件的静态和动态特性。
与IGBT4相区别的是,IGBT7里的沟槽除了包含常见的有缘栅极,还有发射极沟槽和伪栅极,后两种沟槽是无效沟槽。这三种沟槽单元类型能够精细化定制IGBT。通过增加有源栅极密度,能够增加单位芯片面积上的导电沟道。一方面,由于器件输出特性曲线更陡,可降低静态损耗。当然,带来的影响还有栅极-发射极电容(CGE)增加,代表着其开关参数也发生了变化。

图1.英飞凌芯片技术
到具体应用层面,IGBT7的优势总结为:
更低的导通饱和压降Vcesat;
最高短时工作结温可以到175℃;
针对电机驱动类应用的dv/dt特性优化;
03
IGBT7技术应用在变频器
IGBT7设计的初衷是针对电机驱动的应用。通过减少功率器件的总损耗和提高过载条件下的最高结温到175℃来提高功率密度、减少系统尺寸最终达到降低系统成本的目的。为什么IGBT7适合变频器应用呢?
1
变频器应用中,一般情况下,额定开关频率范围4KHz~6KHz。在此工况下,总损耗中导通损耗占比最大。IGBT7通过降低Vcesat来减少导通损耗。从而达到降低总损耗的目的;
2
IGBT7支持最高175℃的运行结温,有效满足变频器过载的需求;
3
IGBT7 PIM模块集成有整流桥、制动单元和逆变桥,为变频器量身定做。
接下来,结合5.5KW变频器,通过仿真和实验来验证IGBT7在变频器应用中的优势。
首先我们可以通过仿真来评估IGBT7在变频器应用中的结温和损耗分布。PLECS涉及到电能转换系统的电气回路,磁性元件,散热回路和机械以及其控制部分可以提供快速的仿真。本文使用Icepak和PLECS混合热仿真实验,并计算损耗和结温。

图2.仿真和实验流程图
3.1
建立PLECS器件模型
(1)双脉冲测试
虽然器件规格书上会有开关损耗的数据,但是母线电压、结温、主功率回路的杂散电感、门极回路的寄生电感和寄生电阻都会对开关损耗产生影响[4]。通过双脉冲测试可以得到IGBT7的开关损耗和二极管的反向恢复损耗。当然还可以得到各电压电流尖峰值,斜率变化值在内的动态参数。本次实验直接在整机的主功率电路板上做双脉冲测试,这样测得的数据更加符合实际。
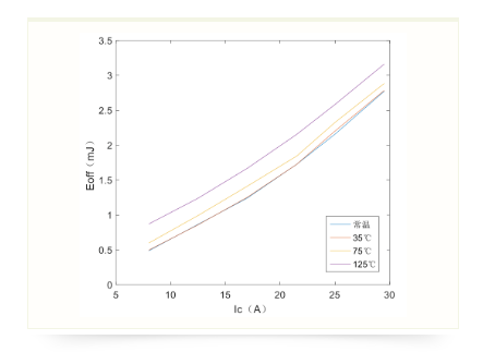
本次测试选取了室温、35℃、75℃和125℃这四种不同的温度,得到IGBT7的关断损耗和开通损耗。因第七代IGBT使用了MPT技术,在维持较低dv/dt的情况下,驱动电阻可以选的更小[5],所以本次双脉冲测试驱动电阻(Rg)选取10欧姆和15欧姆,如图3和图4所示。

图3.Rg=15Ω时IGBT7关断损耗实测数据

图4.Rg=15Ω时IGBT7开通损耗实测数据
(2)创建器件模型
基于规格书的数据,将Vcesat与Ic(集电极电流)的输出特性曲线导入到PLECS器件模型里,再加上之前得到的开关损耗,就可以得到IGBT和反并联二极管的损耗模型。最后输入四阶的瞬态热阻,就可以得到IGBT7的PLECS热模型了,如图5所示。

图5.IGBT7器件模型
3.2
3D和PLECS联合热仿真结果
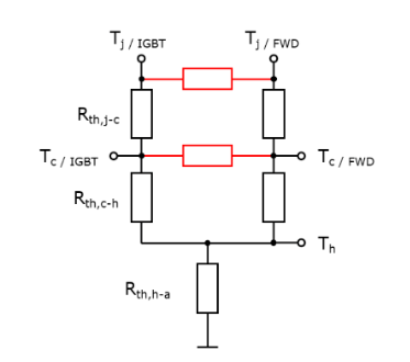
采用3D和PLECS联合热仿真的目的是提高仿真结果的精度。IGBT和二极管芯片产生的绝大部分的热量通过图6中纵向的热阻传递到环境中;只有极少部分的热量横向传递,在本文中可以忽略不计。从热等效网络可见,Rth,c-h(散热器热阻,下同)的精度直接影响到IGBT芯片结温的估算。PLECS的优势是可以通过仿真得到损耗和芯片结温,而3D热仿真的优势是可以得到散热器热阻值。采用3D和PLECS联合热仿真的目的是提高仿真结果的精度。

图6.IGBT热等效网络
基于第七代IGBT FP25R12W2T7,使用PLECS仿真计算出损耗后,导入到3D热仿真可以得到散热器的热阻,再将散热器热阻导入到PLECS迭代后重新仿真,可以得到IGBT和二极管的晶圆的结温,具体结果请参见表1。表1和表2中“仿真模式”一列中的热阻指的是散热器热阻Rth,c-h。
仿真条件如下:
母线电压Vdc=540V;
调制比为1;
输出频率为50Hz;
散热器的时间常数为67s;
输出功率因数为0.85;
表1.IGBT7热仿真结果

上一篇:量子计算的必要性与挑战
下一篇:国产车规芯片的自主创新与突破