时间:2022-07-05 09:20
人气:
作者:admin
目前不管是工业自动化领域、汽车领域,还是生活家电领域,各个终端市场对 BLDC 电机控制性能提出了更高的要求。它们不仅需要电机能够做到高效率和多功能控制,还需要电机在追求高转速的同时实现低噪音低振动的控制效果。
与日俱增的高标准性能要求下,越来越多的高性能 BLDC 电机驱动控制芯片在市场高需求和性能高标准两大机遇下涌现。
国内很多厂商都相继推出了 BLDC 电机驱动芯片及解决方案,在性能上较之国际厂商的驱动芯片也不落下风,并且性价比更高,在技术支持上国内厂商也能及时给予客户更多的支持。
纵观国内 BLDC 芯片市场,FOC 几乎已成为标配,各家都在应用了 FOC 的基础上集成更多的外设配置以此来获得更大的竞争力。
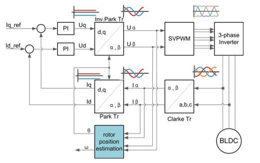
什么是 FOC?
FOC(Field-Oriented Control),即磁场定向控制,也称矢量变频,是目前高效控制无刷直流电机(BLDC)和永磁同步电机(PMSM)的最佳选择。
FOC 精确地控制磁场大小与方向,使得电机转矩平稳、噪声小、效率高,并且具有高速的动态响应。目前已在很多应用上逐步替代传统的控制方式,在运动控制行业中备受瞩目。
FOC 的原理
FOC 控制首选需要得到电机转子的位置、电机转速、电流大小等信息作为反馈输入,需要采集电机相电流,对其进行一系列的数学变换和估算算法后得到解耦的易用控制的反馈量。
控制器根据反馈量与目标值的误差进行动态调节,最终输出 3 相正弦波驱动电机转动。

FOC 典型控制框图
有传感器 FOC/无传感器 FOC
对于有传感器 FOC,由于编码器能反馈电机转子的位置信息,因此控制简单,但是往往对控制性能要求较高。
对于无传感器 FOC,在控制中需要通过采集电机相电流,使用位置估算算法来计算转子位置,因此控制难度大。
但是布线简单,成本低,可靠性高,能够最大程度上实现高效率、低振动、低噪音以及高响应速度等控制目标,所以逐渐成为行业主流趋势,多应用于风机类的场合中。
峰岹科技 BLDC 驱控芯片
与同行业企业通常在通用芯片上用软件编程(ARM 为主)来实现电机控制算法不同,峰岹科技从底层架构上将芯片设计、电机驱动架构、电机技术三者有效融合,用算法硬件化的技术路径在芯片架构层面实现复杂的电机驱动控制算法,形成自主知识产权的电机驱动控制处理器内核ME。
在该技术下,峰岹科技设计的芯片可实现电机控制 FOC 算法,6~7us 即可完成一次 FOC 运算,无感 FOC 控制方案的电周期转速可高达 27 万转。
FU6812/61 系列是一款集成 8051 内核和电机控制引擎(ME)的高性能电机驱动专用芯片,8051 内核处理常规事务,ME 处理电机实时事务,双核协同工作实现各种高性能电机控制。
其中 8051 内核大部分指令周期为 1T 或 2T,芯片内部集成有高速运算放大器、比较器、高速 ADC、乘/除法器、CRC、SPI、I2C、UART、多种 TIMER、PWM 等功能,内置高压 LDO,适用于 BLDC/PMSM 电机的方波、SVPWM/SPWM、FOC 驱动控制。

FU6812L 功能框图
应用场景为无感/有感的 BLDC/PMSM、三相/单相感应电机、伺服电机。油烟机、室内机、吊扇、落地扇、吸尘器、电吹风、工业风机、水泵、压缩机、电动车、电动工具、航模等。
目前来看,BLDC 电机驱控芯片行业技术向单芯高集成和无感FOC控制的趋势已经很明朗,BLDC 驱控芯片厂商如何在市场起量的契机下在高效率,低能耗,稳定性上取得突破将会是赢得市场的关键。
而作为一家致力于以信息化技术改善传统电子产业链服务模式的产业互联网平台,华秋电子秉承着“为电子产业增效降本”的企业使命,助力峰岹科技 FU6812/61 系列 MCU 落地应用,推出了相关 BLDC 方案。
→ FU6812L-11 万转无刷电机控制板 BLDC 高速风筒方案
方案介绍:11 万转无刷电机控制板,为风筒提供核心动力。转速高出普通电机数倍,输出飓风级动力,提升干发效率。
方案优势:响应快、效率高、噪声低,成本低。
MCU方案:FU6812
电压范围:AC80V-270V
功率范围:10W-150W
转速范围:10000RPM-200000RPM
控制方式:三相电机无感 FOC
闭环方式:功率闭环,速度闭环
调速接口:按键调试
应用范围:可应用于新一代噪声低、高速、体积小 、重量轻的风筒机驱动系统中。
作为本土“元器件电商”的“探索者”之一,华秋商城致力为全球电子产业创造价值,向客户提供围绕“品牌选型+现货采购+海外代购+BOM 配单”的全流程服务。通过与全球 1500 多家原厂品牌及代理商搭建战略合作伙伴关系,华秋商城可直接获得原厂货源。
支持智能 BOM 整单配齐,一键上传,简单便利,解决您的多渠道采购烦恼;
支持方案、品牌、规格参数选型,解决您的多样化设计需求;
支持常用物料现货采购,20 万+SKU 自营现货充足,当日发货,解决您的常用型号稳供忧虑;
支持海外代购,提供紧缺、停产、断档、冷偏门元器件供应服务,2000 万+全球现货 SKU,解决您的缺料苦恼;
支持售前、中、后期 7*24 小时实时在线服务,充当您解决棘手问题的贴身顾问。
此外,目前针对 BLDC 领域,华秋电子可为用户提供从方案设计到各类元件采购的一站式解决方案,包括 BOM 配单一键采购、PCBA 加工。在各特定的细分行业,华秋电子还推出了如 BLDC 破壁机、抽油烟机、风扇吊扇、卷发棒、高速风筒等可量产的全套解决方案,欢迎进入方案中心查看了解更多。
审核编辑:汤梓红