时间:2022-03-24 11:27
人气:
作者:admin
产品品牌:永嘉微电/VINKA
原厂直销,样品免费,技术支持,大量现货!
产品型号:VK1651
封装形式:DIP16/SOP16
产品年份:新年份
概述:
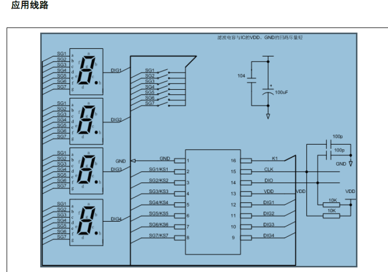
VK1651是一种带键盘扫描接口的LED(发光二极管显示器)驱动控制专用电路,内部集成有MCU数字接口、数据锁存器、LED高压驱动、键盘扫描等电路。本产品性能优良,质量可靠。主要应用于电磁炉。微波炉及小家电产品的显示屏驱动。
其主要特点如下:
采用功率CMOS工艺
显示模式(7字段×4位),支持共阳数码管输出
键扫描(1×7bit)
辉度调节电路(占空比8级可调)
串行接口(CLK , DIO)
振荡方式:内置RC 振荡(450KHz±5%)
内置上电复位电路
内置自动消隐电路
封装形式:DIP16或SOP16
此篇产品叙述为功能简介,如需要完整产品PDF资料可以联系


触摸触控IC系列简介如下:
标准触控IC-电池供电系列:
VKD223EB --- 工作电压/电流:2.0V-5.5V/5uA-3V 感应通道数:1 通讯接口
最长响应时间快速模式60mS,低功耗模式220ms 封装:SOT23-6
VKD223B --- 工作电压/电流:2.0V-5.5V/5uA-3V 感应通道数:1 通讯接口
最长响应时间快速模式60mS,低功耗模式220ms 封装:SOT23-6
VKD233DB --- 工作电压/电流:2.4V-5.5V/2.5uA-3V 1感应按键 封装:SOT23-6
通讯接口:直接输出,锁存(toggle)输出 低功耗模式电流2.5uA-3V
VKD233DH ---工作电压/电流:2.4V-5.5V/2.5uA-3V 1感应按键 封装:SOT23-6
通讯接口:直接输出,锁存(toggle)输出 有效键最长时间检测16S
VKD233DS --- 工作电压/电流:2.4V-5.5V/2.5uA-3V 1感应按键 封装:DFN6(2*2超小封装)
通讯接口:直接输出,锁存(toggle)输出 低功耗模式电流2.5uA-3V
VKD233DR --- 工作电压/电流:2.4V-5.5V/1.5uA-3V 1感应按键 封装:DFN6(2*2超小封装)
通讯接口:直接输出,锁存(toggle)输出 低功耗模式电流1.5uA-3V
VKD233DG --- 工作电压/电流:2.4V-5.5V/2.5uA-3V 1感应按键 封装:DFN6(2*2超小封装)
通讯接口:直接输出,锁存(toggle)输出 低功耗模式电流2.5uA-3V
VKD233DQ --- 工作电压/电流:2.4V-5.5V/5uA-3V 1感应按键 封装:SOT23-6
通讯接口:直接输出,锁存(toggle)输出 低功耗模式电流5uA-3V
VKD233DM --- 工作电压/电流:2.4V-5.5V/5uA-3V 1感应按键 封装:SOT23-6 (开漏输出)
通讯接口:开漏输出,锁存(toggle)输出 低功耗模式电流5uA-3V
VKD232C --- 工作电压/电流:2.4V-5.5V/2.5uA-3V 感应通道数:2 封装:SOT23-6
通讯接口:直接输出,低电平有效 固定为多键输出模式,內建稳压电路
MTP触摸IC——VK36N系列抗电源辐射及手机干扰:
VK3601L --- 工作电压/电流:2.4V-5.5V/4UA-3V3 感应通道数:1 1对1直接输出
待机电流小,抗电源及手机干扰,可通过CAP调节灵敏 封装:SOT23-6
VK36N1D --- 工作电压/电流:2.2V-5.5V/7UA-3V3 感应通道数:1 1对1直接输出
触摸积水仍可操作,抗电源及手机干扰,可通过CAP调节灵敏封装:SOT23-6
VK36N2P --- 工作电压/电流:2.2V-5.5V/7UA-3V3 感应通道数:2 脉冲输出
触摸积水仍可操作,抗电源及手机干扰,可通过CAP调节灵敏封装:SOT23-6
VK3602XS ---工作电压/电流:2.4V-5.5V/60UA-3V 感应通道数:2 2对2锁存输出
低功耗模式电流8uA-3V,抗电源辐射干扰,宽供电电压 封装:SOP8
VK3602K --- 工作电压/电流:2.4V-5.5V/60UA-3V 感应通道数:2 2对2直接输出
低功耗模式电流8uA-3V,抗电源辐射干扰,宽供电电压 封装:SOP8
VK36N2D --- 工作电压/电流:2.2V-5.5V/7UA-3V3 感应通道数:2 1对1直接输出
触摸积水仍可操作,抗电源及手机干扰,可通过CAP调节灵敏封装:SOP8
VK36N3BT ---工作电压/电流:2.2V-5.5V/7UA-3V3 感应通道数:3 BCD码锁存输出
触摸积水仍可操作,抗电源及手机干扰,可通过CAP调节灵敏 封装:SOP8
VK36N3BD ---工作电压/电流:2.2V-5.5V/7UA-3V3 感应通道数:3 BCD码直接输出
触摸积水仍可操作,抗电源及手机干扰,可通过CAP调节灵敏 封装:SOP8
VK36N3BO ---工作电压/电流:2.2V-5.5V/7UA-3V3 感应通道数:3 BCD码开漏输出
触摸积水仍可操作,抗电源及手机干扰 封装:SOP8/DFN8(超小超薄体积)
VK36N3D --- 工作电压/电流:2.2V-5.5V/7UA-3V3 感应通道数:3 1对1直接输出
触摸积水仍可操作,抗电源及手机干扰 封装:SOP16/DFN16(超小超薄体积)
VK36N4B ---工作电压/电流:2.2V-5.5V/7UA-3V3 感应通道数:4 BCD输出
触摸积水仍可操作,抗电源及手机干扰 封装:SOP16/DFN16(超小超薄体积)
VK36N4I---工作电压/电流:2.2V-5.5V/7UA-3V3 感应通道数:4 I2C输出
触摸积水仍可操作,抗电源及手机干扰 封装:SOP16/DFN16(超小超薄体积)
VK36N5D ---工作电压/电流:2.2V-5.5V/7UA-3V3 感应通道数:5 1对1直接输出
触摸积水仍可操作,抗电源及手机干扰 封装:SOP16/DFN16(超小超薄体积)
审核编辑:汤梓红