时间:2022-04-27 10:24
人气:
作者:admin
一、背景介绍:
核酸检测为了提高检测的灵敏度,需要对核酸进行扩增。那么无论是RPA,LAMP还是PCR都需要温度控制。在温度控制领域中最长使用的控制算法——PID控制算法,该算法是经典控制理论里一个重要的控制理论,其历史悠久并且至今仍是实用控制中最为常用的控制方法之一。提到PID算法,自动控制领域几乎无人不知无人不晓。因为在控制界虽然有很多算法,但是大都是纸上谈兵,理论讲的很不错,实际应用的较少,PID算法及改进的PID算法是最简单、有效且应用非常广泛的。比如汽车上的自适应巡航、发动机转速控制,智能车转向、制动等底层控制,还有3D打印机上的温度控制器等。
PID控制理念最早提出是在1932年,物理学家哈利奈奎斯特,在他的一篇论文当中提出了采用图形的方法来判断系统的稳定性。在他的基础上,荷兰裔科学家亨伯德等人建立了一整套在频域范围设计反馈放大器的方法,后被用于自动控制系统的分析和设计,这也是PID算法最早从书面走向实践。与此同时,反馈控制原理开始应用于工业过程中。1936年英国的考伦德和斯蒂文森等人给出了PID控制器的方法,自此PID算法正式形成了,并且后来在自动控制技术中占有非常重要的地位。
PID控制,即Proportional (P)– Integral(I) – Derivative(D) Control, 实际上是三种反馈控制:比例控制,积分控制与微分控制的统称。根据控制对象和应用条件,可以采用这三种控制的部分组合,即P控制,PI控制,PD控制或者是三者的组合。
PID的原理非常简单。当今的闭环自动控制技术都是基于反馈的概念以减少不确定性。反馈理论包括三个基本要素:测量、比较和执行。测量关心的是变量,并与期望值相比较,以此误差来纠正和控制系统的响应。反馈理论及其在自动控制中应用的关键是:做出正确测量与比较后,如何用于系统的纠正与调节。
虽然PID控制原理看似简单,但是具体的调参工作并不简单,PID控制器的参数整定是控制系统设计的核心内容。所谓参数整定是指根据被控过程的特性确定PID控制器的比例系数、积分时间和微分时间的大小,从而改善系统的动态、静态特性,以求取较佳的控制效果的过程。PID控制器参数整定的方法概括起来有两大类:
1、理论计算整定法。它主要是依据系统的数学模型,经过理论计算确定控制器参数。这种方法所得到的计算数据未必可以直接用,还必须通过工程实际进行调整和修改。比如,自适应神经网络PID控制算法。
2、工程整定方法。它主要依赖工程经验,直接在控制系统的试验中进行,且方法简单、易于掌握,在工程实际中被广泛采用。
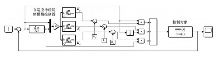
针对第一种方法。PID控制器的设计方法更趋于结构化,从而构造出更快、更正确的自适应机制,进而构造出更有效地智能自适应PID控制器。随着计算机技术的发展和传感器集成化程度的提高,智能PID控制将是未来发展方向。比如:自适应神经网络模糊PID 控制,系统仿真结构图如下所示:

首先,模糊PID控制方法是模糊控制理论在传统PID调节基础上的运用,但并不能满足磨煤机控制要求,适应环境的能力较差。其次,神经网络PID通过 PID与前向BP神经网络共同调节的方式,使调节器适应控制系统的扰动。BP神经网络的学习规则是梯度下降法,但按照梯度下降法进行学习易陷入局部最优,闭环系统容易失去稳定性,也无法完全满足磨煤机的控制要求。自适应神经网络模糊PID 控制系统运行原理为: 自适应神经网络模糊推演模块以误差变化率和误差的数据进行推理,得到一组在线修改的PID 参数; 将参数赋给传统PID调节器。该方式实现了参数的实时调节,PID调节器可以更好地适应工况的。对比不断优化的控制算法效果图如下所示:

二、论文分析:
研究人员在ACS发表了题为:An Integrated Smartphone-Based Genetic Analyzer for Qualitative and Quantitative Pathogen Detection的研究论文。论文提出一种基于比色法为依据,手机作为辅助提高系统集成的多病毒检测装置。为了提高系统的检测灵敏度,采用了63摄氏度的等温扩增技术。从而提高灵敏度,加大检测最低载量的目的。该设备可同时检测大肠埃希杆菌、沙门氏菌、弧菌。并且可以60分钟完成检测,精读达到10个拷贝每微升。论文摘要如下:

该设备的检测原理如下图所示:
图A介绍了从上到下,核酸扩增,芯片数据读取的过程。图B则给出了微流控芯片的内部原理示意图。图C为,微流控芯片、加热器和白色LED光源的布局结构。

基于手机和i-Gene装置的实验操作流程如下图所示:
从左到右包含样品准备、注入LAMP芯片、在LAMP的核酸扩增过程中,实时图像记录颜色变化。最后通过蓝牙或WIFI把数据发送到电脑端进行数据分析。

分子诊断的整套设备所需部件如下图C所示,系统设备的组成包含i-Gene装置,智能手机,LAMP芯片和移动电源(power bank)。加热器和配套电路如下图A所示,加热效果如下图B所示。包含图像采集和智能加热的i-Gene装置截面图如下图D所示:

RGB比色法在LAMP反应前后的颜色对比数据如下图所示:

四种样本的对比检测数据图如下所示:

总结:作者提出了一种新型的便携式POC检测平台。该平台是基于智能手机、LAMP芯片和配套的i-Gene装置。该装置提供加热的保证。加热算法采用了最经典的PID控制理论。为了降低成本将图像采集使用大家都有的智能手机来完成,但是为了更好的效果,给手机配备了一个低价格的微镜头和白色光源环。手机采集的数据可以通过无线通信传输到远程的电脑进行数据分析。
现场平台的尺寸在4.5*6.3*6.0厘米以内。一次性使用的芯片的价格控制在0.1美元。这大大的方便了该设备在一些经济不发达地区的病毒快速诊断需求。尤其在新冠病毒肆虐的今天,其由于采用核酸扩增技术和手机图像采集技术,所以检测的灵敏度会比普通的抗原抗体试纸检测准确度高很多,但价格几乎差不多。
参考文献:
1、An Integrated Smartphone-Based Genetic Analyzer for Qualitative and Quantitative Pathogen Detection
2、郭佳跃,等: 基于自适应神经网络模糊 PID 的磨煤机控制研究
上一篇:步进电机选型的7个步骤
下一篇:如何选择步进电机和伺服电机