时间:2022-03-10 16:08
人气:
作者:admin
1、变频器是一种典型的采用了变频技术的电动机驱动控制用电气设备
2、变频器电路由主电路和控制电路组成,其中主电路采用各种电力电子电路构成
3、所谓电力电子电路是指利用电力电子器件对工业电能进行变换和控制的大功率电子电路。由于电力电子电路主要用来处理高电压大电流的电能,为了减少电路对电能的损耗,电力电子器件通常工作于开关状态,因此电力电子电路实质上是一种大功率开关电路。
4、电力电子电路是变频技术的具体实现,包括整流电路(AC-DC转换电路)、斩波电路(DC-DC转换电路)、逆变电路(DC-AC转换电路)、交-交变频电路(AC-AC转换电路)
1、交-直-交变频器是现在最常使用的变频器,按直流环节的储能方式分为电压型变频器、电流型变频器,按输出电压的调制方式分为PWM控制方式、PAM控制方式,目前广泛采用PWM方式变频器

整流电路:
整流电路(Rectifying Circuit)是一种将交流电能转换为直流电能的电路.
(a)不可控整流电路:整流器件由不可控功率二极管组成,其直流整流电压和交流电源电压值之比固定不变
(b)半控整流电路:整流器件由可控开关器件和二极管混合组成,负载电源极性不能改变,但电压平均值可以调节
(c)全控整流电路:所有整流器件采用可控开关器件(SCR、GTR、GTO、IGBT等),其输出直流电压平均值及极性可以通过控制元件的导通状况调节,功率既可以由电源向负载传送,也可以由负载反馈给电源
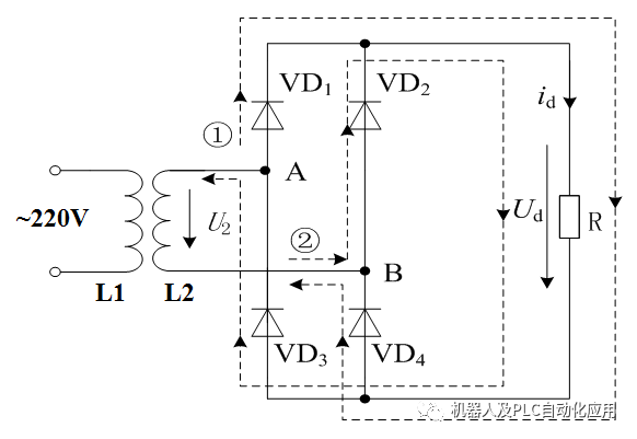
不可控整流电路:
单相桥式整流电路

三相桥式整流电路

可控整流电路:
单相半波可控整流电路

单相桥式半控整流电路:

斩波电路:
1、概述
(1)又称直流-直流变换电路。是将直流电变换为另一固定电压或可调电压的直流电。
(2)可用于直流开关稳压电源、直流电动机调速控制等
2、分类
(1)按功能
分为:降压斩波电路、升压斩波电路、升降压斩波电路、Cuk斩波电路、Sepic斩波电路和Zeta斩波电路
(2)按调压控制方式
(a)脉冲宽度调制(PWM):控制脉冲周期不变,改变脉冲宽度调压。常用。故斩波控制也称为脉宽调制
(b)脉冲频率调制(PFM):控制脉冲宽度不变,改变脉冲周期调压。
降压斩波电路:

升压斩波电路:

逆变电路
1、概述
又称直流-交流变换电路,是将直流电转换成交流电的电路,与整流电路功能相反
2、分类
(1)按交流输出相数
单相逆变电路、三相逆变电路
(2)按交流输出电平数量
两电平逆变电路、三电平逆变电路、多电平逆变电路
(3)按直流电源性质
电压型逆变电路、电流型逆变电路
(4)按开关器件类型
半控型器件(晶闸管)逆变电路、全控型器件逆变电路
