时间:2016-09-22 15:51
人气:
作者:admin
1 前言
日常的生活用水量随季节、昼夜、上下班时间的不同而有较大变化,因而经常出现水压的剧烈波动。利用PLC、变频调速装置和压力传感器组成闭环控制系统来控制水泵的转速,不但能保证系统管网的恒压,减少供水欠压和过压不合理现象,而且设备和系统运行平稳可靠,节能显著。
2 恒压供水原理
来自市政管网水源或地下水源进入蓄水池后,由变频器控制的水泵将水直接加压送入供水管网直至各个用水点。根据供水管网流量、压力变化自动控制变频器输出频率,调节电动机和水泵的转速,实现恒压供水。压力变化通过压力检测(压力传感器)将数据传送给运算处理系统,系统发出水泵加速或减速指令,使之满足压力要求,如图1所示。一台泵全速运行不能满足压力要求时,自动投入第2号、第3号水泵;反之逐一停下第2号、第3号水泵。总之,让管网达到恒压的目的。

图1 恒压供水原理图
3 系统电路设计
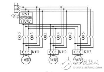
系统主要由一台西门子S7-200可编程控制 器、一台惠丰F1500-G变频器、压力传感器、接触器、自动开关、热继电器、3台水泵等构成。系统主回路采用一拖多方式,如图2所示,合上空气开关后,当交流接触器Q0.0、Q0.1、Q0.2闭合时,水泵为变频运行;当交流接触器Q0.3、Q0.4、Q0.5闭合时,水泵为工频运行。3个热继电器KH1、KH2、KH3对三台电机进行保护,避免电机过载时过热烧毁。

图2 系统主回路图
4 PLC控制程序设计
PLC和变频器是本系统的核心部分,系统稳 定运行的关键取决于PLC程序的合理性和可行性以及变频器参数的设定。
4.1 PLC程序流程
本系统采用手动和自动两种工作方式,手动运行方式主要为检修和故障时使用,可根据需要,通过开关按钮控制三个泵工频运行;自动运行方式为系统日常运行方式,合上自动开关,系统启动时,单泵变频运行。根据压力传感器反馈的信号,通过PID运算处理,变频器发出变频信号,当变频泵运行频率达到设定的上限频率,该泵转为工频运行同时增加一台水泵变频运行;当变频泵运行频率达到设定的下限频率,减少一台工频泵运行。

图3 程序流程图
同时,通过泵号管理子程序,当系统自动运行一天时,泵号自动切换,每台水泵工作情况基本相同,可使系统免维护。程序流程如图3所示。
4.2 PLC程序设计
本系统PLC控制程序由主程序和6个子程序组成,程序设计采用梯形图设计方法,直观并便于调试和维护。由于供水系统是一个较大但无法突变的系统,设计上采取查询方式为主,中断方式为辅,采用模糊PID参数控制。PLC输入输出地址如表1所示、程序地址分配如表2所示,实现主程序如图4。

4.3 变频器参数设定
变频器变频运行,水泵转速过低时,水泵全扬程小于实际扬程,容易形成“空转”现象,所以变频下限设为20Hz;水泵高速运行达额定功率(50Hz)时,变频器V/F补偿功能,往往使水泵实际转速略高于工频运行转速,考虑到实际情况将变频上限设定为49Hz。
另外,变频器自带欠压保护、过载保护等功能,当水泵出现故障时可及发出警告,便于维护。
4.4 PID模糊控制
模糊控制技术是克服了经典控制理论依靠系统数字模型的缺点,是一种基于语言规则和模糊推理的高级控制策略。本系统利用西门子S7-200扩展模拟量处理混合模块EM235完成对水压信号的采集和对变频器的控制,PLC接收管网中的压力值,与给定值进行比较,计算偏差e及偏差变化Δe值,乘以相应的量化因子,取整后变换成模糊变量E和ΔE。得到控制量增量Δu然后乘以比例因子,变为实际控制量论域值Δu(k),从而计算出总的控制量 u(k)=u(k-1)+Δu(k)。该值送入PLC的输出寄存器,经处理后变为0∽5V的电压信号送给变频器,改变电机转速达到控制水压的目的。

图4 恒压供水系统主程序
4.5 试验情况

本系统于2008年7月11日至24日进行了2周的实地测试,第一周系统采用手动运行方式,手动调节控制水泵投入使用;第2周采用自动运行方式,变频调速方式控制水泵投入使用。测得数据表明本系统节能效果明显,如表3。
4 结语
由西门子S7-200系列PLC、惠丰F1500-G变频器和压力传感器等组成的恒压供水系统,充分发挥了PLC内置的PID运算模块,自动调节变频器输出频率、投入使用泵数,达到恒压供水的目的;通过泵号管理程序,实现泵号自动切换,使每台水泵工作状况基本相同,提高设备利用率并减少维修费用;同时通过变频器自带保护功能可轻松实现系统故障诊断。实际运行情况证明了本系统具有可靠性高、自动化程度高、便于维护和高节能性等特点,具有很大的应用价值。