时间:2016-09-28 11:37
人气:
作者:admin
本文将介绍三相异步电动机正反转的主电路和控制电路,以及与PLC控制系统的外部接线图和梯形图。
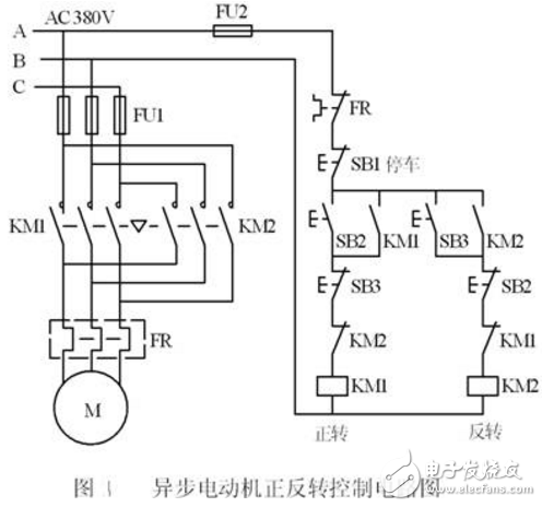
在图1是三相异步电动机正反转控制的主电路和继电器控制电路图,图2与3是功能与它相同的plc控制系统的外部接线图和梯形图,其中,KM1和KM2分别是控制正转运行和反转运行的交流接触器。

在梯形图中,用两个起保停电路来分别控制电动机的正转和反转。按下正转起动按钮SB2,X0变为ON,其常开触点接通,Y0的线圈“得电”并自保持,使KM1的线圈通电,电机开始正转运行。按下停止按钮SB1,X2变为ON,其常闭触点断开,使Y0线圈“失电”,电动机停止运行。

在梯形图中,将Y0和Y1的常闭触点分别与对方的线圈串联,可以保证它们不会同时为ON,因此KM1和KM2的线圈不会同时通电,这种安全措施在继电器电路中称为“互锁”。除此之外,为了方便操作和保证Y0和Y1不会同时为ON,在梯形图中还设置了“按钮联锁”,即将反转起动按钮X1的常闭触点与控制正转的Y0的线圈串联,将正转起动按钮X0的常闭触点与控制反转的Y1的线圈串联。设Y0为ON,电动机正转,这时如果想改为反转运行,可以不按停止按钮SB1,直接按反转起动按钮SB3,X1变为ON,它的常闭触点断开,使Y0线圈“失电”,同时X1的常开触点接通,使Y1的线圈“得电”,电机由正转变为反转。
梯形图中的互锁和按钮联锁电路只能保证输出模块中与Y0和Y1对应的硬件继电器的常开触点心不会同时接通。由于切换过程中电感的延时作用,可能会出现一个接触器还未断弧,另一个却已合上的现象,从而造成瞬间短路故障。可以用正反转切换时的延时来解决这一问题,但是这一方案会增加编程的工作量,也不能解决不述的接触器触点故障引起的电源短路事故。
如果因主电路电流过大或接触器质量不好,某一接触器的主触点被断电时产生的电弧熔焊而被粘结,其线圈断电后主触点仍然是接通的,这时如果另一接触器的线图通电,仍将造成三相电源短路事故。为了防止出现这种情况,应在PLC外部设置由KM1和KM2的辅助常闭触点组成的硬件互锁电路(见图2),假设KM1的主触点被电弧熔焊,这时它与KM2线圈串联的辅助常闭触点处于断开状态,因此KM2的线圈不可能得电。
图1中的FR是作过载保护用的热继电器,异步电动机长期严重过载时,经过一定延时,热继电器的常闭触点断开,常开触点闭合。其常闭触点与接触器的线圈串联,过载时接触器线圈断电,电机停止运行,起到保护作用。
有的热继电器需要手动复位,即热继电器动作后要按一下它自带的复位按钮,其触点才会恢复原状,即常用开触点断开,常闭触点闭合。这种热继电器的常闭触点可以像图2那样接在PLC的输出回路,仍然与接触器的线圈串联,这种方案可以节约PCL的一个输入点。
有的热继电器有自动复位功能,即热继电器动作后电机停转,串接在主回路中的热继电器的热元件冷却,热继电器的触点自动恢复原状。如果这种热断电器的常闭触点仍然接在PLC的输出回路,电机停转后过一段时间会因热继电器的触点恢复原状而自动重新运转,可能会造成设备和人身事故。因此有自动复位功能的热继电器的常闭触点不能接在PLC的输出回路,必须将它的触点接在PLC的输入端(可接常开触点或常闭触点),用梯形图来实现电机的过载保护。如果用电子式电机过载保护器来代替热继电器,也应注意它的复位方式。