时间:2014-09-10 16:19
人气:
作者:admin
温度控制系统被广泛应用于工业、农业、医疗等行业的仪器设备中,目前应用最多的是单片机或微机系统设计的温度控制系统。系统硬件部分由输人输出接口、中央处理单元、A/D 转换、定时计数等集成模块组成,系统软件部分需要用运算量大的PID算法编程实现,整套控制系统设计及实现较为复杂和繁琐。由分立元件组成的模拟型电路信号输入、放大、运算及控制输出都由硬件电路完成,不需要软件设计。与数字电路相比,其设计及实现过程更为简便,所以采用简易实用的模拟电路实现温控电路的设计。
1 温控总电路组成
温控电路主要由电源部分、温度检测元件、信号放大、比例积分、电压比较、移相触发控制继电器、超温保护、加热炉和LED显示几部分组成,其电路结构如图1所示。

图1 温控系统电路组成图
由温度检测元件可以检测到温度值信号,该信号经过放大后输送至比例积分电路并与温度设定电压比较,比较结果输送至相触发电路产生可变周期的脉冲以触发固态继电器中可控硅导通角,从而可控制加热装置的加热功率,达到控制温度的目的。温度补偿电路减少室温对温度测量准确度的影响;超温保护电路可以保证在加热温度超过设定值时,装置停止加热,起到保护设备的作用。
2 各分电路设计
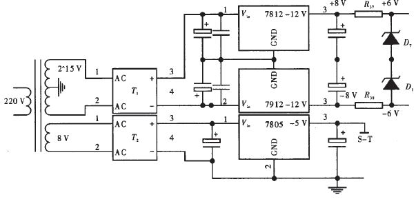
2.1 电源电路
温控电路中需要直流电压的器件为运算放大器及电子信息显示模块。该电压由220V交流电压经整流滤波后加。至三端稳压器输出得到。其电路如图2所示。

图2 电源电路图
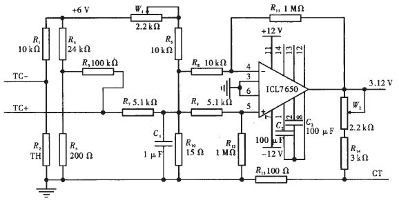
2.2 输入温度信号放大及温度补偿电路
用感温元件镍硌一镍铬K型热电偶作温度传感器来采集温度信号,温度信号为mV级,实际测量时需经过放大处理。热电偶测量温度信号受工作端温度 和自由端环境温度影响,所以测量中需要加补偿信号消除环境温度变化对温度测量的影响。具体电路如图3所示。

图3 信号放大及温度补偿电路
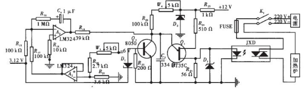
2.3 超温保护电路
以将功率为60 w将加热装置加热至750℃为例,图3中温度信号经过放大100倍后加到比例积分电路并与温度设定电压比较,比较结果输送相触发电路产生可变周期脉冲以触发固态继电器。为避免加热温 度过高设置超温保护电路,在温度过高时切断加热电压。具体电路如图4所示。

图4 比例积分、电压比较、移相触发及超温保护电路