时间:2014-09-11 11:34
人气:
作者:admin
在ARM9嵌入式处理器和μC/OS-II操作系统基础上,采用容量大、体积小、性价比高的存储介质SD卡来存储长时间段的测量数据,对FAT32进行了裁剪,并结合SD卡的底层的读写程序,从而实现了嵌入式SD 卡文件系统,这样就能很方便通过上位机对SD卡记录货车称重数据进行查询,综合分析以及备份。同时该方法为其它数据采集系统提供了一种非易失性存储器的解决方案,采集到的数据会以标准文件的格式记录到SD卡上,便于文件的统一管理。该系统具有实时性强、存取速率高、易维护,易移植等特点。
一、 硬件电路
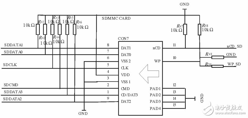
本系统硬件开发平台处理器为S3C2440A,是三星公司推出的16/32位RISC微处理器,ARM920T 内核,主频400 MHz,最高可达533 MHz,内部具有丰富的系统外围控制器和多种通信接口。SD卡支持SPI和SD两种通信模式,S3C2440A具有SD卡接口,支持SD总线模式,所以不再像低端的ARM处理器那样采用SPI模式,而是采用SD总线模式,这样可以大大提高SD卡的读写速度。S3C2440A与SD卡读写器的接口电路如图1 所示。

图1 SD卡接口电路
SD卡的DAT0~DAT3、CLK(时钟线)和CMD(命令线)分别连接到S3C2440A的SDDATA0~SDDATA3、SDCLK和SDCMD引脚。SD卡支持单线和宽总线的数据传输,宽总线数据一次传4位,数度更快,因此,此设计采用宽总线方式。
上一篇:直流电源防雷电子电路设计图