时间:2014-09-12 11:33
人气:
作者:admin
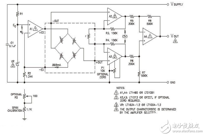
信号调节电路应该允许放大器的输出与所使用的传感器相互独立,提供互换性和高电平输出并且成本低廉。传感器补偿板上的激光调整电阻调节外部放大器的增益使之与压力灵敏度变化归一化。
电路描述
电流源是由±1%带隙的基准二级管VR 控制,基准电流I0 由下式定义:
I0=(E0-e0)/R2
其中:E0-二级管基准电压:1.235V±1%(LM385)
eo---放大器A1 的偏移
R2---反馈电阻值
选用失调电压小于1mV 的放大器A1 和公差为± 1%的电阻R2,则可产生电流I0=0.996MA,其典型精 度为±1.4%。
增益调节电阻r 调节为R3=R4=100K 一个2V 的 差压输出。
简单信号调节电路

所示信号调节电路提供了用作传感器激 励的精密恒流源和由传感器中反馈电阻R 控制增 益的仪用放大器。
补偿电路及0-5V 以外的输出电压的详细讨论 请参照TN-001 及APP-103 到APP-105。
可选零位调节
如果要求零位调节,使用 OP227 代替LT1013 放大器并加上零位电位器P1。
零位电压相对于差动偏听偏差小于0.5mV 的 输入为±4mV,这对传感器偏移的典型值(小于 ±1mV)而言就约有±3.5mV 的零位需要补偿。
上一篇:电子爆竹电路设计原理图
下一篇:二相步进电机驱动电路设计图