时间:2014-09-12 17:13
人气:
作者:admin
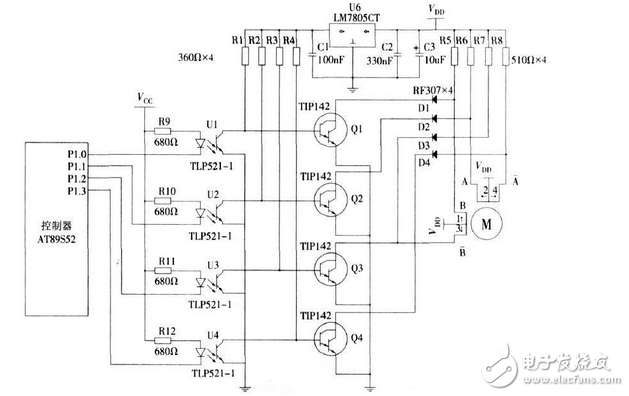
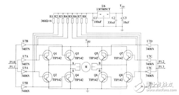
介绍了BYG通用系列二相步进电机最常采用的的单极性和双极性2种驱动电路的设计方案,从原理上体现了二相步进电机的控制方法,增加了步进电机驱动电路设计的灵活性。二相步进电机的单极性和双极性2种驱动电路设计都采用了一片可在线编程的单片机AT89S52作为控制器,由达林顿功率管TIP142组成的电路作为驱动器,电路结构简单,设计思路清晰。同时,比较分析了单极性和双极性这2种常用驱动电路设计方案的特点、区别及在应用中的选择方法。
单极性驱动电路图

双极性驱动电路图

上一篇:新型压力传感器信号调节电路设计图
下一篇:JTAG调试接口电路图设计