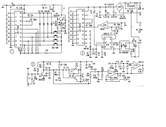
本遥控开关采用无线电编译码方式,不受方向性限制,直线控制距离100m。可控制功率在400W左右的电器的开/关。它由遥控器与接收电路两部分组成。遥控器体积小巧、外形美观,可挂于钥匙串上,随身携带。其上有四个按键,可分别发射四路控制信号。图1为遥控发射器电路。ICl是采用CMOS技术的低功耗编码发射芯片,①—⑧脚是8位3态地址设定脚,每个引脚可以接高电平、低电平或者悬空,从而可,提供6561个地址码,可有
效地避免重码。另外,10---13脚为4位数据引脚,可产生四路控制信号。当任一按键按下时,由ICl形成的与按键对应的编码脉冲串便从⑥脚输出,去调制高频振荡电路,JTl为高频谐振器,它与VTl组成稳定的高频振荡电路。另外,VTl还兼作高频发射,信号通过Ll发射出去。图2、图3分别为高频接收和译码控制电路。图2中天线接收到的信号经VTl高频放大之后进入VT2进行选频,选出与发射器载波频率相同的信号,进入ICIA
放大,放大后的信号进入ICIB整形后由Dout输出至图3的Din,再经过IC2A的进一步滤波整形送人FPT2272的④脚。PT2272是与PT2262配套使用的译码集成电路,它也有8位3态地址引脚,只有与FPT2262的地址引脚设置相同时,才能正确译出数据信号,在PT2272的对应输出端输出高电平。D1、R2、R3、C1组成消除按键抖动的电路,以保证遥控操作的可靠性。D1的正端可以接在PT2272的⑩脚至13脚之任一处,它们分别与发射器的4个按键对应。C2和R4完成对CD4013的预置,使初次加电时CD4013的输出端为低电平,即受控电器处于断电状态。IC4为带过零触发功能的光电耦合器,当CD4013输出高电平时,光耦工作,同时触发双向可控硅导通,在输出端输出220V电压。采用可控硅作为开关控制可以消除采用继电器产生的噪音,同时整个电路的可靠性也得以提高。接收部分电路的供电采用阻容降压方式,实现了整个电路的小型化。本套板全部调试好,不需作任何处理即可正常工作。安装完毕后,按一下按键。电器通电,再按一下。电器断电。
 |