全球最实用的IT互联网信息网站!

AI人工智能P2P分享&下载搜索网页发布信息网站地图

当前位置:诺佳网 > 电子/半导体 > 工业控制 >

[组图]巧做妙用声光集成电路10例

时间:2006-04-16 17:24

人气:

作者:admin

标签: 路10例  组图巧做 

导读:[组图]巧做妙用声光集成电路10例-...
 

 

    在五光十色、琳琅满目的玩具世界里,新近涌现出许多形态逼真、声情并茂的有声电子玩具,诸如能动会叫的声控电子鸟、光控电子青蛙、太空梦幻回响宇宙飞船、电子警车、电子救护车、“大哥大”电话机、玩具电子钢琴、玩具声光枪等等。有声电子玩具面世后,深得广大家长和小朋友的喜爱。模拟集成电路是有声电子玩具的核心器件,它能发出各种模拟声响,如锣鼓、钢琴、手风琴、曼陀铃等乐器声,蟋蟀、青蛙、小鸟的叫声,流水、刮风、下雨声,车船、飞机、汽笛、枪炮声以及各种爆炸声等自然界的声响效果。模拟声集成电路具有较高的性能价格比,因而被大量广泛地应用于电子玩具、仪器仪表、保安警示等众多领域。本文介绍模拟声集成电路的应用实例。
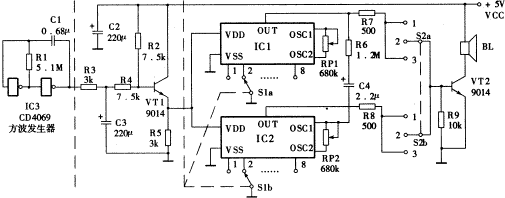
  1.快乐的大自然图1是8声模拟声集成电路典型应用原理图。IC有8个触发端TG1~TG8,分别接8个按键开关SB1~SB8,可以发出蟋蟀、蝈蝈、布谷鸟、青蛙、牛、马蹄声等8种不同的声音。IC可用于制作生产有声钥匙圈、动物玩具琴等小电子产品。这里介绍一种利用2片(或多片)模拟声集成电路组装的趣味音效发生器,具体电路如图2所示。它由方波发生器、扫描电压发生器、音效发生器和功率放大电路等部分组成。一方面,扫描电压发生器在方波发生器的作用下有规律地改变模拟声集成电路IC1、IC2的电源电压,使其输出的模拟声信号受到控制,另一方面,IC1的输出端控制IC2的振荡器输入端(或者IC1与IC2相互控制)。图2所示电路可产生近百种声响效果,诸如蟋蟀低鸣、青蛙鼓噪、金蝉竞唱等。

564-1.gif (2375 bytes)

564-2.gif (10052 bytes)

2.八音电子小手枪图3是八音电子小手枪的电路原理图。IC是单键8声模拟声集成电路,它在一个触发开关的控制下,就能发出来福枪声、激光枪声、炸弹声1、炸弹声2、机关枪声1、机关枪声2、火炮声和以上7种声音混响声等8种模拟声,每按一下触发开关SB,就顺序发出一种声响。图3中的SB是手枪扳机开关(自动复位),每扣一次扳机,相当于开关SB闭合一次,扬声器就发出一种声响,继续扣动扳机,扬声器依次产生上述8种模拟声响。IC还可驱动3~5只发光二极管工作,产生光学效果。该电子手枪声音逼真,造型精致美观,令小朋友爱不释手。

564-3.gif (2938 bytes)

  3.钱包防盗报警卡图4和图5中的IC是可发出“呜呜……”警报模拟声的集成电路。图4所示电路的触发开关SB,采用2条长20mm、宽5mm的薄磷铜片,将其弯成弧形状,做成触控开关。整个电路封装在名片大小的塑料夹内,平常开关SB由于2条铜片自然张力的作用而分离(相当于SB断开),当开关被挤压或触碰时,2条铜片相接触,使IC工作,发出报警声。图5采用光控触发电路,由光敏电阻CDS取代SB。当光敏电阻CDS遇到微弱光照时,IC就被触发工作。图5所示电路也装入塑料夹内,并在对准光敏电阻处开一个直径5mm的小透光孔。上述两种专门用于钱包的防盗报警卡,经实践证明,确能发挥作用。

565-1.gif (1810 bytes)

565-2.gif (1886 bytes)

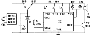
  4.袖珍式收音/音乐两用机袖珍式收音/音乐两用机,体积小巧,随身携带方便,适合于人们户外活动时使用。图6是该机的电路原理图。收音机部分,采用HY414型或TA7642型直放式单片收音机专用集成电路,灵敏度高,耗电小,电路非常简单,安装调试容易。音乐部分采用1片模拟产生3种迪斯科音乐的模拟声集成电路。工作时将S打向“音乐”挡,通过选择SB1~SB3,IC可输出不同的迪斯科音乐声,同时IC还能驱动小电珠DZ1、DZ2随音乐节奏同步闪烁。

565-3.gif (4154 bytes)

  5.自动电子警戒线在军事防区、仓库重地、危险领域等禁止外人通行的场所,设置一道电子警戒线是十分必要的。图7是自动电子警戒线的电路图。它实际上是简易光控报警电路,IC工作时,可分别控制2路输出信号:1路信号由VT1、VT2构成的复合放大电路将警报声放大,驱动号筒式扬声器发声。另1路信号由VT3触发双向可控硅(或继电器)导通,点亮射灯D,显示出“禁止通行”的字样。

565-4.gif (5522 bytes)

  6.声控电子鸟阳台上一只活蹦欢跳的小鸟,吱吱喳喳唱个不停。当走近一看,噢!原来是一只毛绒玩具鸟。真奇怪,这只玩具小鸟怎么又会动又会叫呢?答案就在图8所示的电路中。IC是模拟鸟叫声集成电路。三极管VT1,压电陶瓷蜂鸣器B1,电阻R1、R2和R3,电容C1和C2等组成声控电子开关。平时无声响时,B1处于高阻状态,当击掌、吹口哨或周围声响达到一定强度时,压电陶瓷片因振动产生感应电压,经R1触发VT1导通,由VT1发射极输出一正触发脉冲,触发IC的TG端,IC被触发工作。OUT1端输出鸟叫声音频信号,经VT2放大后推动扬声器B2发声;OUT2端输出脉冲信号,经VT3、VT4二级放大,驱动1.5V直流小电机DJ旋转,再由机械传动装置让模型鸟产生相应动作。

565-5.gif (4405 bytes)

  7.声控钥匙牌声控钥匙牌是一种实用而有趣的新型电子钥匙圈。当您忘了钥匙(扣在声控钥匙牌上)放在什么地方时,可拍一下巴掌或吹几声口哨,钥匙牌就立即发出清脆的“嘀、嘀、嘀”声,仿佛在告诉主人“我在这儿,我在这儿”,十分有趣。图9是声控钥匙牌的电路图。声控钥匙所用模拟声集成电路有一个与上述模拟声集成电路显著不同的特点,就是它的受话器和发声器是同一个压电陶瓷蜂鸣器,IC的外围电路只有1只压电蜂鸣器B和1只振荡电阻R(振荡电阻亦可做进集成电路内)。整个声控钥匙牌电路极其简单,体积十分小巧。

565-6.gif (1845 bytes)

  8.“实弹”打靶游戏机该游戏机最显著的特点是采用“实弹”射击,具有实战感和刺激性,这是传统的电子打靶游戏机所无法相比的。图10是光电子弹的电原理图。IC是模拟机枪声的模拟声集成电路。S是电源开关,它受模型机关枪扳机的控制,触发端TG与正电源端VCC之间接电容C。当S闭合后,小电珠DZ发亮,同时电源电压VCC因C的突变而立即加到TG端,IC被触发工作,发出一串“嗒、嗒、嗒”的机枪声。由于C的电容量小,瞬间就被充满电荷,相当于触发电路断开,所以即使S接通,IC亦不工作。如需再次射击,必须将打过的“子弹壳”退下,再装上一颗新“子弹”。制作时,将图10所示电路做成一颗子弹形状,子弹的金属外壳为IC电源正极,子弹的底部分别引出电源负极和扬声器的一端。图11是光电靶的电路图。IC是语音集成电路。当光敏二极管D受到光电机枪射击时,VT1瞬间导通,IC受负脉冲信号触发,通过扬声器B发出“命中了”的声音。

566-1.gif (2182 bytes)

(10)

566-2.gif (2419 bytes)

(11)

  9.超响度贵重物品报警器图12是应用于贵重物品被盗报警器的电路原理图。该电路简单、制作容易、实用性强,厂商若能开发成小产品,与贵重物品如珠宝首饰等配套供应,说不定还能开拓一条招徕顾客的新途径。图12中的S为一开关,平时受压力作用,S处于断开状态。当被保护物品被人移动时,S闭合,IC立即工作。该电路音频输出端OUT接变压器T(可采用小型晶体管收音机输出变压器,将次级原接8Ω扬声器端接IC的OUT端与VCC端,初级则接带助音腔的压电蜂鸣器B),从而使蜂鸣器B发出洪亮急促的警报声。

566-3.gif (2100 bytes)

(12)

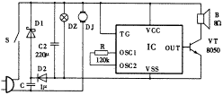
  10.配乐动感风景灯光挂画该制作采用流水声加鸟鸣声模拟集成电路,可制作生产配乐动感风景灯光挂画。这种美化家居、回归自然的现代装饰画,一经问世就大受消费者的欢迎。图13是配乐动感风景灯光挂画电原理图。接上220V交流电源,经电容C降压,D1、D2半波整流稳压,电容C2输出3V直流电压,IC开始工作。由于触发端TG常接VCC端,所以扬声器B一直有节奏地发出潺潺流水声和小鸟清脆悠扬的鸣唱声。与此同时,220V交流小电机DJ旋转工作,带动齿轮装置使云彩和流水的背景画面产生移动效果。这种呈现一幅亦真亦幻微缩自然景观的声光动感画,对于现代都市家居来讲,无疑增添了一道亮丽的风景线。

566-4.gif (3076 bytes)

(13)

 
温馨提示:以上内容整理于网络,仅供参考,如果对您有帮助,留下您的阅读感言吧!
相关阅读
本类排行
相关标签
本类推荐

CPU | 内存 | 硬盘 | 显卡 | 显示器 | 主板 | 电源 | 键鼠 | 网站地图

Copyright © 2025-2035 诺佳网 版权所有 备案号:赣ICP备2025066733号
本站资料均来源互联网收集整理,作品版权归作者所有,如果侵犯了您的版权,请跟我们联系。

关注微信