时间:2009-07-15 08:29
人气:
作者:admin
智能功率模块的原理与应用
由日本三菱电机公司开发出的IPM系列产品,属于第三代智能功率模块。它采用第三代IGBT来代替传统的功率MOSFET和双极型达林顿管,并配以功能完善的控制及保护电路,构成了一种理想的高频软开关模块。这类模块特别适用于正弦波输出的变压变频(VVVF)式变频器中。
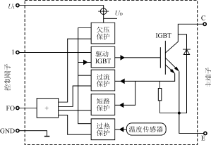
IPM系列产品的内部框图如图5所示。模块内部主要包括欠压保护电路、驱动IGBT的电路、过流保护电路、短路保护电路、温度传感器及过热保护电路、门电路和IGBT。该系列产品配16位单片机后构成的通用VVVF变频器的原理图,如图6所示。

图5 IPM系列产品的内部框图

图6 通用VVVF变频器的原理图
上一篇:什么是双速电机