全球最实用的IT互联网站!
人工智能P2P分享搜索全网发布信息网站地图标签大全
奥越信PLC输入点和输出点介绍
阅读全文2018-07-21
我国工业互联网的发展远远滞后国外
工业互联网平台评价有哪些方法
GaN黑科技 宽禁带技术
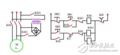
PLC梯形图与继电接触器控制电路对比
阅读全文2018-07-20
PLC编程,模拟量的计算、脉冲量的计算方法总结
如何推进中国制造2025同德国的工业4.0的战略合作
工业4.0时代,如何实现制造业升级
工业4.0时代的到来,第四次工业革命“把机器变
基于瑞萨电子电机控制,RAMDA算法技术特点及基本
pwm控制的基本原理
日本HarmonicDrive哈默纳科谐波减速机的三大
支持工业4.0工厂的大规模定制、高质量和
机器视觉系统的主要工作流程是怎样的
CPU | 内存 | 硬盘 | 显卡 | 显示器 | 主板 | 电源 | 键鼠 | 网站地图
Copyright © 2025-2035 诺佳网 版权所有 备案号:赣ICP备2025066733号 本站资料均来源互联网收集整理,作品版权归作者所有,如果侵犯了您的版权,请跟我们联系。