全球最实用的IT互联网信息网站!
AI人工智能P2P分享&下载搜索网页发布信息网站地图
新加坡南工大研发出3D打印技术激光转换高聚超声
阅读全文2016-11-03
工业4.0推动人机界面应用 未来将呈现三大发展趋
利用TI全新统一存储器16位微控制器(MCU)扩展价
第5万台机器人下线!ABB中国制造进程加速
亮相电力世界 ABB数字化电力技术成焦点
英国科学家:工业系统将成为下一波黑客攻击的
揭秘“工业4.0”背景下的智能工厂发展趋势
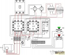
电动机全波能耗制动控制电路
阅读全文2016-11-02
东芝推出最高工作温度达110摄氏度的VSON4小型封装
阅读全文2016-10-28
基于高档数控系统的实时多任务实现
阅读全文2016-10-27
pwm控制的基本原理
日本HarmonicDrive哈默纳科谐波减速机的三大
支持工业4.0工厂的大规模定制、高质量和
机器视觉系统的主要工作流程是怎样的
CPU | 内存 | 硬盘 | 显卡 | 显示器 | 主板 | 电源 | 键鼠 | 网站地图
Copyright © 2025-2035 诺佳网 版权所有 备案号:赣ICP备2025066733号 本站资料均来源互联网收集整理,作品版权归作者所有,如果侵犯了您的版权,请跟我们联系。